hydraulika nebo vzduch??

o systemech automaticke vymeny nastroje
Kvako1
Sponzor fora
Příspěvky: 1683
Registrován: 5. 4. 2011, 7:29
Bydliště: Praha, Čadca

6. 7. 2012, 10:05

jasně je vedší ale mě to nevadí vleze se tam. navíc stojí něco kolem 7000 kdežto 3nasobný tandem přez 21 000.
vyřešeno to mám . nemám teď ale na to čas.
Kvako1
Sponzor fora
Příspěvky: 1683
Registrován: 5. 4. 2011, 7:29
Bydliště: Praha, Čadca

22. 8. 2012, 8:15

ahoj.
mam zas pár dotazů,
proč se davají na ty vřetena ty písty s tak velkou silou 12 000 N a víc? diť ty nástroje , třeba iso 40 maji ty drážky z čepem na přenos síly.... nestačil by tam menší přídržný tlak ? ten píst by pak stačil slabší ne ? kůli čemu je tam takova síla?
už se mi to začíná slezat pomalu ty věci a začal bych něco kreslit a konstruovat tak ať nedělam zbytečně nějakou hovadinu.

mam písty 160 a 125 průměr. tak teť nevím ktrej by byl lepší. jde taky o vahu a velikost vysledného vřetene...
vruboun
Příspěvky: 378
Registrován: 25. 3. 2010, 7:11

22. 8. 2012, 9:45

protože když zabereš pořádnej knedlík, tak by ti to ten nástroj i s držákem vyrvalo z vřetene a nastaly by dost ošklivé okolnosti
danodpp
Příspěvky: 316
Registrován: 14. 1. 2013, 10:45
Bydliště: Poprad

1. 2. 2013, 11:52

ahoj, sorry ze znova ozivujem stare vlakno, ale neda mi

prave citam o rychloupinani, takze je to od vyrobcu SCHAUBLIN

pre konus 11.5/5st. - zdvih upinania 3,5mm, tazna sila 1000N
pre ISO10 - zdvih upinania 4mm, tazna sila 1750N
pre ISO20 - zdvih upinania 4,5mm, tazna sila 3000N
pre ISO25 - zdvih upinania 4,5mm, tazna sila 4000N
pre ISO30 - zdvih upinania 5mm, tazna sila 6000N
pre ISO40 (BT40) - zdvih upinania 5,5mm a tazna sila 6000N

viac tam toho nieje :)
Kvako1
Sponzor fora
Příspěvky: 1683
Registrován: 5. 4. 2011, 7:29
Bydliště: Praha, Čadca

2. 2. 2013, 8:54

vpohodě, každá informace se hodí.
mam to momentalně trochu u ledu , ale tak nějak postupně se to rýsuje. nijak na to nespěchám protože dávam dohromady teť soustruh a navíc v práci pořád fofry...

nicmeně mam rozpracováné 2 vřetena
jedno styl tornmach - s kleštinou iso 40 bude to brát kulate stopky 25mm. do 8000 otaček. to mam skoro hotové
planuji tam dat píst 16 000N
druhe BT 40 original hřídel i z vtahovaním ofukem a chlazením. do 25 000 otaček. mam ale problém sehnat talířovky ve slušne ceně..
a chybí mi na to ještě asi 5 dílů
tady chci dát píst 9 000 N
takže co jsi poslal tu tabulku , ty písty by měli stačit... :)
RaS
Příspěvky: 8746
Registrován: 26. 3. 2009, 9:12
Bydliště: Úvaly

2. 2. 2013, 11:12

BT40 do 25000otáček? ten kužel je dle technickejch listů do 8 nebo 8500ot.. na takovýhle otáčky to chce zvolit něco jiného..
věčný rýpal,který musí mít poslední slovo, odpůrce low-cost zařízení končících v naprosté většině případů v hromadě šrotu
uživatelé hýbátek, kteří mají z mých příspěvků celoživotní trauma nechť si mé příspěvky VYPNOU
Kvako1
Sponzor fora
Příspěvky: 1683
Registrován: 5. 4. 2011, 7:29
Bydliště: Praha, Čadca

2. 2. 2013, 11:45

je to original vymontovaný ze stroje. ty otačky tam byly uvedeny. i ložiska jsou tam na to stavěna.. nevidím duvod proč by to nešlo...
možna si ale pletu iso a BT. podle mne je tam ale rozdíl jenom vtěch kamenech.. pasuji tam oboje..
jenom tak jsem zběžně koukl na google a našel jsem BT 40 10k otaček i 12k...

jaký je tedy rozdíl BT40 a Iso 40 ?
danodpp
Příspěvky: 316
Registrován: 14. 1. 2013, 10:45
Bydliště: Poprad

2. 2. 2013, 1:27

ahoj

rozdiel je v podstate len na vrchu v upinani...kuzel je ten isty , iso40 ma koniec predlzeny valcovy, BT40 ma konus hned ukonceny, a SK40 je myslim napodobny BT40 - na vrchu ma nakrutenu upinaciu "gulicku"

a myslim ze vsetky tieto "40ky" maju hore zavit M16

mam v PC vykresy, ale ako ich sem vlozim?
danodpp
Příspěvky: 316
Registrován: 14. 1. 2013, 10:45
Bydliště: Poprad

2. 2. 2013, 1:34

BT40
BT40
danodpp
Příspěvky: 316
Registrován: 14. 1. 2013, 10:45
Bydliště: Poprad

2. 2. 2013, 1:35

ISO40
ISO40
danodpp
Příspěvky: 316
Registrován: 14. 1. 2013, 10:45
Bydliště: Poprad

2. 2. 2013, 1:37

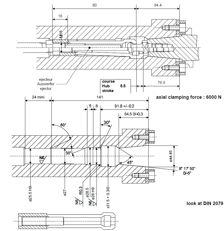
Priklad rychloupinania od f.Schaublin
Priklad rychloupinania od f.Schaublin
Naposledy upravil(a) danodpp dne 2. 2. 2013, 3:31, celkem upraveno 1 x.
danodpp
Příspěvky: 316
Registrován: 14. 1. 2013, 10:45
Bydliště: Poprad

2. 2. 2013, 1:44

p.s. nikde neviem najist max.RPM pre jednodlive kuzele :cry: ...ale pri ISO40 maju cnc centra bezne 10tisic ot/min :roll:

je to vsak obmedzene motorom vretena :P
Kvako1
Sponzor fora
Příspěvky: 1683
Registrován: 5. 4. 2011, 7:29
Bydliště: Praha, Čadca

2. 2. 2013, 3:14

dikes za obrázky.
tady je třeba vřeteno atc iso 30 do 24k otaček.

http://www.ebmia.pl/elektrowrzeciona-tm ... _1035.html" onclick="window.open(this.href);return false;

nedávno jsem četl i o vřetenu iso 40 -40k otaček ale to už byla obluda motor 30 kW
Odpovědět

Zpět na „Automaticka vymena“