Tryska

Požadavky na výrobu dílů - poptávkové fórum
Pravidla fóra
Toto forum vyzaduje schvaleni prispevku moderatorem.
Odpovědět
Uživatelský avatar
bobik
Příspěvky: 4556
Registrován: 11. 12. 2007, 7:48
Bydliště: Okres Klatovy

27. 8. 2013, 12:22

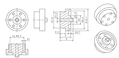
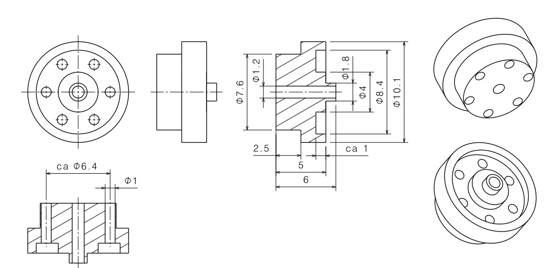
Prosím o cenové nabídky na výrobu 10 kusů trysek dle typu materiálu. Materiál dural, mosaz a nerez. Hrany ponechat ostré, ale bez otřepů. Vidím to na práci na CNC soustruhu, aby se jeden kus udělal na jedno upnutí, včetně šesti jedniček direk.
Přílohy
tryska.jpg
Engineer
Příspěvky: 2369
Registrován: 27. 12. 2006, 4:30
Kontaktovat uživatele:

27. 8. 2013, 7:07

Chtělo by to nějaký tolerance rozměrů a pak dotaz k tý rozteči direk. Vychází mi tam stěna mezi okrajem díry a vnějším průměrem 0,1mm což není moc. :wink: Vrták 1mm už celkem rád uhne, chtělo by to tam možná nechat kapku víc masa....
Uživatelský avatar
Grell
Příspěvky: 89
Registrován: 12. 8. 2013, 1:40
Bydliště: Vsetín

28. 8. 2013, 1:33

Engineer píše:Chtělo by to nějaký tolerance rozměrů a pak dotaz k tý rozteči direk. Vychází mi tam stěna mezi okrajem díry a vnějším průměrem 0,1mm což není moc. :wink: Vrták 1mm už celkem rád uhne, chtělo by to tam možná nechat kapku víc masa....
Proto tam asi bude to "ca". To je nový toleranční stupeň "kolik chceš". :D
Vedoucí vývoje / Technolog / Programátor / Obsluha CNC / Kontruktér / Podržtaška / Pi*us k ruce
S50CNC, CKE 6150Z, Lynx 220 LSA, Lynx 220 Alpha, DNM 500,Haas VF-2SSY, Haas ST-30SSYT, Citizen A20 VII EVO
EdgeCam 2014/2016, SpaceClaim 2015
Odpovědět

Zpět na „Potřebuji vyrobit - vypomoc pri vyrobe“