Driver s A3986

J0hny
Příspěvky: 506
Registrován: 10. 5. 2008, 1:31

2. 4. 2010, 2:04

Zrejme to neni dotiahnute este do konca, zaujimalo by ma ako sa to chova zo silnejsim motorom, zaujimave to je prave pre napajanie tych 48V+- a udajne pre motory do 500W, realne tak 48V/7-8A. Vsetky ostatne bezne TA/TBcka, ci H2 alebo obdoba z ciny za par korun su pouzitelne tak max. pre 1,5Nm motory.
Rovno by to chcelo predbezny zoznam zaujemcov :D Ta cena sa bude odvijat od poctu kusov, zajimave to je od 100ks.
Moj typ je tak 1000Kc za dosku a suciastky, bez predspajkovaneho alegra, + pripocitat nejaku odmenu pre autora, urcite obetoval tyzden volneho casu.
Nevzdelany samouk, zo vsetkeho trosku, ziadne konkretne zameranie :)
sejosef
Příspěvky: 124
Registrován: 17. 2. 2008, 2:16
Bydliště: Votice

2. 4. 2010, 2:54

Mě by zajímalo jaká byla hodnota Rsens a Vref při pokusech které jsou vidět na videu? Už tam máš snižování proudu při zastavení? Používáš PWM signal na Enable vstupu obvodu? Jak se driver chová při velmi malých rychlostech?

Dík
Josef
Jukos3
Příspěvky: 203
Registrován: 24. 10. 2008, 5:20
Bydliště: Svit
Kontaktovat uživatele:

2. 4. 2010, 6:52

Momentalne som doma na sviatky a priebehy a dalsie veci co by vas zaujimali mozem pomerat a otestovat ked sa vratim. Planujem si pozicat aj vacsie motory od nas z fakulty a hlavne poriadny osciloskop aj s prudovou sondou a uvidim ako budu vyzerat priebehy prudu. Osobne ma to velmi zaujima, pretoze ked som to pozeral s osciloskopom Rigol tak to vyzeralo vseliako inak len nie tak ako by clovek cakal.

sejosef: v driveri sa rata s pouzitim ATtiny 45 a aplikovanie allegro PWM study a automaticke prepinanie decay modu. Avsak este to chvilku potrva, su tam jumpre ktorymi nastavujem mikrokroky a decay mod. Momentalne sa musim sustredit na bakalarku.

Pravdepodobne sa bude navrhovat este jedna doska, kde budu drivery pre 3 alebo 4 osi spolu s paralelnym portom a optickym oddelenim. Vzdy ked sa pozrem na tu dosku tak najdem nieco co sa da urobit lepsie...

s pozdravom Jukos3
Kazdy raz nejako musel zacat ...
http://robotika.yweb.sk
http://ap.urpi.fei.stuba.sk/sensorwiki/index.php/Kráčajúci_mobilný_robot
Jukos3
Příspěvky: 203
Registrován: 24. 10. 2008, 5:20
Bydliště: Svit
Kontaktovat uživatele:

17. 4. 2010, 11:01

Takze prikladam nejake obr. priebehu prudov, bolo to merane prudovou sondou osciloskopom TektronixTHS720P motor bol pouzity Leadshine 57HS22(2,2Nm) s paralelne zapojenymi vinutiami napajacie napatie 48V prud 8A osadene 3 snimacie rezistory 0R1v kazdej vetve, 16 mikrokrokov.
Přílohy
Sixteen,1Fast,ch1-Um,ch2-Im,fin-25KHz.BMP
(9.44 KiB) Staženo 678 x
Sixteen,0.26Fast,ch1-Um,ch2-Im,fin-2KHz.BMP
(9.44 KiB) Staženo 650 x
Half,mix,ch1-Um,ch2-Im,fvs-1.25khz.BMP
(9.44 KiB) Staženo 796 x
Kazdy raz nejako musel zacat ...
http://robotika.yweb.sk
http://ap.urpi.fei.stuba.sk/sensorwiki/index.php/Kráčajúci_mobilný_robot
Uživatelský avatar
brto
Příspěvky: 16
Registrován: 5. 4. 2010, 7:45

23. 4. 2010, 6:36

Zdravim,
nechcem zakladat novu temu, tak to pisem sem. Potreboval by som schemu drivera pre bipolarne napajanie KM. Menovity prud KM 2,7A (seriove zapojenie), 5,4A (paralelne zapojenie). Nemate nieco take ? A este s chcem opitat, ake je vhodnejsie zapojenie, seriove alebo paralelne ?
Vopred tnx
Bohu na radosť, ľudu na pomoc !
J0hny
Příspěvky: 506
Registrován: 10. 5. 2008, 1:31

23. 4. 2010, 7:22

http://www.c-n-c.cz/search.php
Je to tu vysvetlovane asi 30x a pritom ani neni nutne to vysvetlovat ale 2 minuty nad tym porozmyslat.
Nevzdelany samouk, zo vsetkeho trosku, ziadne konkretne zameranie :)
votrelec
Příspěvky: 93
Registrován: 7. 5. 2010, 3:41

12. 7. 2010, 7:26

vieš J0hny, ja sa už ani nečudujem že sa nikomu nechce hľadať,

7dní poctivo prezerám sekciu vaše mašinky, a tak ako som bol zo začiatku nadšený, som ku koncu vychladol.

niektoré konštrukcie perfektné, niektoré poučne, niektoré zaujímavé, mnoho samo domo riešení. Každá niečim výnimočná,
ale od 3tej stránky už treba len pozerať obrázky a odkazy

hodne zdaru koštruktéry, smutne slintám a nasávam...

CNC čakateľ...
lozisko456
Příspěvky: 14
Registrován: 25. 9. 2012, 6:47

9. 9. 2013, 6:25

zdravim
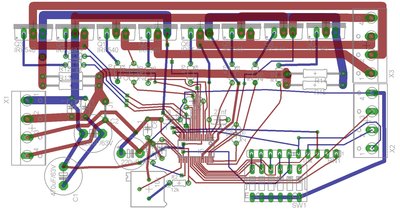
potreboval by som poradit ci taketo rozmiestnenie suciastok na driveri nebude prekazat niecomu, lebo ako citam tak niesom az taky vsevediaci ako som si myslel :roll:
Přílohy
plosak fotka.png
programátor robotov- kuka nachi ,otc daihen,plc- mitshubishi, siemens
pavel-gravos
Příspěvky: 322
Registrován: 27. 1. 2008, 4:30

9. 9. 2013, 9:11

Tohle nemuze dobre fungovat.

Cesty velkych proudu by mely byt co nejkratsi, je to roztahane po cele desce, ubytky, vazby, prusery.
Na techto cestach co nejmene pruchodu z jedne strany na druhou, a kdyz uz, tak aspon 3 prokovky vedle sebe.
Studene konce sensovy odporu musi dolezt nejprve do hlavnich kondu, nevetvit.
Drobne kondiky od brouka dat k nemu blizko.
Brouk bliz k fetum.
Spoje jsou dlouhe, delat kratsi, zalamovat na 45 st., nedelat rohy.
Nekde najit, jak se navrhuji spinane zdroje, zasady jsou stejne.

Sorry, ale znovu a lepe.
Naposledy upravil(a) pavel-gravos dne 11. 9. 2013, 11:54, celkem upraveno 1 x.
Uživatelský avatar
packa
Příspěvky: 7141
Registrován: 7. 2. 2007, 6:42
Bydliště: Královehradecký kraj

9. 9. 2013, 9:44

SYLOVÉ SPOJE BYs měl dát z jedné strany , propoj si nejdříve fety s integráčem , pak k tomu umísti svorky aby byly co nejblíže a pak řeš na druhé straně řídící část
lozisko456
Příspěvky: 14
Registrován: 25. 9. 2012, 6:47

10. 9. 2013, 10:00

Trochu som na tom popracoval ale rozdiel vidno :) len este ci ta funkcnost bude :?
Přílohy
plosak.jpg
programátor robotov- kuka nachi ,otc daihen,plc- mitshubishi, siemens
sejosef
Příspěvky: 124
Registrován: 17. 2. 2008, 2:16
Bydliště: Votice

11. 9. 2013, 3:04

Strašné :-). Na kolik proudu to plánuješ? Jaký typ MOSFETů použiješ?
lozisko456
Příspěvky: 14
Registrován: 25. 9. 2012, 6:47

11. 9. 2013, 7:31

este to neni na final , irf540 chcel by som skusit potiahnut 7 amper co to povie :D
programátor robotov- kuka nachi ,otc daihen,plc- mitshubishi, siemens
oscar
Příspěvky: 1249
Registrován: 2. 5. 2010, 8:50
Bydliště: Perníkovice

11. 9. 2013, 7:34

hele, todle nemuzes myslet vazne.
pavel-gravos
Příspěvky: 322
Registrován: 27. 1. 2008, 4:30

11. 9. 2013, 12:07

Tohle taky nepojede...
To nejde jen tak namrskat soucastky na desku a protahat to draty, i kdyz to eagle umoznuje.
Primarne musis vyresit cesty velkych proudu a rozlozit logicky velke soucastky a tluste spoje.
Na 7A bych pouzil minimalne 3mm siroke spoje, lepe 5mm.
Na strane š tohoto vlakna je ode me nakres, jak by melo vypadat zemeni a kondiky (zde C1 a C2).
Mely by to byt low ESR a mely by dokazat pokryt tech 2x7A - bude jich vic...
Ty sensove odpory jsou nejake male, vydrzi to na vykonovou ztratu? ( P=I*I/R )

Nechces si radeji nejdriv postavit neco mene narocneho?
Treba blikac, nebo zesilovac na sluchatka, nebo tak neco?
Odpovědět

Zpět na „Krokové motory“