Hrubování tvárnic před kalením

CAM software
Odpovědět
Uživatelský avatar
bobik
Příspěvky: 4556
Registrován: 11. 12. 2007, 7:48
Bydliště: Okres Klatovy

15. 4. 2014, 2:10

Zdravím
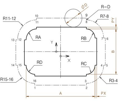
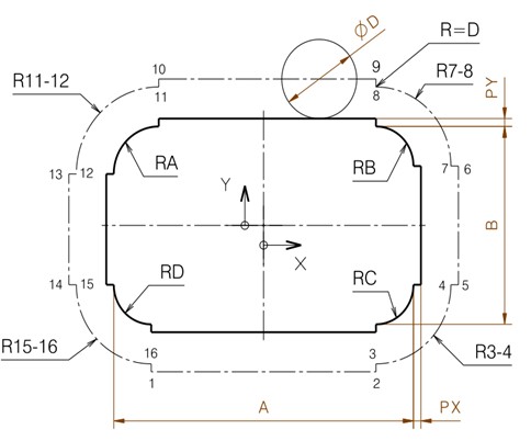
Snad se bude někomu z vás hodit můj program na hrubování tvárnic. Abych uvedl do problému, tak kalené tvárnice do forem se do desek formy vkládají do kapsy, jež má rádiusy v rozích o zhruba o 1mm menší, než na tvarových vložkách. Jedná se o to, aby se nemuseli dopasovávat rohy. Kalené vložky se dělají s přídavkem na brus a dokončovací frézování po kalení. Obyčejně to bývá 0,3mm na stěnu. Bohužel tento přídavek se dával i na rádiusy vložek a rohy se stejně museli dopasovat. Tak jsem udělal program v exelu, aby se rádiusy dělali rovnou na čisto a přídavek na broušení byl jen na stěnách.
Přílohy
HRUBOVANI_STREDNICE_FREZY_.zip
(57.54 KiB) Staženo 229 x
Hrubovani.jpg
Odpovědět

Zpět na „CAM“