Poptavka rolny

Požadavky na výrobu dílů - poptávkové fórum
Pravidla fóra
Toto forum vyzaduje schvaleni prispevku moderatorem.
Odpovědět
Jan1
Příspěvky: 45
Registrován: 13. 4. 2012, 7:37

21. 4. 2014, 12:30

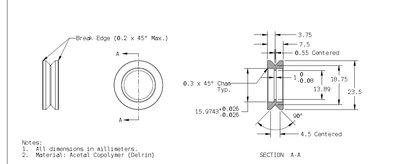
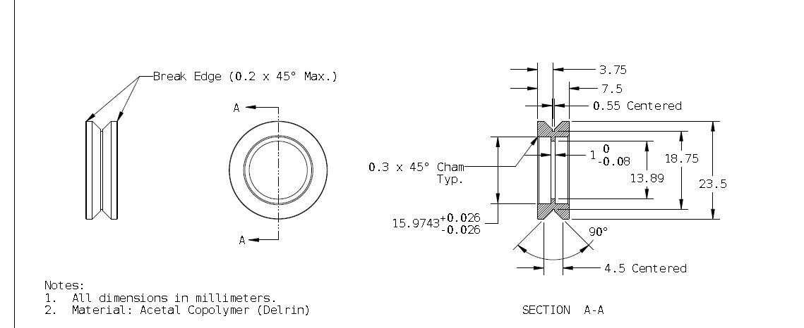
Rolna.jpg
Umi nekdo vyrobit
Monteg
Příspěvky: 1514
Registrován: 30. 10. 2006, 5:37
Bydliště: LOUNY

23. 4. 2014, 7:15

Nepíšeš kolik jich ma bejt?
Mat. dodáš nebo i s mat.?
koudyxxx
Příspěvky: 157
Registrován: 21. 6. 2007, 9:59
Bydliště: Lanškroun

24. 4. 2014, 2:27

Docela přesný na to že je to plast.
Roman.Stepánek
Příspěvky: 69
Registrován: 10. 7. 2014, 6:32

17. 7. 2014, 9:57

Mohu pomoct s vyrobou dilu treba i do budoucna
RaS
Příspěvky: 8748
Registrován: 26. 3. 2009, 9:12
Bydliště: Úvaly

17. 7. 2014, 10:14

Nestačil by jen tvůj inzerát? takhle budeš vyhrabávat všechny stará témata a zasírat fórum a nasírat čtenáře? děkuji..
věčný rýpal,který musí mít poslední slovo, odpůrce low-cost zařízení končících v naprosté většině případů v hromadě šrotu
uživatelé hýbátek, kteří mají z mých příspěvků celoživotní trauma nechť si mé příspěvky VYPNOU
Odpovědět

Zpět na „Potřebuji vyrobit - vypomoc pri vyrobe“