CNC frézování součástky - nerez???

Požadavky na výrobu dílů - poptávkové fórum
Pravidla fóra
Toto forum vyzaduje schvaleni prispevku moderatorem.
Odpovědět
SafrdA
Příspěvky: 22
Registrován: 1. 1. 2015, 7:31

26. 3. 2015, 6:56

Ahoj,

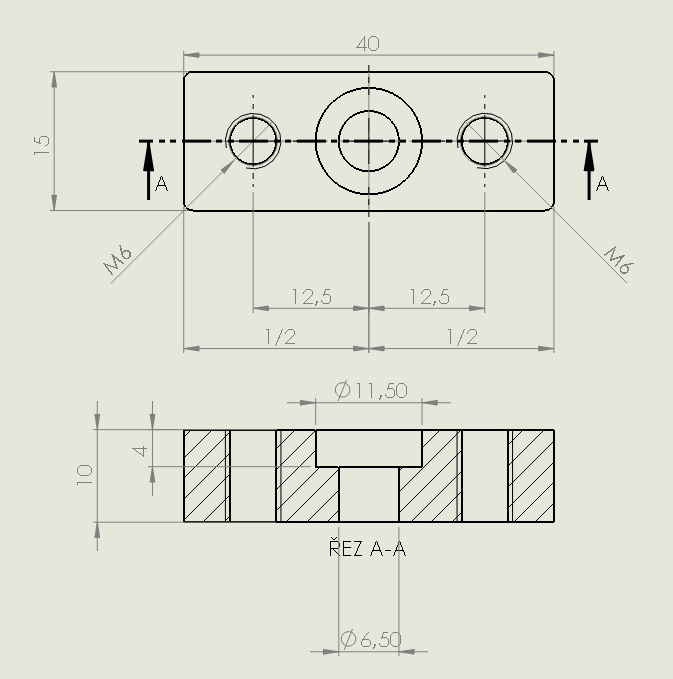
poptávám výrobu součástky, viz příloha. Nejdřív bych potřeboval dva kusy, na případné doladění detailů a pokud bude vše ok, pak minimálně 16ks, možná víc. Ale samozřejmě záleží, kolik by taková součástka stála. Materiál nějaké železo, které nebude oxidovat -> součástka bude občas ve slané vodě.

Za nabídky moc děkuji...
Přílohy
prechod.jpg
Filas09
Příspěvky: 13
Registrován: 17. 4. 2015, 9:50

17. 4. 2015, 10:41

Dobrý den,
pokud nabídka stále platí můžeme se domluvit. Napište mi na email filipo20@seznam.cz
Hakan354
Příspěvky: 2
Registrován: 21. 4. 2015, 12:12

21. 4. 2015, 12:28

zdarrec,ak mas este zaujem o ten kus tak sa ozvi na email a dohodneme dalsie kroky :D
Odpovědět

Zpět na „Potřebuji vyrobit - vypomoc pri vyrobe“