Driver s TB6560- vychytanie múch

BlackJack
Příspěvky: 25
Registrován: 10. 7. 2014, 9:59

11. 6. 2015, 6:39

Ďakujem za každú radu.

1. To je to najmenej prehodiť.
2. Videl som zapojenia aj s takýmito veľkými kapacitami, ako aj s menšími. Keďže som len niečo málo "za začiatočníkom" v elektronike, tak netuším, ako také hodnoty C pri mostíkoch dávať. Sú na to nejaké články? Hľadal som, ale nepodarilo sa mi vygoogliť. Ale našiel som jedno zapojenie, kde sú len 10n. Môže byť?
3. Nachádza sa aj v tomto zapojení: http://www.radio-foto.eu/radio/powzdroj2.png" onclick="window.open(this.href);return false; Autor nepopisuje, prečo ju tam dal, ale asi mal na to nejaký dôvod.
4. Z PC to napájané nebude, ani ovládať sa to z PC nebude. Takže 5 a 12 V vetva pôjde tiež zo zdroja. To trafo sa mi vidí najlepšie riešenie. A mám možnosť použiť jedine trafo 12V alebo 12V+12V (z TME). Skúsim nejaké doma nájsť, kde by bolo 12 V a 5V vetva, ale to by bola náhoda.
5.
6. TR 24~ (po filtrácií 33V-) a príloha 1. Prvý graf s rezistormi, druhý bez. Viac sa mi páči s pomalým nábehom. Ak by som mal použiť termistory, tak by som ich už premosťovať nemusel? Nebude to zbytočne pre ne záťaž? Lebo ak áno, tak to sa mi viac oplatí dávať rezistory.
7. Ok teda, dajme tomu, že budem mať 3 krokové motory, postačí sériové zapojenie vývodov, a max. prúd 1.5 A + nejaké vreteno (na vŕtanie, frézovať nechcem). Aký toroidný transformátor by ste mi doporučili? U jedného zapojenia som videl trafo dokonca na 11 A pri podobných parametroch čo chcem ja. Vedel som, že to je trochu prehnané, tak som chcel, aby mi to vystačilo aj s rezervou. Stačilo by trafo S = 24V~ (33V-) 5A? Alebo aj menej? (pretože ja som naopak chcel väčšie).

Áno, "pomalu zapni, rychle vypni", asi najlepší, z tých jednoduchých. Tak som si ho "privlastnil" :)
Přílohy
dffdffff.png
Mex
Příspěvky: 10287
Registrován: 6. 2. 2014, 10:29

11. 6. 2015, 11:51

Ty kondezátory přes usměrňovače bych tam nedával.
Stejně tak diodu v závěrném směru.
Pokud už tam za každou cenu nějaku diodu chceš cpát, a pokud použiješ lineární stabilizátory, tak tou diodou v závěrném směru přemosti ten stabilizátor. Tyhle staré chipy 78xx namají rády, když je na výstupu o hodně víc než na vstupu, což se díky kapacitám může stát. Ta dioda pošle výstupní napětí na vstup.
U těch stabilizátorů bych dal větší kapacity na výstup.

Nicméně udělám ještě poslední pokus: dej si tam spínané DC-DC měniče. Jsme ve 21. století. Kdy naposled jsi viděl nějaké moderní profi zařízení s lineárním stabilizátorem? Jsou samozřejmě oblasti, kde se hodí, např. když z něho budeš napájet nějaký přesný AD převodník atd., ale to jistě není tento případ.

K dimenzování silového trafa příklad z praxe: na frézce mám drivery nastavené na proud 2.5A, a i když jedou všechny 3 krokáče, tak celkový proud ze zdroje 30V nepřekročí 2A. Ty motory si sice vezmou své 2.5A, ale při malém napětí, někde pod 5V. Ale ty do toho posíláš 30V. Ten choprovací driver s indukčností vinutí a kapacitou na napájení pak funguje jeko step-down měnič, proto si na těch 30V vezme mnohem menší proud.

Ty NTC termistory se nepřemoťují. Jsou to nelineární prvky, zastudena mají velký odpor, když se ohřejou průchodem proudu, tak se strmě zmenší jejich odpor. Dneska je najdeš v každém slušném zařízení. Dobrým "dodavatelem" jsou např. staré PC zdroje. Když si např. vhodně dimenzované NTC dáš jako předřadník třeba pro obyčejnou žárovku, tak ta žárovka bude věčná. Normálně žárovka prakticky vždy odchází proudovými rázy při rozsvícení, tohle to NTC elegantně řeší.
BlackJack
Příspěvky: 25
Registrován: 10. 7. 2014, 9:59

13. 6. 2015, 11:04

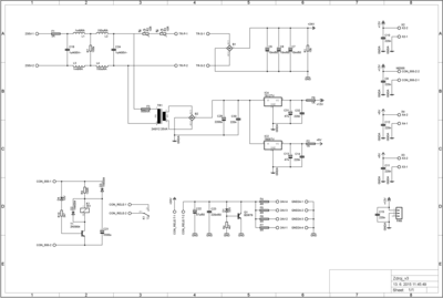
Tak, prikladám upravenú verziu.

Ako pomalý nábeh sú použité 2 termistory NTC 10 R, myslím, že by to mohlo stačiť (ak nie, mám možosť ich dať do série viac).
Odstránené kondenzátory pri mostíkoch.
Použité len 3 filtračné kondenzátory na silovom výstupe (aj to myslím, že 3 by mohli stačiť, keďže nebudem používať silné motory).
Doplnený jednoduchý obvod na obmedzenie prepätia, inšpirácia: http://www.c-n-c.cz/download/file.php?i ... &mode=view" onclick="window.open(this.href);return false;

A áno, nechal som tam tie lieárne stabilizátory :) . Som si vedomý, aké majú nevýhody, ale na teraz mi to úplne stačí. Ak budem robiť v budúcnosti nejaký poriadny zdroj, určite vezmem DC/DC prevodníky.

Silové napätie bude 33 V, aj keď je tam teraz len 24. Keď to bude konečný návrh, tak poupravujem aj názvy, číslovanie apd.

Tak čo, hotovo? :)

Zatiaľ ďakujem.
Přílohy
zdroj.png
Mex
Příspěvky: 10287
Registrován: 6. 2. 2014, 10:29

13. 6. 2015, 2:37

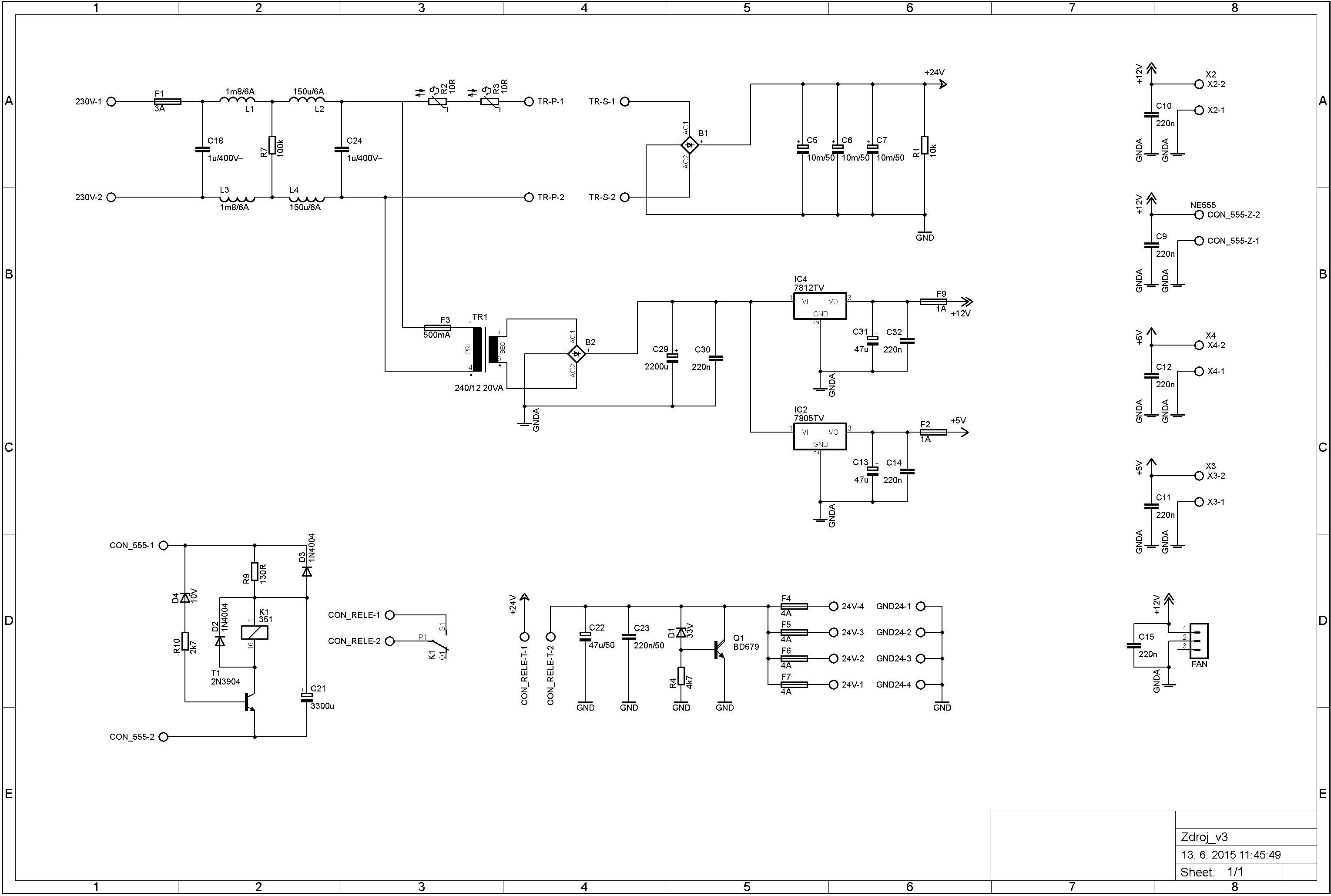
No vidíš, už je to schéma mnohem líp namalované.Takhle už je na první pohled vidět, o co jde. I když nevím, proč sis tam nenamaloval i to silové trafo.
Pokud si ta NTC dáš hned na vstup za pojistku, tak ti omezí náběhový proud i do toho pomocného trafa.
Já bych tam určitě necpal tak mocný vstupní filtr. Proč taky, budou tam jen lineární zdroje, takže rušení zpět do sítě moc nehrozí. A rušení ze sítě taky moc ne, tahle klasická železná trafa to nijak nerozhodí.
Naopak bych ještě přidal kapacity na výstuop těch lineárních stabilizátorů.
BlackJack
Příspěvky: 25
Registrován: 10. 7. 2014, 9:59

13. 6. 2015, 3:34

Kapacity pridané, a vstupný filter 4 cievky po 150u (mám akurát také po ruke, dve a dve).

Ďakujem ešte raz za Vaše pripomienky a návrhy, vcelku mi to dosť veci objasnilo.
Odpovědět

Zpět na „Ostatní elektronika“