Dynamechtronics DM 2800 CNC

fotky našich strojů, aneb co máme doma
Odpovědět
Tomis
Příspěvky: 188
Registrován: 14. 12. 2013, 11:11

4. 11. 2015, 7:32

lubos píše:Tak komutace má 6 kroků. Podle mě by ten regulátor k tomu nemusel být nutně v hájí ( někde jsem ho měl ale už jsem ho asi vyhodil). Vypadá to spíš že ti do něj něco leze. Pokud by byl v háji ve smyslu Hall signulů tak by se ani netočil ( za předpokladu že se neumí přepnout do bezseznorového řízení). A tak mi přijde že to zmatečné otáčení může být nekorektním vstupem nebo jeho zarušením ( možná odchází potenciometr). Ta změna směru se provádí jak? Je na to přepínač ? Na jaké je to napětí?
Ahoj Luboši,
měl si uplě totožný regulátor? Nebo jiný výrobce, stejný parametry?
Hall by měly být OK, také motor by měl být OK, protože, když se točí, tak nevibruje ani nevrní.
Změna otáčení se dělá jen otočením + a -
Zesilovač má vlastní zdroj napětí +/- 10V, to vyvedeš na potenciometr a výstup potencimetru zapojíš zpět do zesilovače na analogoý vstup, vše je patrné z obrázku. Multimetrem jsem kontroloval, jaké napětí leze z potenciometru a bylo to korektní...
Zesilovač je napájen 165 V DC. (Napájecí napětí může být v rozsahju 40-190 VDC).
Do přílohy jsem přidal ještě všeobecné povídání o zesilovačích AMC.
Potenciometr
Potenciometr
Přílohy
AMC_AnalogDrives_InstallManual.pdf
AMC instalation manual
(7.08 MiB) Staženo 495 x
Uživatelský avatar
packa
Příspěvky: 7157
Registrován: 7. 2. 2007, 6:42
Bydliště: Královehradecký kraj

4. 11. 2015, 7:39

a to ti přestalo fungovat z ničeho nic , nebo jsi dělal nějaký zásah do instalace a od té doby to nejde ? počadí halovek máš správně ?
lubos
Sponzor fora
Příspěvky: 5116
Registrován: 2. 5. 2007, 3:47
Bydliště: Praha

4. 11. 2015, 8:02

to že se to točí znamená že halovky jsou ok, pokud by zamíchal pořadím tak by to myslím ve2 případech nešlo vůbec a ve dvou by se to chovalo divně, viz toto video
https://www.youtube.com/watch?v=nVu4FXsKVrs" onclick="window.open(this.href);return false;

takže pokud se to točí tak halovky musí být správně. To že to mění směr mi přijde že to doopravdy je způsobeno vstupem a regulátor si doopravdy myslí že to má doopravdy dělat.
Když se to roztáčí tak to jede do maxima nebo do nějakých nesmyslných otáček? Zkusil bych nejdřív zkontrolovat ten vstup potenciometru případně ho zapojil jen jako jednosměrný a zkusil měřit co z něj do regulace leze a pokud otáčky porostou nekontrolovatelně i když vstupní napětí bude stejné tak je asi ten regl fakt v háji. Měl jsem podle mě stejný regl i s nějakým malý bldc motorem ale už to někde zmizelo v propadlišti dějin. Zkusím se podívat jestli bych nějaký regl na 165V náhodou neměl ale podle mě tam mám jen na 50V.
XpertMill, Gravos, Ninos, Galaad
IQ156
-1500Kč, -520Kč, -1čokoláda, - 28000Kč
www.freeair.cz www.rotexelectric.eu www.retrofitcnc.cz
Engineer
Příspěvky: 2369
Registrován: 27. 12. 2006, 4:30
Kontaktovat uživatele:

4. 11. 2015, 11:04

Předloni jsem řešil problém na velkým DC pohonu a dělalo mi to různý podivný věci .... celej problém byl ve vystárlejch elektrolytickejch kondíkách zdroje napětí +/-10V v driveru. Jelikož to máš řízený +/- 10V a chová se ti to divně, tak bych juknul na zdroj tohohle napětí. Multimetr ti neukáže zvlnění, popř. nějaký krátkodobý výpadky, podívej se na to osciloskopem. :wink: Pak ještě mně napadá nějakej studeňák projevující se s vibracema stroje.
Jinak můj problém byl zjednodušeně asi tento ... napětí v budiči DC motoru bylo na referenci +/-10V zvlněný a nějak kolísalo díky tomu začaly kolísat otáčky. Řídící systém dostával ze snímače na motoru informaci o tom, že nejsou dosažený zadaný otáčky a měl snahu to dohonit zvyšováním řídícího napětí na svým výstupu. Následně asi došlo k překročení nějakejch limitních mezí a celý se to sesypalo ... systém se snažil dotahovat otáčky a při určitým levelu ohlásil chybu a vypnul vřeteno spolu s chybovou hláškou. Celej problém dělaly čtyři kondíky za cca 20 kaček. :)
Uživatelský avatar
pavlaxy
Příspěvky: 1885
Registrován: 26. 12. 2007, 11:42
Bydliště: Praha

5. 11. 2015, 12:36

Cizácké kondíky jsou svinstvo...a konstruktéři vyrábí programově kurvítka tím že je dávají vedle horkých součástí :twisted:
Pro přehled uvádím...
Televize 2ks 470M/16V a už chodí
TV 25" 4ks 1500M/25V totéž chodí
Videokarta za cca 10.000,- deset kusů !!!! 1000M/16V a také se vzpamatovala
Základní deska PC docela zajímavá tak 6kusů 3300M/6,3V také jede
PC zdroje ani neuvádím tam záleží i na vstupních elytech a ty jsou drahé že se to nevyplácí-odejde vše...
Elektronika je dnes bída a roztáčet kola spotřeby se musí za každou cenu :cry:
Tomis
Příspěvky: 188
Registrován: 14. 12. 2013, 11:11

5. 11. 2015, 9:43

packa píše:a to ti přestalo fungovat z ničeho nic , nebo jsi dělal nějaký zásah do instalace a od té doby to nejde ? počadí halovek máš správně ?
Ahoj,
Do instalace jsem zásah dělal, vyřadil jsem desku AMC interface board, která by měla zpracovávat vstupní signál. Pořádně jsem nepochopil, proč tam je. Moje doměnka, že chrání motor před nekontrolovatelnými vysokými otáčky, protože je připojena na Velocity monitor OUTPUT na zesilovači. Při nadlimitních otáčkách prostě vypne motor. Dále zprostředkovávala komunikaci s původním řídícím systémem, ten už nemám, takže to nepotřebuji. Měl jsem v úmyslu desku vyřadit a napojit zesilovač přímo na MESU nebo ruční potenciometr jako napětový komparátor dle výše uvedeného obrázku. To mi fungovalo, ale asi tak 2 hodiny. Když jsem desku zpátky připojil, tak to nešlo ani s deskou a házelo to stejné chyby.
Na zesilovači je LED, svítí buď zeleně (vše OK) nebo červeně (NOK). Po zapnutí svítila zeleně tak 7 s, pak zesilovač vypl a LED svítila červeně. Po každém zapnutí / vypnutí se to opakovalo.
Ostatní zapojení je původní, originální, na to jsem nešahal.
Pevně doufám, že jsem to nepoku***l tímto zásahem do instalace já.
Schémata jsou v příloze, pro zajímavost jsem přidal konstrukci BT30 vřetena, může se někomu hodin, jako inspiraci pro vlastní počin.
lubos píše:to že se to točí znamená že halovky jsou ok, pokud by zamíchal pořadím tak by to myslím ve2 případech nešlo vůbec a ve dvou by se to chovalo divně, viz toto video
https://www.youtube.com/watch?v=nVu4FXsKVrs" onclick="window.open(this.href);return false;

takže pokud se to točí tak halovky musí být správně. To že to mění směr mi přijde že to doopravdy je způsobeno vstupem a regulátor si doopravdy myslí že to má doopravdy dělat.
Když se to roztáčí tak to jede do maxima nebo do nějakých nesmyslných otáček? Zkusil bych nejdřív zkontrolovat ten vstup potenciometru případně ho zapojil jen jako jednosměrný a zkusil měřit co z něj do regulace leze a pokud otáčky porostou nekontrolovatelně i když vstupní napětí bude stejné tak je asi ten regl fakt v háji. Měl jsem podle mě stejný regl i s nějakým malý bldc motorem ale už to někde zmizelo v propadlišti dějin. Zkusím se podívat jestli bych nějaký regl na 165V náhodou neměl ale podle mě tam mám jen na 50V.
Zkoušel jsem jednosměrný i obousměrný vstup, stejný výsledek.
Vřeteno se roztoči na cca 500 rpm, nereaguje na změnu na potenciometru, po chvíli, změní smysl otáčení a roztočí se do vysokých otáček cca 8000 rpm, radši ho vypínám aby se neutrhl magnet.
Díky Luboši, 50V je pro mě málo, nevymáčkl bych z toho takový výkon.
Engineer píše:Předloni jsem řešil problém na velkým DC pohonu a dělalo mi to různý podivný věci .... celej problém byl ve vystárlejch elektrolytickejch kondíkách zdroje napětí +/-10V v driveru. Jelikož to máš řízený +/- 10V a chová se ti to divně, tak bych juknul na zdroj tohohle napětí. Multimetr ti neukáže zvlnění, popř. nějaký krátkodobý výpadky, podívej se na to osciloskopem. :wink: Pak ještě mně napadá nějakej studeňák projevující se s vibracema stroje.
Jinak můj problém byl zjednodušeně asi tento ... napětí v budiči DC motoru bylo na referenci +/-10V zvlněný a nějak kolísalo díky tomu začaly kolísat otáčky. Řídící systém dostával ze snímače na motoru informaci o tom, že nejsou dosažený zadaný otáčky a měl snahu to dohonit zvyšováním řídícího napětí na svým výstupu. Následně asi došlo k překročení nějakejch limitních mezí a celý se to sesypalo ... systém se snažil dotahovat otáčky a při určitým levelu ohlásil chybu a vypnul vřeteno spolu s chybovou hláškou. Celej problém dělaly čtyři kondíky za cca 20 kaček. :)
To by mohlo být něco podobného, bohužel Osciloskop nemám, vyschlé elektrolyty mě také napadly, chtěl bych na desce zesilovače postupně všechny vyměnit. Vibrace jsou minimální, to by neměl být problém, zlobí to i bez zatížení stroje.
Jednu divnou věc jsem multimetrem naměřil a to že místo +/-10V co leze ze zesilovače jsem naměřil něco kolem +/-11.6V. Tak nevím. Zkusím na vstup připojit +5V z "palubního" stabilizovaného zdroje, to by mi mělo něco říci. Do teď jsem používal zdroj +/-10V, který je na desce zesilovače.
Schéma 1
Schéma 1
Schéma 2
Schéma 2
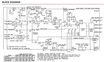
Blokový diagram zesilovače
Blokový diagram zesilovače
Vřeteno 1
Vřeteno 1
Vřeteno 2
Vřeteno 2
Tomis
Příspěvky: 188
Registrován: 14. 12. 2013, 11:11

29. 11. 2015, 9:16

Ahoj,
tak jsem zatím opravu originálního BLDC vřetena položil k ledu. Strávil jsem s tím hodně času, bez výsledku. Asi to prodám na ND někomu, kdo by se tím chtěl zabývat.

Soustředím se teď na nový pohon.
Zkoušel jsem AC servo OMRON Junma 750W.
Subjektivně na stole docela pěkný moment.
Viz videa
10rpm.mp4
4500rpm.mp4
Servo běželo stabilně, i při 4500rpm. Myslel jsem, že mám vyhráno.

Problém nastal, když jsem motor namontoval provizorně na stroj.
Při řemenovém převodu 1/1 vše Oukej. Vřeteno rukou nezastavím. Běží stabilně.
Viz video 1_1_na_stroji.mp4
Při řemenovém převodu do rychla 2/1 však regulační smyčka driveru má tendenci motor rozkmitávat. Pokud povolím řemen a řemen je trochu pružnější, kmitání zmizí, ale řemen je tak volný, že téměř prokluzuje.
Viz video 2_1_na_stroji.mp4

Napadlo mě že rotační hmota na servu už je tak veliká, že to servo nedává, ale je to divný. Servo je možná zkrátka přetížený.
Bohužel tato serva mají jen základní možnost nastavení, rotary switchem. To jsem zkoušel měnit, bez úspěchu.
Další nastavení se dá přes komunikační board, ten však nemám.
Nevíte nějákou radu?
Omlouvám se za kvalitu videa, točeno mobilem.
Díky T.
Testovani_vretena.zip
Videa z testování
(8.46 MiB) Staženo 269 x
Naposledy upravil(a) Tomis dne 29. 11. 2015, 9:37, celkem upraveno 2 x.
lubos
Sponzor fora
Příspěvky: 5116
Registrován: 2. 5. 2007, 3:47
Bydliště: Praha

29. 11. 2015, 9:23

To je prekérka, ono to servo bude chtít pořádně nastavit , jak ho máš řízené? Podle mě když mu nastavíš jen řízení pomocí napětí tak by mu mělo být úplně jedno o kolik ho přibrzdíš. Zkus to víc rozepsat jak to je nastavené.
Pokud by jsi se tohoj původního pohonu chtěl zbavit můžu se na něj podívat, pokud bych ho rozchodil tak bych ti ho vrátil. Pokud ne tak taky, jde jen o to jak na to budu mít čas.
XpertMill, Gravos, Ninos, Galaad
IQ156
-1500Kč, -520Kč, -1čokoláda, - 28000Kč
www.freeair.cz www.rotexelectric.eu www.retrofitcnc.cz
Tomis
Příspěvky: 188
Registrován: 14. 12. 2013, 11:11

29. 11. 2015, 9:51

lubos píše:To je prekérka, ono to servo bude chtít pořádně nastavit , jak ho máš řízené? Podle mě když mu nastavíš jen řízení pomocí napětí tak by mu mělo být úplně jedno o kolik ho přibrzdíš. Zkus to víc rozepsat jak to je nastavené.
Pokud by jsi se tohoj původního pohonu chtěl zbavit můžu se na něj podívat, pokud bych ho rozchodil tak bych ti ho vrátil. Pokud ne tak taky, jde jen o to jak na to budu mít čas.
Ahoj,
je to řízené Step / dir
v linuxcnc
-1250 pulsů / otáčka
-maximální otáčky 4500 rpm
-zrychlení teď z hlavy nevím.

Na driveru jsou dva switche.
- prvním se nastavuje krokování (počet pulsů / otáčka)
- druhým se nastavuje "Settling time", chápu to jako pružnost serva, doba za kterou dorazí do požadované pozice.

Tak to by mi Luboši moc pomohlo. Určitě bysme se na případné odměně dohodli. Mám veškerou dokumentaci, dám Tí jí k dispozici.
Teď to vše leží doma v krabici, připravím to a příští víkend bych to mohl privézt do Prahy.

Sakra, nějak mi nejdou nahrávat obrázky ani videa...
T.
lubos
Sponzor fora
Příspěvky: 5116
Registrován: 2. 5. 2007, 3:47
Bydliště: Praha

30. 11. 2015, 9:03

Podle mě je zásadní problém že se to snažíš řídit step dir a pak tedy při překočení momentu a velkoho skluzu mezi vstupním signálem a enkodérem to dělá neplechu.
Zkus to řídit pomocí 0-10V pak to bude hodné ( jde jen o to zda ti to půjde nastavit). Step dir může být dobré na závitování ale jinak je to podle mě cesta do pekla pokud nemůžeš nastavit pružnější regulační smyčku nebo si s tím nastavení celkově více pohrát.
XpertMill, Gravos, Ninos, Galaad
IQ156
-1500Kč, -520Kč, -1čokoláda, - 28000Kč
www.freeair.cz www.rotexelectric.eu www.retrofitcnc.cz
Tomis
Příspěvky: 188
Registrován: 14. 12. 2013, 11:11

30. 11. 2015, 9:49

Ahoj,
tak tady jsou konečně ty videa, zláštní, dneska mi to jde nahrát. Včera se mi to nepodařilo ani na jiným počítači.
10rpm.mp4
10 rpm
(1.78 MiB) Staženo 345 x
4500rpm.mp4
4500 rpm
(1.83 MiB) Staženo 266 x
1_1_na_stroji.mp4
1 ku 1 na stroji
(1.95 MiB) Staženo 287 x
2_1_na_stroji.mp4
2 ku 1 na stroji - kmitání
(2.93 MiB) Staženo 273 x
Nastavení tvrdosti serva
Nastavení tvrdosti serva
Testovací bench :-)
Testovací bench :-)
Tomis
Příspěvky: 188
Registrován: 14. 12. 2013, 11:11

30. 11. 2015, 10:03

lubos píše:Podle mě je zásadní problém že se to snažíš řídit step dir a pak tedy při překočení momentu a velkoho skluzu mezi vstupním signálem a enkodérem to dělá neplechu.
Zkus to řídit pomocí 0-10V pak to bude hodné ( jde jen o to zda ti to půjde nastavit). Step dir může být dobré na závitování ale jinak je to podle mě cesta do pekla pokud nemůžeš nastavit pružnější regulační smyčku nebo si s tím nastavení celkově více pohrát.
Bohužel analog 0-10V tato serva neumí. Osobně by se mi to také líbilo více, nekradl bych si z Mesy 1Stepgen.
Myslím, že problém bude ale jinde, protože servo se rozkmitá i když linux neposílá žádný signál. Pokud rukou pootočím vřetenem v zastavené poloze, tak se to rozkmitá. Je to pěkně vidět na tom videu.
U převodu 1:1 tento problém není.

Už asi vím odkud vítr vane. Teď trochu teorie
Výrobce doporučuje maximální přípustný momet setrvačnosti zátěže 0,001 kgm2.
Pokud to zjednodušeně zpočítám v mojem případě při 1:1 převodu je moment setrvačnosti poháněných hmot cca 0,0004 kgm2
Při převodu do rychla se však moment setrvačnosti zvětšuje x i x i . To znamená pokud i=2, tak 0,0004*2*2=0,0016 kgm2, což je překročení limitu o 50 procent.
Servo je prostě přetížený při převodu 2:1.
Je to jen teorie.
Uživatelský avatar
robokop
Site Admin
Příspěvky: 23275
Registrován: 10. 7. 2006, 12:12
Bydliště: Praha
Kontaktovat uživatele:

1. 12. 2015, 7:18

pretizeny je nepresne

jestli jsem to pobral spravne servo se najstavuje nejakejma tocitkama nebo co
a i kdyz to das nadoraz tak to nezklidnis
takze ten driver je na prdlacku kdyz jde nastavit jen v tak omezenem rozsahu
vpodstate by ti nevadilo na vretenu mit podstatne volnejsi zpetnou vazbu (kdyby to slo nastavit)
pak by to samozrejme nezlobilo
Vsechna prava na chyby vyhrazena (E)
Tomis
Příspěvky: 188
Registrován: 14. 12. 2013, 11:11

1. 12. 2015, 8:07

robokop píše:pretizeny je nepresne

jestli jsem to pobral spravne servo se najstavuje nejakejma tocitkama nebo co
a i kdyz to das nadoraz tak to nezklidnis
takze ten driver je na prdlacku kdyz jde nastavit jen v tak omezenem rozsahu
vpodstate by ti nevadilo na vretenu mit podstatne volnejsi zpetnou vazbu (kdyby to slo nastavit)
pak by to samozrejme nezlobilo
Ahoj,
ano driver se dá nastavit pouze switchem, čímž se reguluje pouze perioda kmitu , ale nic jiného. Ostatní parametry se nastavit nedají.
Dnes jsem mluvil s technikem z Omronu a ten mi to potvrdil. Sigma 5 serva mají mnohem lepší nastavovací možnosti.
Tam by se, jak píše Robocop toto dalo řešit jiným nastavením...
Takže mám smolíka, buď tam to servo nechám a nebudu využívat maximální otáčky při převodu 2/1 toho vřetena 10000rpm nebo použít jiný pohon.
Při 1/1 to točí 5000 rpm a to se to chová stabilně.

Technik mi zároveň potvrdil, že jak jsem psal výše, tato řada serv dokáže pracovat s max 0,0010 kgm2 rotační zátěží.

T.
Tomis
Příspěvky: 188
Registrován: 14. 12. 2013, 11:11

9. 12. 2015, 8:07

Ahoj,
tak jsem o víkendu testoval dalšího kandidáta na vřetenový pohon a to
Teknomotor 2KW + fm Varispeed F7 3,7kW.
Byl jsem překvapený jaký krouták motor má ve vektorovém režimu už od 5Hz.
Do 5Hz je to horší.
Měl jsem za to, že tyhle VF motory nemají žádný krouťák v nízkých otáčkách, ale opak je pravdou
Motor točí max 18000rpm, bude převod do pomala 1/2 a bude hotovo.
Asi drážkový řemen.

Video z testování zde
https://youtu.be/f4oMQfAb5tk" onclick="window.open(this.href);return false;
Teknomotor 2kW
Teknomotor 2kW
Odpovědět

Zpět na „naše mašinky“