packa píše:a to ti přestalo fungovat z ničeho nic , nebo jsi dělal nějaký zásah do instalace a od té doby to nejde ? počadí halovek máš správně ?
Ahoj,
Do instalace jsem zásah dělal, vyřadil jsem desku AMC interface board, která by měla zpracovávat vstupní signál. Pořádně jsem nepochopil, proč tam je. Moje doměnka, že chrání motor před nekontrolovatelnými vysokými otáčky, protože je připojena na Velocity monitor OUTPUT na zesilovači. Při nadlimitních otáčkách prostě vypne motor. Dále zprostředkovávala komunikaci s původním řídícím systémem, ten už nemám, takže to nepotřebuji. Měl jsem v úmyslu desku vyřadit a napojit zesilovač přímo na MESU nebo ruční potenciometr jako napětový komparátor dle výše uvedeného obrázku. To mi fungovalo, ale asi tak 2 hodiny. Když jsem desku zpátky připojil, tak to nešlo ani s deskou a házelo to stejné chyby.
Na zesilovači je LED, svítí buď zeleně (vše OK) nebo červeně (NOK). Po zapnutí svítila zeleně tak 7 s, pak zesilovač vypl a LED svítila červeně. Po každém zapnutí / vypnutí se to opakovalo.
Ostatní zapojení je původní, originální, na to jsem nešahal.
Pevně doufám, že jsem to nepoku***l tímto zásahem do instalace já.
Schémata jsou v příloze, pro zajímavost jsem přidal konstrukci BT30 vřetena, může se někomu hodin, jako inspiraci pro vlastní počin.
lubos píše:to že se to točí znamená že halovky jsou ok, pokud by zamíchal pořadím tak by to myslím ve2 případech nešlo vůbec a ve dvou by se to chovalo divně, viz toto video
https://www.youtube.com/watch?v=nVu4FXsKVrs" onclick="window.open(this.href);return false;
takže pokud se to točí tak halovky musí být správně. To že to mění směr mi přijde že to doopravdy je způsobeno vstupem a regulátor si doopravdy myslí že to má doopravdy dělat.
Když se to roztáčí tak to jede do maxima nebo do nějakých nesmyslných otáček? Zkusil bych nejdřív zkontrolovat ten vstup potenciometru případně ho zapojil jen jako jednosměrný a zkusil měřit co z něj do regulace leze a pokud otáčky porostou nekontrolovatelně i když vstupní napětí bude stejné tak je asi ten regl fakt v háji. Měl jsem podle mě stejný regl i s nějakým malý bldc motorem ale už to někde zmizelo v propadlišti dějin. Zkusím se podívat jestli bych nějaký regl na 165V náhodou neměl ale podle mě tam mám jen na 50V.
Zkoušel jsem jednosměrný i obousměrný vstup, stejný výsledek.
Vřeteno se roztoči na cca 500 rpm, nereaguje na změnu na potenciometru, po chvíli, změní smysl otáčení a roztočí se do vysokých otáček cca 8000 rpm, radši ho vypínám aby se neutrhl magnet.
Díky Luboši, 50V je pro mě málo, nevymáčkl bych z toho takový výkon.
Engineer píše:Předloni jsem řešil problém na velkým DC pohonu a dělalo mi to různý podivný věci .... celej problém byl ve vystárlejch elektrolytickejch kondíkách zdroje napětí +/-10V v driveru. Jelikož to máš řízený +/- 10V a chová se ti to divně, tak bych juknul na zdroj tohohle napětí. Multimetr ti neukáže zvlnění, popř. nějaký krátkodobý výpadky, podívej se na to osciloskopem.

Pak ještě mně napadá nějakej studeňák projevující se s vibracema stroje.
Jinak můj problém byl zjednodušeně asi tento ... napětí v budiči DC motoru bylo na referenci +/-10V zvlněný a nějak kolísalo díky tomu začaly kolísat otáčky. Řídící systém dostával ze snímače na motoru informaci o tom, že nejsou dosažený zadaný otáčky a měl snahu to dohonit zvyšováním řídícího napětí na svým výstupu. Následně asi došlo k překročení nějakejch limitních mezí a celý se to sesypalo ... systém se snažil dotahovat otáčky a při určitým levelu ohlásil chybu a vypnul vřeteno spolu s chybovou hláškou. Celej problém dělaly čtyři kondíky za cca 20 kaček.

To by mohlo být něco podobného, bohužel Osciloskop nemám, vyschlé elektrolyty mě také napadly, chtěl bych na desce zesilovače postupně všechny vyměnit. Vibrace jsou minimální, to by neměl být problém, zlobí to i bez zatížení stroje.
Jednu divnou věc jsem multimetrem naměřil a to že místo +/-10V co leze ze zesilovače jsem naměřil něco kolem +/-11.6V. Tak nevím. Zkusím na vstup připojit +5V z "palubního" stabilizovaného zdroje, to by mi mělo něco říci. Do teď jsem používal zdroj +/-10V, který je na desce zesilovače.

- Schéma 1

- Schéma 2

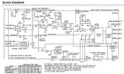
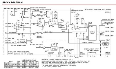
- Blokový diagram zesilovače

- Vřeteno 1

- Vřeteno 2