koncove a referencni spinace v EMC
- sysel
- Příspěvky: 655
- Registrován: 12. 6. 2007, 9:24
- Bydliště: Šenov u Ostravy
- Kontaktovat uživatele:
Tady se řešily optočleny http://www.c-n-c.cz/viewtopic.php?t=2124 a je tam i schéma, případně ti stačí obyčejný mikrospínač....
5/2007 přístup na přestavěnou BF20
5/2009 dokončeno vlastní CNC
http://cnc.usysla.eu/
5/2009 dokončeno vlastní CNC
http://cnc.usysla.eu/
No nejspis takto
1 - +5V
2 - signal k LPT
3 - zem
to by te mel poucit, kamarad "tvurce"
(ja pouzivam pouze jednu optickou branu, ale za ni mam komparacni operak kvuli presnosti a stabilite preklopeni, nuluje mi to s presnosti na 0.005 na BF20L ) Schema a tistak mohu poskytnout pripadnym zajemcum. Pak mam uz navolene pouze soft limity, ktere pracuji v EMC naprosto spolehlive. Pro absolutni ochranu mechaniky, bych u vetsich stroju zvolil za optickym referakem radeji mechanicky spinac zapojeny radeji primo na servo-driver nebo KM-driver pripadne brzdu. Nektery z admins to tu uz doporucoval a je to to nejlepsi jak to zapojit u soft-konroleru, kde se muze splasit (zamrznout) comp. U mensich hoby stroju jsou koncaky u EMC-cka opravdu zbytecne. Soft limity chrani prejezd za kazdych okolnosti a nova verze EMC 2.3 vyzaduje povinne referovat hned po startu (Axis GUI), coz definitivne chrani stroj pred bourackou. ( sverak se nepocita
)
Signal pripojis na nektery z vstupnich pinu LPT (10,11,12,13,15) a EMC ma v startovacim adresari inicializacni hal soubor do ktereho zapises ten pin takto:
net home-x <= parport.0.pin-10-in-not
Toto je pripojeni referencniho spinace na pin c. 10 LPT1, pokud budes chtit zmenit smer kam jede support na spinac umaz na konci zapisu -not Masina bude pak hledat spinac na opacne strane.
Aby jizda na referak vubec zapocala po vyberu osy a zmacknuti Home (nebo Ctrl+Home pro vsechny osy) musis jeste v INI souboru mit jeste navolene hodnoty rychlosti pro danou osu. Jinak reference probehne bez pohybu osy ihned po stisku klavesy.
#hodnota zapsana do osy po referovani
HOME_OFFSET = 0.000000
#rychlost osy k spinaci v mm/s (muze byt i velka kdyz mas jeste za spinacem trochu prostoru pro brzdeni) Neboj nedela chyby jako Mach, spolehlive dobrzdi dle rampy
HOME_SEARCH_VEL = 30.000000
#zpetna rychlost pro sjizdeni ze spinace, kdy dojde k zapisu samotne referencni hrany (doporucuji malou rychlost pro velkou presnost)
HOME_LATCH_VEL = 1.250000
#poradi reference os 0 = referuj jako prvni atd.
HOME_SEQUENCE = 0
Kdyz neco nepochopis z meho chaotickeho popisu, dej vedet
1 - +5V
2 - signal k LPT
3 - zem
to by te mel poucit, kamarad "tvurce"
(ja pouzivam pouze jednu optickou branu, ale za ni mam komparacni operak kvuli presnosti a stabilite preklopeni, nuluje mi to s presnosti na 0.005 na BF20L ) Schema a tistak mohu poskytnout pripadnym zajemcum. Pak mam uz navolene pouze soft limity, ktere pracuji v EMC naprosto spolehlive. Pro absolutni ochranu mechaniky, bych u vetsich stroju zvolil za optickym referakem radeji mechanicky spinac zapojeny radeji primo na servo-driver nebo KM-driver pripadne brzdu. Nektery z admins to tu uz doporucoval a je to to nejlepsi jak to zapojit u soft-konroleru, kde se muze splasit (zamrznout) comp. U mensich hoby stroju jsou koncaky u EMC-cka opravdu zbytecne. Soft limity chrani prejezd za kazdych okolnosti a nova verze EMC 2.3 vyzaduje povinne referovat hned po startu (Axis GUI), coz definitivne chrani stroj pred bourackou. ( sverak se nepocita
Signal pripojis na nektery z vstupnich pinu LPT (10,11,12,13,15) a EMC ma v startovacim adresari inicializacni hal soubor do ktereho zapises ten pin takto:
net home-x <= parport.0.pin-10-in-not
Toto je pripojeni referencniho spinace na pin c. 10 LPT1, pokud budes chtit zmenit smer kam jede support na spinac umaz na konci zapisu -not Masina bude pak hledat spinac na opacne strane.
Aby jizda na referak vubec zapocala po vyberu osy a zmacknuti Home (nebo Ctrl+Home pro vsechny osy) musis jeste v INI souboru mit jeste navolene hodnoty rychlosti pro danou osu. Jinak reference probehne bez pohybu osy ihned po stisku klavesy.
#hodnota zapsana do osy po referovani
HOME_OFFSET = 0.000000
#rychlost osy k spinaci v mm/s (muze byt i velka kdyz mas jeste za spinacem trochu prostoru pro brzdeni) Neboj nedela chyby jako Mach, spolehlive dobrzdi dle rampy
HOME_SEARCH_VEL = 30.000000
#zpetna rychlost pro sjizdeni ze spinace, kdy dojde k zapisu samotne referencni hrany (doporucuji malou rychlost pro velkou presnost)
HOME_LATCH_VEL = 1.250000
#poradi reference os 0 = referuj jako prvni atd.
HOME_SEQUENCE = 0
Kdyz neco nepochopis z meho chaotickeho popisu, dej vedet
to Pupik:
Díky moc, pochopil jsem to nastavení EMC, jen se ještě jednou blbě zeptám kamarád říkal že na UCC mám dát +5V, VCC dát zem a ještě k tomu podle tebe na vstup 1. +5V na vstup 2. LPT a na vstup 3 zem ? Je to tak správně?
Nejsem elektrotechnik tak omluv mé dotazy
Díky moc, pochopil jsem to nastavení EMC, jen se ještě jednou blbě zeptám kamarád říkal že na UCC mám dát +5V, VCC dát zem a ještě k tomu podle tebe na vstup 1. +5V na vstup 2. LPT a na vstup 3 zem ? Je to tak správně?
Nejsem elektrotechnik tak omluv mé dotazy
To PavelZ: Verzi 2.3 si musis stahnout ze serveru LinuxCNC.org CVS systemem (system pro teamovy vyvoj systemu) a zkompilovat na sve LINUX masine, kompletni postup je na serveru.
To AcemanLB: Ano, tady nejde o galvanicke oddeleni. Tim prvnim napajenim pouze zivis infra ledky v tech optickych branach. To moje napajeni vytvari logickou 1/0 pro LPT port.
To AcemanLB: Ano, tady nejde o galvanicke oddeleni. Tim prvnim napajenim pouze zivis infra ledky v tech optickych branach. To moje napajeni vytvari logickou 1/0 pro LPT port.
- Zdenek Valter
- Příspěvky: 5460
- Registrován: 9. 1. 2009, 5:16
- Bydliště: Ústí n. L.
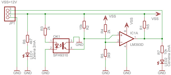
Nechci rejpat ale to schema máš blbě ! Takhle by to nefungovalo.Pupik píše:Tady je ten muj opto-koncak pro pripadne zajemce. Funguje spolehlive. Opticka brana pouzita napr. ze starych disketovych 5,25" mechanik nebo v GM
Tranzistor v SFH 9310 je NPN a nemůže být zapojen takhle.
Máš prohozený vývody.
Na plošňáku to máš samo dobře.
Jukni na obr.
No jasne
Tistak musim byt dobre jinak by mi to preci nefungovalo
Diky za upozorneni, jsem rad ze to tady nekdo cte 
- Zdenek Valter
- Příspěvky: 5460
- Registrován: 9. 1. 2009, 5:16
- Bydliště: Ústí n. L.
No možná je to proto, že si myslím, že analogové obvody známPupik píše:No jasneTistak musim byt dobre jinak by mi to preci nefungovalo
Diky za upozorneni, jsem rad ze to tady nekdo cte
No ale ukázalo se, že si to možná jen myslím
Odpovídal jsem AcemanLB s tím ,že by mo to zapojení nefungovalo a já trubka si neuvědomil, že to LTH je optozávora, tak jsem ho hnedka smazal.
Jen doplním že Tvoje a AcemanLB zapojení fungují obráceně
- Tvoje při zaclonění dává logickou 1
- AcemanLB při zaclonění dává logickou 0
V příponě modifikace zapojení od AcemanLB i pro LOG 1
Pochopitelně toto zapojení jsem neověřoval.
A ještě jeden dotaz, musí mi to dávat LOG 0 nebo může být LOG1 s tím že se to někde v EMC přenastaví?
priklad: (nastaveni pro osu x, LPT1 a pin 10)
net home-x <= parport.0.pin-10-in
net home-x <= parport.0.pin-10-in-not #pro negovany signal
(je to v jednom ze souboru HAL)
pozor zmenou se otoci i smer hledani spinace, ten se pak spravne ridi znamenkem v parametrech:
HOME_SEARCH_VEL = 30.0 (pro opacny smer zmenit na -30.0)
HOME_LATCH_VEL = 1.25 (pro opacny smer zmenit na -1.25)
(je to v souboru INI pro kazdou osu zvlast)
Dlouho jsem to mel naopak (vysledek je totozny
) Chce si to s tim chvili hrat a clovek to rychle pochopi 
net home-x <= parport.0.pin-10-in
net home-x <= parport.0.pin-10-in-not #pro negovany signal
(je to v jednom ze souboru HAL)
pozor zmenou se otoci i smer hledani spinace, ten se pak spravne ridi znamenkem v parametrech:
HOME_SEARCH_VEL = 30.0 (pro opacny smer zmenit na -30.0)
HOME_LATCH_VEL = 1.25 (pro opacny smer zmenit na -1.25)
(je to v souboru INI pro kazdou osu zvlast)
Dlouho jsem to mel naopak (vysledek je totozny
Tak dnes ráno ve 2:00 jsem poprvé dokoval pomocí referenčních snímačů a teda je to SUPEEEER 
pouzite emv z CVS navod na stiahnutie a kompilaciu najdete na strankach linuxcnc.org.PavelZ píše:Kde se dá stáhnout verze 2.3 ? Ta nejnovìjší v downloadu na linuxcnc.org je 2.2.8.Pupik píše:i a nova verze EMC 2.3 vyzaduje
velmi v rychlosti popis ako na to:
vytvorte si nejaky adresar kde s tym budete experimentovat, presunte sa do neho a zadajte:
cvs -z5 -d:ext:anon@cvs.linuxcnc.org:/cvs co -dtrunk emc2
toto vam stiahne zdrojak
potom to skompilovat ..
cd trunk/src;./configure --enable-run-in-place ;make
spustit:
source ~/emc2/source/trunk/scripts/emc-environment;emc
Pokial vam toto pojde . je vhodne si to est eraz skompilovat ak debian balicek (zacnite od zacaitku ale fazu kompilovania nahradte napr takto:
cd trunk/src; debuild
Samozrejme musite mat nainstalovane kompletne vyvojove prostredie. Pripadne konkretne probs rad skonzultujem.