Objímka hlavně

Požadavky na výrobu dílů - poptávkové fórum
Pravidla fóra
Toto forum vyzaduje schvaleni prispevku moderatorem.
Odpovědět
Bury
Příspěvky: 1
Registrován: 9. 2. 2009, 7:51

9. 2. 2009, 7:59

Zdravím,
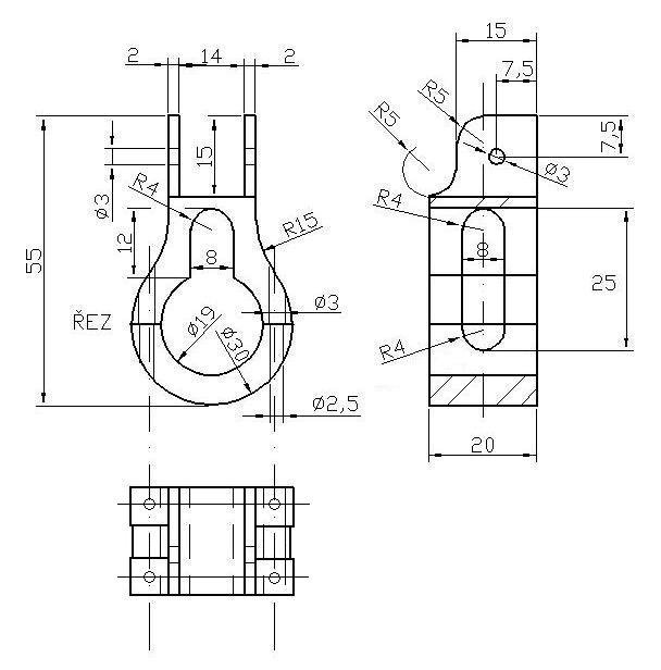
Potřeboval bych vyfrézovat tuto základnu mířidla pro mou zbran (airsoft)
Materiál:dural
zde má m výkres celé základny.Hledám co nejlevější řešení
mnohokrát děkuji
Přílohy
zakladna-opravene.jpg
TomasBroz
Příspěvky: 21
Registrován: 7. 1. 2009, 9:41
Bydliště: Ústí nad Labem
Kontaktovat uživatele:

12. 2. 2009, 5:40

Ahoj, kdybys nikoho poblíž nesehnal, vyrobíme to.
Mám jen CNC, pro jeden kus to není určitě vhodná technologie vzhledem k ceně.
CNC obrábění, broušení 3000x500.
Odpovědět

Zpět na „Potřebuji vyrobit - vypomoc pri vyrobe“