Drevena CNC frezka

fotky našich strojů, aneb co máme doma
Lify
Příspěvky: 1479
Registrován: 14. 1. 2016, 4:33

21. 3. 2016, 10:43

Fifík píše:
Lify píše:
slezak77 píše:To byla prd..(sranda) že ano? :shock:
prvni videa z chodu:
https://youtu.be/aPqRWc-AnOU" onclick="window.open(this.href);return false;
https://youtu.be/1o67Uesov5s" onclick="window.open(this.href);return false;
https://youtu.be/UShfIVc-ob0" onclick="window.open(this.href);return false;
videa jsem viděl ,ale zajímá mě jestli dělal třeba plast nebo něco jiného než dřevo
Normálně valí padesátkou kukuřicí do železa. :lol:
Fakt jo ? na co jsou ty železné mašiny,když dřevo dokáže železo :D :lol: :lol: :lol: :lol: :lol: :lol: :lol: :lol: :lol:
Šikovnej nerozhodnej trpaslík
Věčný tazatel
tompa
Příspěvky: 20
Registrován: 8. 11. 2013, 5:06

22. 3. 2016, 7:40

Tohle byl prvni a zatim jediny vyrobek, teslapunkova solnicka. Bukova preklizka.
Přílohy
IMG_20160316_185426.jpg
Uživatelský avatar
slezak77
Příspěvky: 1145
Registrován: 1. 6. 2012, 6:45

22. 3. 2016, 9:36

Fantazii se meze nekladou. Geniální.
Lify
Příspěvky: 1479
Registrován: 14. 1. 2016, 4:33

24. 3. 2016, 10:16

Co máš za tyče 25 nebo 30 mm ?
Jak je to s výkyvy bočních stran ? máš ?
Šikovnej nerozhodnej trpaslík
Věčný tazatel
Uživatelský avatar
Thomeeque
Příspěvky: 9526
Registrován: 30. 1. 2012, 10:20
Bydliště: Mimo ČR

24. 3. 2016, 10:33

Lify píše:Co máš za tyče 25 nebo 30 mm ?
Lify, než zas všechno přehodnotíš, je to vždy třeba vztahnout k rozjezdům jednotlivých os (a tomu, co ty tyče nesou)..
mimooborová naplavenina • kolowratský zázrak™ • NPS • GCU • HirthCalc • ncDP.ino
tompa
Příspěvky: 20
Registrován: 8. 11. 2013, 5:06

24. 3. 2016, 11:16

Tyce prumer 20mm, delka 500mm, Zko 300mm. Vykyvy naprosto neznatelne oproti starsimu strojecku s 8mm tycema 300mm dlouhyma a 8,5mm tlustou preklizkovou konstrukci.
Lify
Příspěvky: 1479
Registrován: 14. 1. 2016, 4:33

25. 3. 2016, 10:27

tompa píše:Tyce prumer 20mm, delka 500mm, Zko 300mm. Vykyvy naprosto neznatelne oproti starsimu strojecku s 8mm tycema 300mm dlouhyma a 8,5mm tlustou preklizkovou konstrukci.
Fakt ? já nejspíš budu mít podobný délky X Y a rozhoduji se mezi 20,25,30
Šikovnej nerozhodnej trpaslík
Věčný tazatel
tompa
Příspěvky: 20
Registrován: 8. 11. 2013, 5:06

29. 3. 2016, 11:32

Hledac stredu
Přílohy
hs50_3.JPG
hs50_2.JPG
hs50_1.JPG
Lify
Příspěvky: 1479
Registrován: 14. 1. 2016, 4:33

4. 9. 2016, 6:30

Mohl bys mi vyfotit ložiskové domky na ložiska :) díky
Šikovnej nerozhodnej trpaslík
Věčný tazatel
Uživatelský avatar
Cjuz
Příspěvky: 2466
Registrován: 17. 2. 2013, 6:27
Bydliště: Předklášteří
Kontaktovat uživatele:

4. 9. 2016, 8:19

Na tom videu to je takové šmrdlání, myslím že má mašinka na mnohem větší akci.
Jak bylo zmíněno, jel bych taky pomaleji a mnohem větší hloubku. Počítám že bude i hezčí povrch.

Ono často opatrností člověk spíše ničí nástroje (moje zkušenost). Je vhodné snažit se co nejvíce přiblížit správným podmínkám nástroje.
Až budeš zkoušet dural (a že k tomu dojde :) ), platí to o to víc.

Jinak palec nahoru.
Na konci poznávacího procesu je omyl zcela vyvrácen a my nevíme nic. Zato to víme správně.
mrchar76
Příspěvky: 175
Registrován: 14. 5. 2014, 8:29
Bydliště: Čáslav

19. 9. 2016, 8:47

Mas to moc pekny.
Jen jedno upozorneni, ty spojky mezi motorem a sroubem ti prasknou....
tompa
Příspěvky: 20
Registrován: 8. 11. 2013, 5:06

3. 11. 2016, 8:19

Chvili jsem tu nebyl, tak posledni prispevky jsem kapanek vynechal. Fota jsou i na videu zde: https://www.youtube.com/watch?v=wYetC7yztqo" onclick="window.open(this.href);return false;
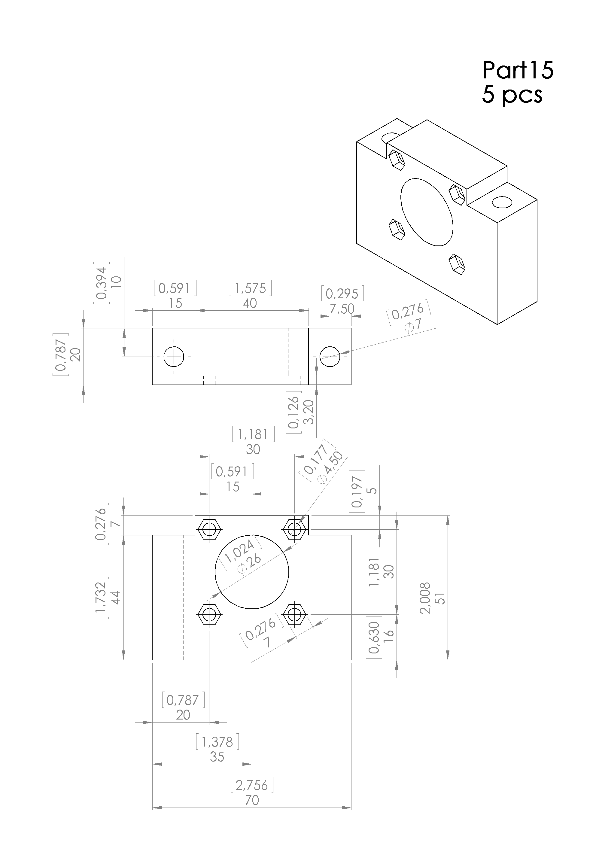
Muzu vedet duvod toho praskani spojek at vim co s tim? Jo a vykresy bych prodaval za lidovou cenu 75kc ($3 na paypalu) ve formatu viz prilohy. Frezovat se snad aspon trochu naucim.
Přílohy
Assembly_X_and_Y_Axis_exploded.PNG
Part15.PNG
karelsklo
Příspěvky: 1470
Registrován: 19. 4. 2013, 8:35

4. 11. 2016, 12:01

Ahoj,pěkná mašinka i solnička... :) Hledač středu si plánuju vyrobit už asi 2 roky a furt jaksi není čas.
Uživatelský avatar
picom
Příspěvky: 2338
Registrován: 11. 8. 2006, 2:07
Bydliště: Praha

4. 11. 2016, 3:37

Hledač středu jsem kdysi koupil v Unimaxu, ale ten tvůj bude určitě přesnější .

Máš to profesionálně vyrobný
Uživatelský avatar
Thomeeque
Příspěvky: 9526
Registrován: 30. 1. 2012, 10:20
Bydliště: Mimo ČR

4. 11. 2016, 4:17

Jakej smysl mají ty (14)-ky, proč ne menší ložiska?
mimooborová naplavenina • kolowratský zázrak™ • NPS • GCU • HirthCalc • ncDP.ino
Odpovědět

Zpět na „naše mašinky“