Co jste dneska bastlili? Vytvareli....

Odpovědět
prochaska
Sponzor fora
Příspěvky: 8445
Registrován: 16. 7. 2006, 12:33
Bydliště: Praha Bohnice + Roudnice nad Labem
Kontaktovat uživatele:

2. 4. 2018, 11:51

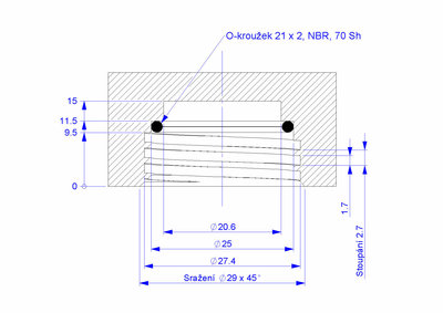
Takovýhle špunt jsem jednou dělal, protože ten původní polyethylenový nevydržel vyšší namáhání. Zjednodušil jsem ho, aby to šlo snadno vyrobit, viz výkres. Dělal jsem to z POM. Závit je nakreslený jako plochý, ale protože jsem ho nakonec frézoval malou kotoučovou frézou, trochu se při tom "ztrapézovatěl", ale to jsem už ve výkrese nezohlednil :-) Pokud někomu pomůže model, klidně pošlu.
Přílohy
spunt.JPG
Aleš Procháska
echt
Příspěvky: 748
Registrován: 21. 5. 2013, 8:58
Bydliště: vysočina

2. 4. 2018, 5:08

zase trocha bastleni ...
- ke svěráku : boční podložka do T drážky + stavitelný (stranově/délkově) boční doraz do T drážky
- světýlko k vřetenu
Přílohy
snap013.jpg
snap012.jpg
novic
Příspěvky: 1839
Registrován: 19. 10. 2014, 10:30

2. 4. 2018, 9:48

to svetlo je luxus :P
Cash Rules Everything Around Me
C.R.E.A.M
Uživatelský avatar
shaolin
dezinfo trol
Příspěvky: 1268
Registrován: 11. 9. 2011, 7:17

3. 4. 2018, 7:32

Ozaj to svetlo je parádička ... už tiež slabšie vidím na vŕtanie a toto by sa mi zišlo.
To že niekto nerozumie tomu čo píšem, neznamená že som troll :)
Uživatelský avatar
shaolin
dezinfo trol
Příspěvky: 1268
Registrován: 11. 9. 2011, 7:17

3. 4. 2018, 7:38

Pár doplnkov k hydraulickému lisu ... ručne rezané plazmou ... viem že to nieje zázrak strojáriny, ale tá radosť z vlastnoručne vykonanej práce ... :)
Přílohy
20180402_211951.jpg
To že niekto nerozumie tomu čo píšem, neznamená že som troll :)
mikiki
Příspěvky: 771
Registrován: 5. 1. 2011, 4:33
Bydliště: Vysočina

3. 4. 2018, 8:49

Potřeboval jsem nějaké světlo k frézce a při nákupu reflektorů mi dali navíc jeden 10W, tak se mi docela hodil.
Přílohy
IMG_1720.jpg
Uživatelský avatar
Pepa z depa
Příspěvky: 1780
Registrován: 2. 12. 2012, 9:31
Bydliště: Hostěradice (Znojemsko)

3. 4. 2018, 11:35

.. taky tam mám tenhle typ 10W LED "halogen" z čajny za půl sta :D a naprosto spokojenej
Žiju abych tvořil, tvořím abych žil. www.PePeSysel.cz
máša: vřeteno voda 1,5kW, měnič Delta, 2Nm 3f 60V krokáče, Yako drivery, lineáry a kuličkáče Hiwin,
vynikající Gravos GVE-64 na 125kHz, rám 8mm ocel vylita plastbetonem, vše na masivním litinovém stole.
Uživatelský avatar
Pepa z depa
Příspěvky: 1780
Registrován: 2. 12. 2012, 9:31
Bydliště: Hostěradice (Znojemsko)

3. 4. 2018, 2:26

Lify píše:
Pepa z depa píše:jde stáhnout 3D model PET uzávěru a z toho si ten závit "vykuchej" nebo jestli je to redukce mezi PET závit a sifónovač Sodastream, tak to někde je 3D model přímo, kamarád mi to tisknul na 3D tiskárně, kdyžtak se můžu zeptat, kde vzal model
Tady máš odkazy https://www.thingiverse.com/thing:1953920" onclick="window.open(this.href);return false; https://www.thingiverse.com/thing:1200505" onclick="window.open(this.href);return false; Ten druhý vypadá líp
.. jóó, díky - to je přesně ono, ten první mám na stole :D .. a z toho si vem ten závit a nemusíš nic kreslit, pasuje na 100% osobně odzkoušen ;)
Žiju abych tvořil, tvořím abych žil. www.PePeSysel.cz
máša: vřeteno voda 1,5kW, měnič Delta, 2Nm 3f 60V krokáče, Yako drivery, lineáry a kuličkáče Hiwin,
vynikající Gravos GVE-64 na 125kHz, rám 8mm ocel vylita plastbetonem, vše na masivním litinovém stole.
lapa
medaile za lepsi forum
Příspěvky: 3012
Registrován: 6. 5. 2009, 7:18
Bydliště: Praha

3. 4. 2018, 9:33

novic píše:to svetlo je luxus :P
Jenom pozor na to, aby se svetlo pohybovalo soucasne se "spickou vysunovaneho nastroje" - takove podobne jsem si zbastlil asi pred rokem na vrtacku, ale bylo pevne nahore a jak jsem vysouval vrtak, tak mi sklicidlo postupne zastinilo prave to, co jsem potreboval videt - kontakt spicky vrtaku s materialem.
Takze nakonec jsem dal 2 svetla sikmo zboku (asi pod uhlem 45 st.), asi ve vysce zacatku "pinoly" (pokud se to tak jmenuje na vrtacce), upevneno na "noze/sloupu" vrtacky a sviti to uzasne. Navic takova ta hodne tepla bila (skoro lehce oranzova) - takova pohodicka i psychologicky :-).
Kostka těžko vysvětlí úsečce, natož bodu, že život má i jiné dimenze než má ten jejich ...
Monteg
Příspěvky: 1514
Registrován: 30. 10. 2006, 5:37
Bydliště: LOUNY

6. 4. 2018, 12:24

Pepa z depa píše:
Monteg píše: Sam
Je to odměřené podle rozebrané karty - chladiče
.. hustý, mám taky v plánu, tak jsem tajně doufal, že jsi objevil nějaký zdroj :D
Mám z toho trochu fedry, že netrefím všechny paměti (X,Y) a právě různé výšky hlavního
čipu a těch VRAM (Z), uvidíme .. budeš dávat pastu a na VRAM pásky, nebo jen pastu?
Tak zase kousek hotovej
Ono stejně se není čeho moc chytit měl jsem v ruce asi 3 karty na měření a výšky jsou u každé karty úplně jinak +/- 0.1mm no problémo proto tam dávají ty pásky
A pokud jde o díry tak každej výrobce to má jinak řešené někdo má chladič na 10 šroubech někdo na 6 takže ani toho se nedá chytit
Přílohy
IMG_20180406_130109.jpg
havelaircraft
Příspěvky: 397
Registrován: 7. 5. 2014, 9:04

8. 4. 2018, 6:00

Gravírování popisků do palubní desky pro známého
Přílohy
A669948C-FC40-4B7C-8C7F-DB0A4B55B2F3.jpeg
Uživatelský avatar
shaolin
dezinfo trol
Příspěvky: 1268
Registrován: 11. 9. 2011, 7:17

9. 4. 2018, 10:30

Trochu radosti pre deti ... pár hodinový projekt spolu so synom (4r.) Ešte nejakú sedačku a krytovanie ...ale aj tak sa na tom vozili celý deň. Prepínač na spiatočku na volante :)
Přílohy
20180407_182304.jpg
To že niekto nerozumie tomu čo píšem, neznamená že som troll :)
chb
Příspěvky: 3899
Registrován: 12. 3. 2013, 7:24
Bydliště: Havl. Brod

9. 4. 2018, 10:53

suším ve sklepě starou dětskou autosedačku - poměrně velkou a masivní - nechcete to někdo na podobné vozítko. Do popelnice ji hodit mi přijde škoda
Víťa - BF20 - upraveno na CNC + Mach3 + SS, soustruh CJM250, MK3 Průša, ostřička nástrojů
Uživatelský avatar
Pepa z depa
Příspěvky: 1780
Registrován: 2. 12. 2012, 9:31
Bydliště: Hostěradice (Znojemsko)

9. 4. 2018, 10:57

pěkné to máš, to my jsme neměli motor a museli káry tahat na kopec, ale i tak to byla prča
Žiju abych tvořil, tvořím abych žil. www.PePeSysel.cz
máša: vřeteno voda 1,5kW, měnič Delta, 2Nm 3f 60V krokáče, Yako drivery, lineáry a kuličkáče Hiwin,
vynikající Gravos GVE-64 na 125kHz, rám 8mm ocel vylita plastbetonem, vše na masivním litinovém stole.
mrchar76
Příspěvky: 175
Registrován: 14. 5. 2014, 8:29
Bydliště: Čáslav

9. 4. 2018, 11:38

Taky jsme tahali do kopce a rvali se kdo bude ridit....

Nevidim tam brzdu, pedal jo ... dodelej ji, opravdu se obcas hodi co si pamatuju

A volant, pouzivali jsme velkou remenici z pracky a na dalsim "stroji" uz byl volant ze skodovky omotanej kuzi, prevodka na rizeni z lanka co se motalo na tyc, odpruzena sedacka, bamtamky od vojaku z letiste, motor z pincka a kotoucova brzda....

Jo to byly casy.... dneska si koupis ctyrkolku... ach jo
Odpovědět

Zpět na „výrobky a obrobky“