Mám strojek pro ČSN 22 0432,.... a však DIN 69 871 jsou nástroje rozšírenejší více by se me tedy hodilo používat je, nebo nejlíp oboji součastne jestli to lze. používate to nekdo tak (asi záleží od ramena výmeníku) ?
Otázka 2, má ČSN 22 0432 zahraniční obdobu ? Nebo je to jenom výplod komoušu ?
DIN 69 871 vs ČSN 22 0432
-
prochaska
- Sponzor fora
- Příspěvky: 8445
- Registrován: 16. 7. 2006, 12:33
- Bydliště: Praha Bohnice + Roudnice nad Labem
- Kontaktovat uživatele:
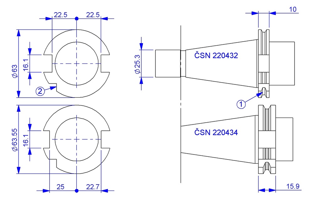
Je to tak, že ČSN 220430 popisuje stopku s kuželem 7:24 pro ruční výměnu,
ČSN 220432 ji upravuje pro automatickou výměnu (je doplněn zápich 1 a zářez 2).
Obě normy jsou už zrušené. ČSN 220430 je nahrazená ISO 297 (ekvivalent DIN 2080),
ČSN 220432 ekvivalent ISO ani DIN nemá a je zrušená bez náhrady s tím, že pro nové
konstrukce se má používat ČSN 220434, která je též zrušená a je nahrazená ISO 7388-1
(ekvivalent DIN 69871).
Srovnání obou norem na které se ptáš je v náčrtku, trochu se liší, ale pro ruční výměnu
by to tam asi šlo nějak nabouchat
ČSN 220432 ji upravuje pro automatickou výměnu (je doplněn zápich 1 a zářez 2).
Obě normy jsou už zrušené. ČSN 220430 je nahrazená ISO 297 (ekvivalent DIN 2080),
ČSN 220432 ekvivalent ISO ani DIN nemá a je zrušená bez náhrady s tím, že pro nové
konstrukce se má používat ČSN 220434, která je též zrušená a je nahrazená ISO 7388-1
(ekvivalent DIN 69871).
Srovnání obou norem na které se ptáš je v náčrtku, trochu se liší, ale pro ruční výměnu
by to tam asi šlo nějak nabouchat
Aleš Procháska
SK má jednu drážku pro unášecí kamen ve vřetenu jinou je několik možností jak ten trn upnout do iso vřetena buď-to upravíš kamen, nebo ho odšroubuješ, ale to bych nedoporučoval a nebo drážku v každém sk kuželu prohloubíš
Gdyž sa chce, tak ide fšecko...