Rádlování

obrabeni na klasice
Uživatelský avatar
stanik84
Příspěvky: 2640
Registrován: 3. 8. 2016, 9:29

9. 8. 2019, 5:08

Jsem sice taky odtud, ale jsem často na Moravě, Plzni a ve Strakách jsem taky bydlel... Tak už jsem takovej fiklej plzeňským tuto, po Moravsky moja, švica atd...
seda8
Příspěvky: 45
Registrován: 28. 4. 2019, 7:51
Bydliště: Praha 8

13. 8. 2019, 6:29

Tom Dvk píše: 8. 8. 2019, 5:49 Taky se mi to u těch malých průměrů občas "nepotká" a taky občas se nevyhnu navrtání a podepření koněm jen kvůli tomu rýhování. Mám taky držák vidličku. Zkus ten průměr stáhnout o cca 0.2 a pak rýhovat, ono to na těch +-12 nabyde a možná už se ti vzor krásně potká.
Taky jsem s rádlováním měl problém - s tím "potká/nepotká" tak jsme to vyřešili v Excelu a tady to je zjednodušené ve Wordu. Mám to zalaminované v dílně a mám klid. Potká se mi to vždy.
1. řádel je "stoupání koleček"
řádky po tím jsou potkávací půměry
tabulka rádlování.doc
(273 KiB) Staženo 512 x
zverodoktor
Příspěvky: 3657
Registrován: 3. 6. 2007, 9:49
Bydliště: Bratislava

13. 8. 2019, 9:58

Pridám nejaké múdra o rádlování od susedov.
knurls-and-knurling-tech-data-master.pdf
(1.6 MiB) Staženo 646 x
SU32, MN80, FN25, ISEL4433, Jakobsen SJ25, N1, VS16, Anycubic Kossel
milan584
Příspěvky: 2126
Registrován: 12. 5. 2009, 2:17
Bydliště: na jihu

14. 8. 2019, 5:32

stanik84 píše: 9. 8. 2019, 4:37 Milane, je asi logický, ze to nebudu dělat z roxoru nebo 11375, ale třeba z dostupné 12050. Psal jsem o frezování, ne o kalení i brouseni. Pec už mám mimo jiné taky domluvenou, takže na výrobu asi úplně všechno budu mít doma v dílně. Vy u těch Strakonic, pokud si Tě s někým nepletu, jste nějaký rýpavý - mám tam ségru...

A kolečka jsem psal, ze bych koupil, ne vyrabel, nejsem sebevrah a nemám zas tolik času.
Můžeš si to dělat z čeho chceš.
Ta hlava je natolik složitá, že za půl dne to je v kusovce naprosto neyrobitelné - typické "kecy v kleci" jako na internetu.
Navíc ta hlava musí být udělaná velmi dobře (stačí :mrgreen: aby chodila cca jako běžná vyvrtávací hlava), protože musí jít naprosto přesně nastavovat. Ono totiž díky tomu, že to neválcuje, ale řeže, tak jakákoli chyba v nastavení vlastní hlavy (polohy - geometrie koleček) je okamžitě vidět.
Navíc ty kluzné ložiska (ty osazené opěrky) v ní silně trpí, takže musí být tvrdé a broušené.
Takže laskavě si ty inteligentní poznámky nech do doby, než tu hlavu za ten půlden :roll: skutečně vyrobíš, a bude opravdu fungovat.
milan584
Příspěvky: 2126
Registrován: 12. 5. 2009, 2:17
Bydliště: na jihu

14. 8. 2019, 5:36

Zdenek Valter píše: 9. 8. 2019, 4:42
picom píše: 9. 8. 2019, 8:14 Tady je to popsané
https://www.octopustools.com/integi/REZNE_RADLOVANI.php
Je tu ještě nějaký další dodavatel?
Rád bych si časem pořídil další kolečka 10x4x4 AA 0,3 dá se to případně sehnat i někde jinde levněji než 500 plus DPH?
Původní výrobci byli Quick a Zeus - Quick už není, všechno ostatní je podle mě akorát přeprodané, nebo problematická kvalita.
Ty kolečka se normálně používají rychlořezná, SK jenom na některé materiály, protože je vylámat, jde docela snadno.
A na oceli jsou ty kolečka spotřební věc.
Uživatelský avatar
kenybz
Příspěvky: 3353
Registrován: 16. 2. 2015, 11:16

14. 8. 2019, 6:02

s tím držákem se rádluje nerez trubka o průměru asi 60mm a prvních 0,5mm je bez rádlování, pak 8mm rádlovaný povrch pak 8mm leštěný povrch a zase 8mm rádlovaný a 05 bez je to pohledový díl na luxusní výrobek, takže je tam značný nárok na kvalitu povrchu. Na omak to nesmí být ostré atd. Ze začátku se to dělalo na R5-ce ve speciálním upínači a pak na HI-18 to už bylo dokonalé a jeden kus jak druhý fotku dát nemůžu.
No a pokud to stojí "jen" 14 tisíc a potřebuju to, tak si to radši koupím. Abych to mohl vůbec nějak rozumě nakreslit, tak bych musel držák rozebrat a změřit přesně úhly a vyosení těch válečků....no nevím nevím.
Gdyž sa chce, tak ide fšecko...
milan584
Příspěvky: 2126
Registrován: 12. 5. 2009, 2:17
Bydliště: na jihu

14. 8. 2019, 6:22

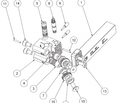
ještě pro ilustraci - rozstřel toho držáku, co staník84 z 12050 vyrobí za půl :mrgreen: dne.
040.png
Britt
Příspěvky: 1830
Registrován: 8. 5. 2019, 5:36

14. 8. 2019, 7:08

Mašinka je to pěkná, ale na domácí šmoulení to nemá význam. Kdo se tím živí, ten si ho koupí a nám ostatním musí stačit ty obyčejné. :D
Uživatelský avatar
robokop
Site Admin
Příspěvky: 23266
Registrován: 10. 7. 2006, 12:12
Bydliště: Praha
Kontaktovat uživatele:

14. 8. 2019, 7:11

tvl co bys na tom delalpul dne
to musis mit za 5 minut hotovy i s povrchovkou :-D
Vsechna prava na chyby vyhrazena (E)
Uživatelský avatar
tumlik
Sponzor fora
Příspěvky: 3821
Registrován: 19. 12. 2007, 8:20
Bydliště: já su z Moravskej :-)
Kontaktovat uživatele:

14. 8. 2019, 7:27

robokop píše: 14. 8. 2019, 7:11 tvl co bys na tom delalpul dne
to musis mit za 5 minut hotovy i s povrchovkou :-D
to je fakt, hlavně ten dvojitý levopravý šnek a natáčecí lůžka je laláč, "AŽ BUDU MÍT ČAS" jdu na to :D :D
http://www.tumlikovo.cz/
Popularizační web nástrojařství a kovoobrábění
milan584
Příspěvky: 2126
Registrován: 12. 5. 2009, 2:17
Bydliště: na jihu

14. 8. 2019, 8:12

tumlik píše: 14. 8. 2019, 7:27
robokop píše: 14. 8. 2019, 7:11 tvl co bys na tom delalpul dne
to musis mit za 5 minut hotovy i s povrchovkou :-D
to je fakt, hlavně ten dvojitý levopravý šnek a natáčecí lůžka je laláč, "AŽ BUDU MÍT ČAS" jdu na to :D :D
Hlavně si všimni, že ten pravolevý šnek a ty kola musí "vyjít" - tj. základní poloha vytočení těch koleček do prostoru musí být přesně souměrná - tj. ty kola musí odvalit vůči tomu vykloněnému čelu čepu přesně úhlově správně a ten pravolevý šnek musí být axiálně taky přesně - protože jinak to pak rádluje nesouměrně a ničím to už nijak nedoženeš.
Prostě ten držák, to je výrobní "zkxxxxxna" :roll: prvního stupně.
Uživatelský avatar
robokop
Site Admin
Příspěvky: 23266
Registrován: 10. 7. 2006, 12:12
Bydliště: Praha
Kontaktovat uživatele:

14. 8. 2019, 8:16

Zcela vazne
Ja bych v tom hledal snahu to cinanovi opeprit pri kopirovani. A soucasne na spec. drahe masine to pujde asi i vyrobit levne.
Vsechna prava na chyby vyhrazena (E)
Uživatelský avatar
tumlik
Sponzor fora
Příspěvky: 3821
Registrován: 19. 12. 2007, 8:20
Bydliště: já su z Moravskej :-)
Kontaktovat uživatele:

14. 8. 2019, 8:21

milan584 píše: 14. 8. 2019, 8:12
Hlavně si všimni....................................
Prostě ten držák, to je výrobní "zkxxxxxna" :roll: prvního stupně.
právě že všiml, proto jsem to psal tučně v uvozovkách :D
http://www.tumlikovo.cz/
Popularizační web nástrojařství a kovoobrábění
milan584
Příspěvky: 2126
Registrován: 12. 5. 2009, 2:17
Bydliště: na jihu

14. 8. 2019, 8:27

robokop píše: 14. 8. 2019, 8:16 Zcela vazne
Ja bych v tom hledal snahu to cinanovi opeprit pri kopirovani. A soucasne na spec. drahe masine to pujde asi i vyrobit levne.
Můžeš zkusit vymyslet jak to synchronní natáčení těch čepů (s požadovanou přesností) udělat jednodušeji a lépe (levněji).
Být první, zjevně není složité.
Uživatelský avatar
kenybz
Příspěvky: 3353
Registrován: 16. 2. 2015, 11:16

14. 8. 2019, 8:32

normáka hokus pokus dva samostatné šneky podložky pod kolečka a marska zmetků než ti dojde že to fungovat nebude :) Je to prostě moc náročné uplně na všechno a i kdyby si to někdo oklepal na 3d a použil všemožné měřidla a měl bys patřičné strojí vybavení tak to napoprve neuděláš i kdyb ses po..jinak by to vyráběl kde kdo...včera jsem mohl nafotit detail toho tvaru zoubků bez toho taky nic a to je každé kolečko jiné a nesmí se po otupení, či poškození otáčet. to už jeden obráběč zkusil a byla z toho ta marska zmeťárů
Naposledy upravil(a) kenybz dne 14. 8. 2019, 8:41, celkem upraveno 2 x.
Gdyž sa chce, tak ide fšecko...
Odpovědět

Zpět na „konvencni obrabeni“