Poptavka na par kousku zavitovych vlozek

Požadavky na výrobu dílů - poptávkové fórum
Pravidla fóra
Toto forum vyzaduje schvaleni prispevku moderatorem.
Odpovědět
prochaska
Sponzor fora
Příspěvky: 8450
Registrován: 16. 7. 2006, 12:33
Bydliště: Praha Bohnice + Roudnice nad Labem
Kontaktovat uživatele:

14. 9. 2009, 7:23

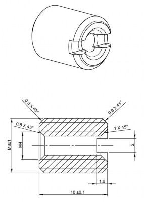
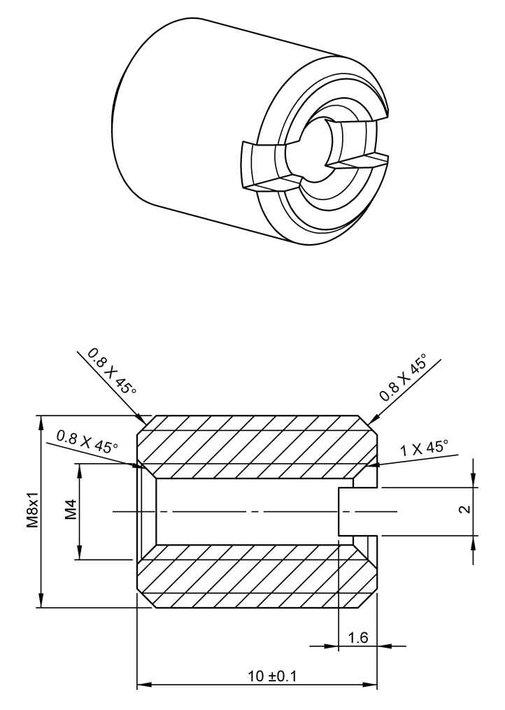
Nechtělo by se někomu do takovéhle závitové vložky do plastu? Potřeboval bych 20 kusů z nerezi A4 (případně jiné se zvýšenou odolností proti mořské vodě). Drážku pro šroubovák není nutné provést dle výkresu, může to být i imbus :-)
Přílohy
zavitova vlozka.jpg
Aleš Procháska
Odpovědět

Zpět na „Potřebuji vyrobit - vypomoc pri vyrobe“