nakreslit drzak motoru 56104 brushless

Požadavky na výrobu dílů - poptávkové fórum
Pravidla fóra
Toto forum vyzaduje schvaleni prispevku moderatorem.
Odpovědět
alesak1188
Příspěvky: 20
Registrován: 16. 12. 2017, 4:57

1. 4. 2020, 11:25

Ahojte, měl prosbu na někoho, kdo umí v nějakem 3D navrhnout a nakreslit bytelný drzák motoru 56104, rozmery sem dám a zhruba moji predstavu taky. Jen aby byl o neco bytelnejsi a do délky stejne dlouhy jako motor a byl jeste nekde za polovinou toho drzaku opreny do půlkruhu a pres to bych ho jeste stahl motexpaskou. zakladna aby byla se sesti dirama na M5 srouby s osazenim sestihranem na vlození maticky a silna aby byla tak 2cm. Samozrejme bych to nechtel zadarmo, díky ales
motor56104.jpg
7ccb511815a69579a9472a4e228933d1_preview_featured.jpg
Přílohy
660x400.jpg
[URL=https://matchnow.info]Exemplary Сasual Dating[/URL]
Uživatelský avatar
Thomeeque
Příspěvky: 9521
Registrován: 30. 1. 2012, 10:20
Bydliště: Mimo ČR

2. 4. 2020, 9:06

Já se toho klidně ujmu (nejsem extra konstruktér, ale dával bych to sem k posouzení ostatním). Dodáš tedy ještě nějaké podklady nebo je to takto vše? Nějaké preference výrobních technologií (že bych to rovnou zkusil navrhnout vyrobitelně :mrgreen:)?
mimooborová naplavenina • kolowratský zázrak™ • NPS • GCU • HirthCalc • ncDP.ino
RaS
Příspěvky: 8842
Registrován: 26. 3. 2009, 9:12
Bydliště: Úvaly

2. 4. 2020, 12:03

a to jako myslíš, že ten motor neudrží těch 6 M5tek dokola za tu přírubu že ho musíš ještě pojišťovat motexkou? Kefalín co si představujete pod pojmem bytelný? Ono bude rozdíl, jestli ten "bytelný" držák bude vytisknutý na 3D tiskárně a nebo někdo použije pásek oceli se středovou dírou a se 6ti závity a přišroubuje ho přímo na základnu.. další věc je použití motoru, jinak se bude chovat pokud bude točit posuvovým šroubem a jinak pokud na něm bude vrtule dronu.. chtěloby to doplnit představy, takhle se k tomu dá postavit všelijak..
věčný rýpal,který musí mít poslední slovo, odpůrce low-cost zařízení končících v naprosté většině případů v hromadě šrotu
uživatelé hýbátek, kteří mají z mých příspěvků celoživotní trauma nechť si mé příspěvky VYPNOU
turnigy
Příspěvky: 1762
Registrován: 2. 9. 2018, 6:13

2. 4. 2020, 12:21

Ak je to na inrunner, tak ti skôr odporúčam dvojdielny dizajn, ktorý sa k sebe stiahne, niečo ako zverný krúžok. Mal som to tak kedysi na autíčku a držalo to perfektne, navyše to výborne odvádzalo teplo do hliníkového šasi.
trooper.jpg
Tos C45-2000
Permonik
Příspěvky: 413
Registrován: 19. 2. 2015, 7:34
Bydliště: Mošnov
Kontaktovat uživatele:

2. 4. 2020, 2:42

Hotový by nestačil? Případně dva?

https://www.aliexpress.com/i/33012503839.html

Jinak potom to chce vice info.
Ing. Tomáš Mlčák - Digitální prototypování, Konstrukce strojů a zařízení, Fotogrammetrie, Vývoj pásových jednotek
alesak1188
Příspěvky: 20
Registrován: 16. 12. 2017, 4:57

3. 4. 2020, 1:25

Budu to tisknout na 3d tiskárne, takze STL do gcodu a tot asi vse, jinak nejak limitovan rozmery nejsem, je to na zástavbu do surfoveho prkna, takže mista dost, cim bytelnejsi, tím lepsí. Kdyby bylo cokoliv potreba, staci napsat, v pripade akutniho dotazu sms 603861098 dekuji
Thomeeque píše: 2. 4. 2020, 9:06 Já se toho klidně ujmu (nejsem extra konstruktér, ale dával bych to sem k posouzení ostatním). Dodáš tedy ještě nějaké podklady nebo je to takto vše? Nějaké preference výrobních technologií (že bych to rovnou zkusil navrhnout vyrobitelně :mrgreen:)?
[URL=https://matchnow.info]Exemplary Сasual Dating[/URL]
alesak1188
Příspěvky: 20
Registrován: 16. 12. 2017, 4:57

3. 4. 2020, 1:29

Kdybych ho chtel vyrobit z oceli, tak bych si to udelal sam a i nakreslil na kus papíru, to nemusim mit 3d v pocitaci. Je to na pohon vodní turbíny pres pruznou spojku, tak potrebuju ulozeni motoru na dvou místech.
RaS píše: 2. 4. 2020, 12:03 a to jako myslíš, že ten motor neudrží těch 6 M5tek dokola za tu přírubu že ho musíš ještě pojišťovat motexkou? Kefalín co si představujete pod pojmem bytelný? Ono bude rozdíl, jestli ten "bytelný" držák bude vytisknutý na 3D tiskárně a nebo někdo použije pásek oceli se středovou dírou a se 6ti závity a přišroubuje ho přímo na základnu.. další věc je použití motoru, jinak se bude chovat pokud bude točit posuvovým šroubem a jinak pokud na něm bude vrtule dronu.. chtěloby to doplnit představy, takhle se k tomu dá postavit všelijak..
[URL=https://matchnow.info]Exemplary Сasual Dating[/URL]
alesak1188
Příspěvky: 20
Registrován: 16. 12. 2017, 4:57

3. 4. 2020, 1:31

To není vůbec spatny, zkusím je objednat, co vyjde drív vyhraje, ale s cinou ted moc nepocitam.
Permonik píše: 2. 4. 2020, 2:42 Hotový by nestačil? Případně dva?

https://www.aliexpress.com/i/33012503839.html

Jinak potom to chce vice info.
[URL=https://matchnow.info]Exemplary Сasual Dating[/URL]
alesak1188
Příspěvky: 20
Registrován: 16. 12. 2017, 4:57

3. 4. 2020, 1:50

Co to bylo za auticko, kdyz to je motor jako krava, to by utahlo i 1:3, já to mám na 300A ESC a 12S akumulator. A to z toho jeste nevymacknu maximum, to je 98V
turnigy píše: 2. 4. 2020, 12:21 Ak je to na inrunner, tak ti skôr odporúčam dvojdielny dizajn, ktorý sa k sebe stiahne, niečo ako zverný krúžok. Mal som to tak kedysi na autíčku a držalo to perfektne, navyše to výborne odvádzalo teplo do hliníkového šasi.
trooper.jpg
[URL=https://matchnow.info]Exemplary Сasual Dating[/URL]
turnigy
Příspěvky: 1762
Registrován: 2. 9. 2018, 6:13

3. 4. 2020, 2:20

Bolo to malé autíčko, 1/10, ten motor dal ledva niečo cez 1kW. Ale spôsob prichytenia sa dá použiť aj na väčší motor, len neviem, či je na to plast z 3D tlačiarne najvhodnejší materiál. Ten motor bude ponorený vo vode? Alebo čím ho chceš chladiť?
Tos C45-2000
Uživatelský avatar
Thomeeque
Příspěvky: 9521
Registrován: 30. 1. 2012, 10:20
Bydliště: Mimo ČR

3. 4. 2020, 3:23

alesak1188 píše: 3. 4. 2020, 1:25 Budu to tisknout na 3d tiskárne, takze STL do gcodu a tot asi vse, jinak nejak limitovan rozmery nejsem, je to na zástavbu do surfoveho prkna, takže mista dost, cim bytelnejsi, tím lepsí. Kdyby bylo cokoliv potreba, staci napsat, v pripade akutniho dotazu sms 603861098 dekuji
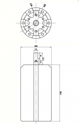
Sorry, chvíli mi trvalo, než mi došlo, že je to asi myšleno pro 3D tisk, o tom bohužel skoro nic nevím, tak to přenechám dalšímu zájemci. Ale stihl jsem nakreslit motůrek, tak se podělím, třeba to někomu k něčemu bude.. Přesně je jen to, co bylo okótované.

motor_56104_v22.png

motor_56104_v22.step.zip
(713.74 KiB) Staženo 210 x
T.
mimooborová naplavenina • kolowratský zázrak™ • NPS • GCU • HirthCalc • ncDP.ino
koranmir
Příspěvky: 75
Registrován: 20. 10. 2019, 8:34

3. 4. 2020, 4:04

ahoj, rád se toho ujmu, pošlete mi SZ
příjemný den přeji
alesak1188
Příspěvky: 20
Registrován: 16. 12. 2017, 4:57

3. 4. 2020, 4:49

samozrejme bude chlazeny vodou jako ESC, nebude ponoreny, ale mám na nej vysoustruzenej chladici blok, ktery se na nej nasune a po krajich jsou tesnici gumicky.
chladiciblok56100.jpg
turnigy píše: 3. 4. 2020, 2:20 Bolo to malé autíčko, 1/10, ten motor dal ledva niečo cez 1kW. Ale spôsob prichytenia sa dá použiť aj na väčší motor, len neviem, či je na to plast z 3D tlačiarne najvhodnejší materiál. Ten motor bude ponorený vo vode? Alebo čím ho chceš chladiť?
[URL=https://matchnow.info]Exemplary Сasual Dating[/URL]
alesak1188
Příspěvky: 20
Registrován: 16. 12. 2017, 4:57

4. 4. 2020, 1:44

A v cem je problem, ze je to na 3D tisk, já si to prevedu do STL a to potom do gcodu a mohu tisknout.

Thomeeque píše: 3. 4. 2020, 3:23
alesak1188 píše: 3. 4. 2020, 1:25 Budu to tisknout na 3d tiskárne, takze STL do gcodu a tot asi vse, jinak nejak limitovan rozmery nejsem, je to na zástavbu do surfoveho prkna, takže mista dost, cim bytelnejsi, tím lepsí. Kdyby bylo cokoliv potreba, staci napsat, v pripade akutniho dotazu sms 603861098 dekuji
Sorry, chvíli mi trvalo, než mi došlo, že je to asi myšleno pro 3D tisk, o tom bohužel skoro nic nevím, tak to přenechám dalšímu zájemci. Ale stihl jsem nakreslit motůrek, tak se podělím, třeba to někomu k něčemu bude.. Přesně je jen to, co bylo okótované.


motor_56104_v22.png



motor_56104_v22.step.zip

T.
[URL=https://matchnow.info]Exemplary Сasual Dating[/URL]
Odpovědět

Zpět na „Potřebuji vyrobit - vypomoc pri vyrobe“