Magiho výzkumný ústav

fotky našich strojů, aneb co máme doma
Odpovědět
p.mus
Příspěvky: 169
Registrován: 15. 1. 2007, 6:54
Bydliště: vysočina

10. 6. 2020, 5:07

milan584 píše: 10. 6. 2020, 6:25
kenybz píše: 10. 6. 2020, 5:41 to je teda pomsta snad to bylo za odvoz..je to jak píše milan no ten hydrouš stojí za kuchnutí a kdyby se nepodařilo ho opravit nebo se něco po... tak to nějak seskládáš a pošleš na repas.
přemýšlím nad těma válečkama kolem vřeteníku není to nějaká hydromechanická aretace? prstě to v nastavené pozici ten vřeteník zajistí třeba klínama. Válce mají malý průměr takže tam nějaké moc velké síly nebudou.
V té "dokumentaci" tam něco takového (že se to dá hydraulicky rozepřít - uzamknout) je namalované - akorát je to namalované nesouměrné a nějak to nemá příliš výkresovou logiku.
Včera jsem do toho letmo nahlédl - víc se mi studovat to nechce - to nevydržím - ta dokumentace je totiž doxxxxxá :evil: (nesrozumitelná - a to celá) stejně jako mašina.
Prostě BRH - vyhlášený boží trest. Mj. když vidím Považské, tak už před třiceti lety jsem byl okamžitě nastartovaný :roll:
Jestli jsou ty válce zapojeny hned za cerpadlo, tak jediné proto aby zamezily pohybu při vypnutem stroji a přetížení šroubu ten asi jediný co drží vretenik. Po přivedení tlaku by mohli odjistit svislý pohyb
testone
Sponzor fora
Příspěvky: 7481
Registrován: 3. 12. 2010, 5:56
Bydliště: Slaný

10. 6. 2020, 6:20

magi píše: 10. 6. 2020, 1:52
fmodel píše: 10. 6. 2020, 1:40 To je jako se starším autem ,jeden ho chválí a druhej s nim pěkně šlápne do hov..a .
Já vím, mě to je jasné - jen žena doma na tuto moji činnost začíná být dost alergická :-)
to jí musíš vysvětlit že na tom pěkně půjde brousit složení do strojku na maso :D
Obvykle se dějí věci obvyklé. Méně často se dějí věci neobvyklé a zcela vyjímečně se dějí věci vyjímečné...
Masturn 40 CNC, Hermle UWF1200H CNC a pár klasik
http://www.radialengine.cz" onclick="window.open(this.href);return false;
http://www.autopejsek.cz" onclick="window.open(this.href);return false;
Uživatelský avatar
magi
Sponzor fora
Příspěvky: 2740
Registrován: 16. 10. 2006, 12:40
Bydliště: Třebíč
Kontaktovat uživatele:

10. 6. 2020, 7:19

Tak vážení přátelé, já myslím že v otázce hydromotoru máme jasno
Jeden pístek je zaseklý a nehne se, na lapovaném čele jsou vyrezlé fleky (opět způsobené tou sračkou v nádrži) přesně v místech kde to dlouho stálo a tyto způsobily opotřebení a tím pádem netěsnost bronzové rozváděcí desky. Dál nemá cenu to kuchat.
Přílohy
P99.jpg
P1220946.JPG
P1220948.JPG
P1220949.JPG
P1220950.JPG
P1220953.JPG
P1220954.JPG
P1220958.JPG
Dle úpravy hnojiště poznáme hospodáře, dle výsledu voleb jakýchkoliv duševní úroveň voličů.
Uživatelský avatar
Ben Ash
Site Admin
Příspěvky: 1437
Registrován: 25. 3. 2009, 8:02
Bydliště: Vladislav
Kontaktovat uživatele:

10. 6. 2020, 7:30

To je teda fakt past vedle pasti
Per aspera ad astra
Uživatelský avatar
magi
Sponzor fora
Příspěvky: 2740
Registrován: 16. 10. 2006, 12:40
Bydliště: Třebíč
Kontaktovat uživatele:

10. 6. 2020, 7:40

kdyby ti idioti v tom občas vyměnili olej, tak se toto nikdy nestalo
Dle úpravy hnojiště poznáme hospodáře, dle výsledu voleb jakýchkoliv duševní úroveň voličů.
Uživatelský avatar
robokop
Site Admin
Příspěvky: 23177
Registrován: 10. 7. 2006, 12:12
Bydliště: Praha
Kontaktovat uživatele:

10. 6. 2020, 9:32

Dneska jsem kuchal hydrauliku v jednom soustruhu a uplne stejnej poznatek, obcas by to chtelo ten olej menit. Vyjde to levneji.
Vsechna prava na chyby vyhrazena (E)
p.mus
Příspěvky: 169
Registrován: 15. 1. 2007, 6:54
Bydliště: vysočina

11. 6. 2020, 11:10

magi píše: 10. 6. 2020, 7:19 Tak vážení přátelé, já myslím že v otázce hydromotoru máme jasno
Jeden pístek je zaseklý a nehne se, na lapovaném čele jsou vyrezlé fleky (opět způsobené tou sračkou v nádrži) přesně v místech kde to dlouho stálo a tyto způsobily opotřebení a tím pádem netěsnost bronzové rozváděcí desky. Dál nemá cenu to kuchat.
večer ti pošlu foto s rozměry, mám jeden menší poškozený na hřídeli ale pístky by mohli být ok a do V...i budu mít snad brzo cestu
Uživatelský avatar
magi
Sponzor fora
Příspěvky: 2740
Registrován: 16. 10. 2006, 12:40
Bydliště: Třebíč
Kontaktovat uživatele:

11. 6. 2020, 11:27

p.mus píše: 11. 6. 2020, 11:10
magi píše: 10. 6. 2020, 7:19 Tak vážení přátelé, já myslím že v otázce hydromotoru máme jasno
Jeden pístek je zaseklý a nehne se, na lapovaném čele jsou vyrezlé fleky (opět způsobené tou sračkou v nádrži) přesně v místech kde to dlouho stálo a tyto způsobily opotřebení a tím pádem netěsnost bronzové rozváděcí desky. Dál nemá cenu to kuchat.
večer ti pošlu foto s rozměry, mám jeden menší poškozený na hřídeli ale pístky by mohli být ok a do V...i budu mít snad brzo cestu
Oukej, díky moc
Dle úpravy hnojiště poznáme hospodáře, dle výsledu voleb jakýchkoliv duševní úroveň voličů.
Uživatelský avatar
magi
Sponzor fora
Příspěvky: 2740
Registrován: 16. 10. 2006, 12:40
Bydliště: Třebíč
Kontaktovat uživatele:

11. 6. 2020, 1:52

Nebo že by jsme přeci jen dali na příčný posuv servopohon? Já tu elektriku mám radší než hydrauliku :-)
Dle úpravy hnojiště poznáme hospodáře, dle výsledu voleb jakýchkoliv duševní úroveň voličů.
qwer
Příspěvky: 1409
Registrován: 8. 4. 2008, 8:09

11. 6. 2020, 2:19

Mám doma dvojku, nenapasoval by si ho tam?
004.JPG
Uživatelský avatar
magi
Sponzor fora
Příspěvky: 2740
Registrován: 16. 10. 2006, 12:40
Bydliště: Třebíč
Kontaktovat uživatele:

11. 6. 2020, 2:27

qwer píše: 11. 6. 2020, 2:19 Mám doma dvojku, nenapasoval by si ho tam?004.JPG
Bude o něco větší, zkus to prosím případně oměřit
1111.jpg
Dle úpravy hnojiště poznáme hospodáře, dle výsledu voleb jakýchkoliv duševní úroveň voličů.
qwer
Příspěvky: 1409
Registrován: 8. 4. 2008, 8:09

11. 6. 2020, 2:58

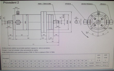
Tu by mali byť rozmery, no je väčší, škoda.
MA2-2.png
p.mus
Příspěvky: 169
Registrován: 15. 1. 2007, 6:54
Bydliště: vysočina

11. 6. 2020, 4:09

magi píše: 11. 6. 2020, 2:27
qwer píše: 11. 6. 2020, 2:19 Mám doma dvojku, nenapasoval by si ho tam?004.JPG
Bude o něco větší, zkus to prosím případně oměřit
1111.jpg
Tak toje stejné nějak ti to dopravím třeba u tvýho souseda přes silnici
Přílohy
IMG_20200611_165456.jpg
milan584
Příspěvky: 2127
Registrován: 12. 5. 2009, 2:17
Bydliště: na jihu

11. 6. 2020, 8:07

magi píše: 10. 6. 2020, 7:19 Tak vážení přátelé, já myslím že v otázce hydromotoru máme jasno
Jeden pístek je zaseklý a nehne se, na lapovaném čele jsou vyrezlé fleky (opět způsobené tou sračkou v nádrži) přesně v místech kde to dlouho stálo a tyto způsobily opotřebení a tím pádem netěsnost bronzové rozváděcí desky. Dál nemá cenu to kuchat.
pošta
Jinak podle mě to tak úplně tragický není (samozřejmě pokud uvolníš ten píst a pokud bude těsnit), ale jednodušší než se s tím patlat by bylo ten motor zkusit koupit někde na netu - vyrobily se jich mraky, bývaly ve všem možným i nemožným.
A mám "dobrou" :roll: zprávu - pokud se nějakému debilovi dostane do hydrauliky voda (nebo hydrol), obvykle nebývá zrezlá pouze jedna věc z soustavy.
Takže by bylo dobré zkontrolovat i to ostatní, protože podle zákana schválnosti, až to celý složíš, tak zjistíš, že nefunguje ta nejmenší kosočtvercovina, co je nejhůř přístupná a budeš to muset rozebírat znova.
Upřímnou soustrast.
Uživatelský avatar
magi
Sponzor fora
Příspěvky: 2740
Registrován: 16. 10. 2006, 12:40
Bydliště: Třebíč
Kontaktovat uživatele:

11. 6. 2020, 9:10

V podstatě kromě té dlouhé pístnice pod stolem, už jsem měl rozebrané úplně vše a souhlas - vše je plné hnědého rezavého bordelu a styčné plochy pístků v rozvaděčích jsou zčernalé a nehezké. Jojo hydromotor je ke koupení na slovensku, cena i s poštou 105EUR. Jinak repase firma Pelikán Vrchlabí - 4500Kč bez daně, nový motor z výprodeje jedné hydrofirmy 5800 bez daně a elektro-švestka nový ze starých zásob 5600 bez daně.
Dle úpravy hnojiště poznáme hospodáře, dle výsledu voleb jakýchkoliv duševní úroveň voličů.
Odpovědět

Zpět na „naše mašinky“