SV 18 RA
Sústruh je stroj s veľkou pridanou hodnotou.
Obe cesty sú správne možno tým tvojim zarobis na väčší produktívnejší stroj. Možno zohnas robotu a budeš zháňať kľudne stroj za 12 tisíc.
Ako chlapec na brigáde som bol vypomáhať pri stavbe hotela tam mal majiteľ kávovar za 15 tisíc euro ja zas nechápem to.
Obe cesty sú správne možno tým tvojim zarobis na väčší produktívnejší stroj. Možno zohnas robotu a budeš zháňať kľudne stroj za 12 tisíc.
Ako chlapec na brigáde som bol vypomáhať pri stavbe hotela tam mal majiteľ kávovar za 15 tisíc euro ja zas nechápem to.
Cash Rules Everything Around Me
C.R.E.A.M
C.R.E.A.M
Tak soustruh je doma. Po oddělání deklů na vřeteníku je při zařazené předloze z tohoto místa:
slyšet zvuk přesýpávajících se kuliček:
https://www.youtube.com/watch?v=kGM0xY-Ehm8
Vysypané ložisko? Co s tím? Nedokážu identifikovat, z kterého uložení nebo hřídele to jde. Co je tam taky vidět je jedna trochu posunutá hřídel, kdy se ozubená kola stýkají jen krajem, což asi taky nebude ok. Třeba tam je nějaká souvislost s těmi přesýpávajícími se kuličkami.
Jinak na soustruhu fungují snad všechny rychlosti a kombinace posuvů a žádné pazvuky z něj při provozu nejdou. Každopádně tu předlohu bych teď asi nerad používal, pokud nevím, jak závažný to je problém.
slyšet zvuk přesýpávajících se kuliček:
https://www.youtube.com/watch?v=kGM0xY-Ehm8
Vysypané ložisko? Co s tím? Nedokážu identifikovat, z kterého uložení nebo hřídele to jde. Co je tam taky vidět je jedna trochu posunutá hřídel, kdy se ozubená kola stýkají jen krajem, což asi taky nebude ok. Třeba tam je nějaká souvislost s těmi přesýpávajícími se kuličkami.
Jinak na soustruhu fungují snad všechny rychlosti a kombinace posuvů a žádné pazvuky z něj při provozu nejdou. Každopádně tu předlohu bych teď asi nerad používal, pokud nevím, jak závažný to je problém.
to gaminn:
ta ozubená kola, co popisuješ, nejsou k předloze, ale náhon se strojnímu posuvu a řezání závitů, pro řezání normálního rozsahu/strmých závitů. (také k přepínání pravé a levé závity). Tak pozor při identifikaci, říkáš, že strojní posuvy jdou dobře. A.
ta ozubená kola, co popisuješ, nejsou k předloze, ale náhon se strojnímu posuvu a řezání závitů, pro řezání normálního rozsahu/strmých závitů. (také k přepínání pravé a levé závity). Tak pozor při identifikaci, říkáš, že strojní posuvy jdou dobře. A.
SN 20, SM 16 B, FN 25
Aha. S názvoslovím budu mít asi trochu problém, tak spíš berte ohled na to, co je na fotkách.
Ta problematická hřídel je až pod vřeteníkem. Hádám, že kvůli opravě by bylo nutné sundat celý vřeteník. Tzn. řemen dolů a odpojit mazání?
Na soustruhu všechny posuvy (řezání normálních i strmých závitů) funguje.
Ta problematická hřídel je až pod vřeteníkem. Hádám, že kvůli opravě by bylo nutné sundat celý vřeteník. Tzn. řemen dolů a odpojit mazání?
Na soustruhu všechny posuvy (řezání normálních i strmých závitů) funguje.
Další závada na soustruhu je často vypadávající nadproudové relé nebo co to je za kostku:
Vypadá to, že na tom je nějaké točítko, co by šlo poštelovat. Je to dobrý nápad? Nebo radši vyměnit? Akorát nevím za co měnit, když vlastně nevím co to je a jaké to má parametry. Netuší někdo?
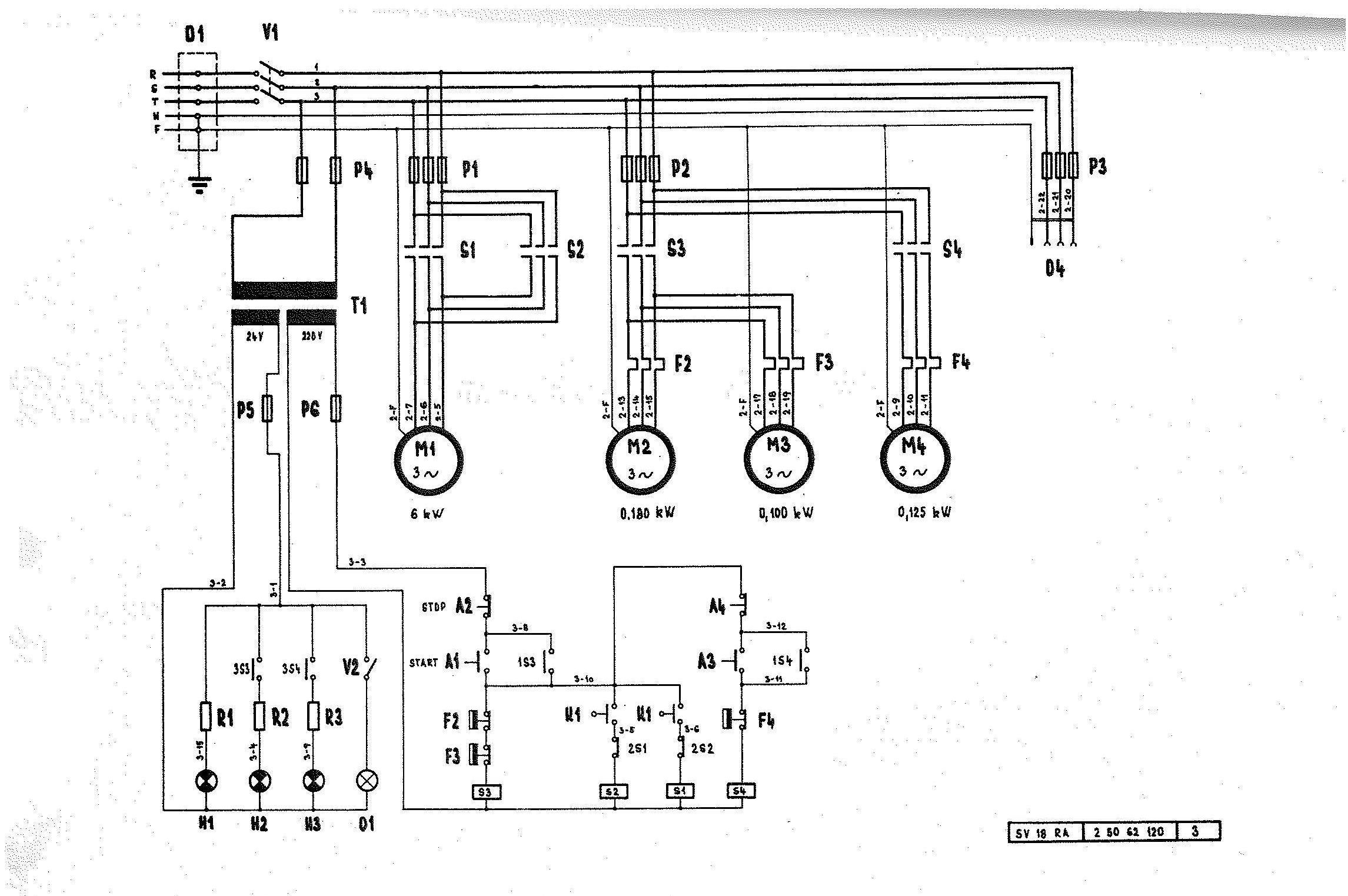
Můžete mi pomcot identifikovat tuto kostku na schématu? Mně vychází 2S1 nebo 2S2.
Vypadá to, že na tom je nějaké točítko, co by šlo poštelovat. Je to dobrý nápad? Nebo radši vyměnit? Akorát nevím za co měnit, když vlastně nevím co to je a jaké to má parametry. Netuší někdo?
Můžete mi pomcot identifikovat tuto kostku na schématu? Mně vychází 2S1 nebo 2S2.
To je nadproudové relé R100 a ve schématu je označená písmenem F. Může to být ventilátor na chlazení motoru, zubové čerpadlo mazání, nebo čerpadlo chlazení. Čerpadlo chlazení se dá snadno vyloučit, tak že ho nezapneš a pokud to stále vypadává tak jít po drátech až k danému motoru. Může to být přidřený motor ventilátoru a nebo je něco se zubovým čerpadlem a v neposlední řadě to může vzdávat samotné nadproudové relé.
Kolečkem se nastavuje vypínací proud a proto než s ním začneš točit by bylo vhodné najít motor ke kterému patří a zkontrolovat nastavenou hodnotu podle štítku.
Kolečkem se nastavuje vypínací proud a proto než s ním začneš točit by bylo vhodné najít motor ke kterému patří a zkontrolovat nastavenou hodnotu podle štítku.
Strigon ME-250, SV18RA, Mikromat SFW200/600, L-TEC Ductling II
Cash Rules Everything Around Me
C.R.E.A.M
C.R.E.A.M
Je to konkrétně tohle: https://www.elektro-materialy.cz/rele-r ... dproudove-gaminn píše: ↑1. 8. 2020, 9:10 Další závada na soustruhu je často vypadávající nadproudové relé nebo co to je za kostku:
IMG_20200731_181020.jpg
Vypadá to, že na tom je nějaké točítko, co by šlo poštelovat. Je to dobrý nápad? Nebo radši vyměnit? Akorát nevím za co měnit, když vlastně nevím co to je a jaké to má parametry. Netuší někdo?
Můžete mi pomcot identifikovat tuto kostku na schématu? Mně vychází 2S1 nebo 2S2.
man_sv18RA_GR_3.jpg
Podle jmenovitého proudu to vypadá na F2 - ventilátor chlazení.
Abys mohl říci, že to relé je vadné tak je zapotřebí změřit skutečně odebíraný proud motoru (ve všech třech fázích) pokud je vyšší než jmenovitý, zjistit příčinu, kterých může být více. Pokud je proud motoru ve všech fázích správný tak by to mohla být vada toho relé. Nastavení relé na maximum, je nejčastější chybou neelektrikáře.
Takhle z hlavy to samozřejmě nevím, ale možná bych ho měl "skladem". Musím se podívat až budu v dílně.
Soustruh: S-28 Žebrák
Stolní vrtačka: TOS V10A
Pásová pila: G5013W/400
Stolní vrtačka: TOS V10A
Pásová pila: G5013W/400
Měl jsem vyhozené dvě tato relé. Levé a prostřední. Bohužel jsem si nepoznamenal jejich identifikátor (Fx). Ventilátor jsem zkoušel protočit šroubovákem skrz mřížku, točí se naprosto lehce.
Zkusím klešťákem proměřit jaký proud těmi relé teče.
Mimochodem, netušíte, jak demontovat ventilátor z hlavního motoru? Odšrouboval jsem 4 šrouby na přírubě. Ventilátor se tím uvolnil, ale vyndat přes mřížku (na fotce označena šipkami), která je mezi motorem ventilátoru a vrtulí, stejně nejde. Chtěl jsem jen vyčistit bordel, který tam je.
Zkusím klešťákem proměřit jaký proud těmi relé teče.
Mimochodem, netušíte, jak demontovat ventilátor z hlavního motoru? Odšrouboval jsem 4 šrouby na přírubě. Ventilátor se tím uvolnil, ale vyndat přes mřížku (na fotce označena šipkami), která je mezi motorem ventilátoru a vrtulí, stejně nejde. Chtěl jsem jen vyčistit bordel, který tam je.
Naposledy upravil(a) gaminn dne 3. 8. 2020, 6:49, celkem upraveno 1 x.
Už je to dávno co jsme to vefabrice dělali takže si to moc nepamatuji, ale mám dojem, že to musí jít dolů i s tím krytem co je přidělaný k vlastnímu statoru motoru. Kolegové co mají SV18RA a dělali to, Ti poradí určitě lépe.
Soustruh: S-28 Žebrák
Stolní vrtačka: TOS V10A
Pásová pila: G5013W/400
Stolní vrtačka: TOS V10A
Pásová pila: G5013W/400