Magiho výzkumný ústav
paráda
Obvykle se dějí věci obvyklé. Méně často se dějí věci neobvyklé a zcela vyjímečně se dějí věci vyjímečné...
Masturn 40 CNC, Hermle UWF1200H CNC a pár klasik
http://www.radialengine.cz" onclick="window.open(this.href);return false;
http://www.autopejsek.cz" onclick="window.open(this.href);return false;
Masturn 40 CNC, Hermle UWF1200H CNC a pár klasik
http://www.radialengine.cz" onclick="window.open(this.href);return false;
http://www.autopejsek.cz" onclick="window.open(this.href);return false;
- Ben Ash
- Site Admin
- Příspěvky: 1437
- Registrován: 25. 3. 2009, 8:02
- Bydliště: Vladislav
- Kontaktovat uživatele:
Já ti to taky chválím, ale myslím že bude rozumné, když to tady z Magiho výzkumáku časem vystřihnu a udělám z toho samostatné vlákno s nějakým dohledatelným popisem. Ostatně zatím mi v tom zabránila jen lenost a fakt, že je to tady s Magiho posvěcením 
Per aspera ad astra
-
Cornellius
- Příspěvky: 15
- Registrován: 21. 1. 2013, 4:39
Ahoj, klidně,
Honza (Magi) mi právě na facebooku napsal, abych to dal sem, protože tu má dost lidí co to tu čtou a někdo třeba poradí
Známe se spolu osobně, tak proto
Honza (Magi) mi právě na facebooku napsal, abych to dal sem, protože tu má dost lidí co to tu čtou a někdo třeba poradí
- magi
- Sponzor fora
- Příspěvky: 2740
- Registrován: 16. 10. 2006, 12:40
- Bydliště: Třebíč
- Kontaktovat uživatele:
Stačilo to neuspěchat a vyčkat až přijde ten správný nápadHonzaHorka píše: ↑26. 1. 2021, 10:00Také bych byl rád za nějakou inspiraci k BN102. Pořád se na to chystám, ale zatím jsem se k tomu nedostal.
Jako flebilní držák by možná nebylo špatné toto od LocLine
Dle úpravy hnojiště poznáme hospodáře, dle výsledu voleb jakýchkoliv duševní úroveň voličů.
-
HonzaHorka
- Příspěvky: 1012
- Registrován: 15. 11. 2009, 2:17
To je hodně dobrý nápad. Nenapadlo by mě to a přitom je to tak jednoduché.
navíc je to i lehké.
- magi
- Sponzor fora
- Příspěvky: 2740
- Registrován: 16. 10. 2006, 12:40
- Bydliště: Třebíč
- Kontaktovat uživatele:
Však mě to taky půl roku trvaloHonzaHorka píše: ↑26. 9. 2021, 7:27 To je hodně dobrý nápad. Nenapadlo by mě to a přitom je to tak jednoduché.navíc je to i lehké.
Včera mě to odpoledne napadlo a hned jsem ho jel koupit. Malý kotlíček DN80 za 120,-Kč a máš to vyřešené líp než nejaký těžký složitý svařenec.
Akorát tomu musíš přizpůsobit dimenzi sací hadice, což u mě byla spíš náhoda, že to pasovalo. Dimenzi jsem před půl rokem volil dle rozdělovacího kusu na odsavači POC-6, kde ty vstupy jsou taky DN80 a u magnetky se to vyrábělo z černé trubky na míru.
Dle úpravy hnojiště poznáme hospodáře, dle výsledu voleb jakýchkoliv duševní úroveň voličů.
-
HonzaHorka
- Příspěvky: 1012
- Registrován: 15. 11. 2009, 2:17
Jj přesně. Za ty peníze není co řešit. Já bych nešel cestou těžkého svařence, ale dělal bych to z klempířského plechu, ale ten oser s tím to by bylo na celej den. Táta byl klempíř a ten to měl za chvilku. I jsem s ním dost věcí dělal, ale je to už dlouho a bohužel už tu není aby poradil.
Dnes je to paráda kolena a vše okolo koupíš. Jen když si vzpomenu jak dělal téčka a kolena to byl mazec.
Dnes je to paráda kolena a vše okolo koupíš. Jen když si vzpomenu jak dělal téčka a kolena to byl mazec.
- magi
- Sponzor fora
- Příspěvky: 2740
- Registrován: 16. 10. 2006, 12:40
- Bydliště: Třebíč
- Kontaktovat uživatele:
Tak přátelé, po roce jsem se pustil do té elektrocentrály.
Indukčka je vyměněná, stála 3800,- a závada přetrvává
Evidentně to způsobuje tady tenhle krám.
Obvod je celý zalitý. Napadá někoho, jaký je systém tohoto zapalování?
Z indukční cívky totiž vede jen jeden drát přez vypínač tady do této jednotky - to jsem si myslel že je pouhý chcípací drát.
Pak tam vedou ještě další, ale ty zatím nevím na co jsou připojené (je to celé zamotané ve svazku).
Indukčka je vyměněná, stála 3800,- a závada přetrvává
Evidentně to způsobuje tady tenhle krám.
Obvod je celý zalitý. Napadá někoho, jaký je systém tohoto zapalování?
Z indukční cívky totiž vede jen jeden drát přez vypínač tady do této jednotky - to jsem si myslel že je pouhý chcípací drát.
Pak tam vedou ještě další, ale ty zatím nevím na co jsou připojené (je to celé zamotané ve svazku).
Dle úpravy hnojiště poznáme hospodáře, dle výsledu voleb jakýchkoliv duševní úroveň voličů.
nafot sem prosím celé to zapalování . mělo by to jít nahradit cdi za pár korun
https://www.google.com/search?q=cdi+sch ... 49&bih=596
https://www.google.com/search?q=cdi+sch ... 49&bih=596
- magi
- Sponzor fora
- Příspěvky: 2740
- Registrován: 16. 10. 2006, 12:40
- Bydliště: Třebíč
- Kontaktovat uživatele:
Já to věděl, že se do toho nemám pouštět. Proto to tady taky rok leželo bez sáhnutí, něco mi pořád říkalo: "neobjednávej tu cívku za skoro 4litry - když nemáš betonovou jistotu že to tím je".
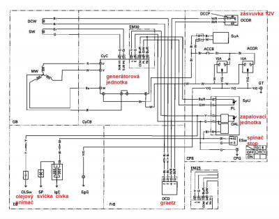
Černý drát vede od indukčky na vypínač, ten jej zkratuje na kostru (zelený drát). Pak je černý někde ve svazku rozbočený a vede ještě na tu zapalovací jednotku. Všechny barvy ze zapalovací jednotky vedou dolů na generátorovou jedontku na stejné barvy, žlutý je zase někde ve svazku rozbočený a vede ještě na snímač oleje. Všechny zelené jsou někde ve svazku spojené a vedou na kostru. Oranžový a šedý z generátoroé jednotky vedou někam do generátoru.
To znamená že to může spůsobovat buď ta zapalovací jednotka, nebo případně i ta dolní generátorová jednotka.
Původně jsem si totiž myslel, že černý drát vede od indukčky pouze na ten vypínač a hotovo (jako je to běžně u sekaček a pod.).
Tady je past v tom, že dráty jsou někde ve svazku rozbočené a to není vidět.
To bílé kulaté je nějaký odrušovací člen na 12V napětí (centrála umí 12V kvůli nabíjení baterek). Šedý a černý od něj vedou dolů na tu žebrovanou hliníkovou kostku, což je patrně graetzův můstek a od něj vedou dva hnědé zase do generátoru.
Silovinu popisovat detailně nebudu, jen v kostce: 4 dráty vedou z generátoru (červený, bílý, modrý a černý) do generátorové jednotky a z ní nahoru k zásuvkám vedou hnědý a bílý.
Ještě bych mohl zkusit na radu kolegy nechat tu zapalovací jednotku vyfotit rentgenem, aby bylo trošku vidět co tam je za zázrak a jestli to má případně cenu zkusit rozloupat.
Černý drát vede od indukčky na vypínač, ten jej zkratuje na kostru (zelený drát). Pak je černý někde ve svazku rozbočený a vede ještě na tu zapalovací jednotku. Všechny barvy ze zapalovací jednotky vedou dolů na generátorovou jedontku na stejné barvy, žlutý je zase někde ve svazku rozbočený a vede ještě na snímač oleje. Všechny zelené jsou někde ve svazku spojené a vedou na kostru. Oranžový a šedý z generátoroé jednotky vedou někam do generátoru.
To znamená že to může spůsobovat buď ta zapalovací jednotka, nebo případně i ta dolní generátorová jednotka.
Původně jsem si totiž myslel, že černý drát vede od indukčky pouze na ten vypínač a hotovo (jako je to běžně u sekaček a pod.).
Tady je past v tom, že dráty jsou někde ve svazku rozbočené a to není vidět.
To bílé kulaté je nějaký odrušovací člen na 12V napětí (centrála umí 12V kvůli nabíjení baterek). Šedý a černý od něj vedou dolů na tu žebrovanou hliníkovou kostku, což je patrně graetzův můstek a od něj vedou dva hnědé zase do generátoru.
Silovinu popisovat detailně nebudu, jen v kostce: 4 dráty vedou z generátoru (červený, bílý, modrý a černý) do generátorové jednotky a z ní nahoru k zásuvkám vedou hnědý a bílý.
Ještě bych mohl zkusit na radu kolegy nechat tu zapalovací jednotku vyfotit rentgenem, aby bylo trošku vidět co tam je za zázrak a jestli to má případně cenu zkusit rozloupat.
Dle úpravy hnojiště poznáme hospodáře, dle výsledu voleb jakýchkoliv duševní úroveň voličů.
tady
https://www.manualslib.com/manual/10101 ... e=4#manual
máš manuál
na str. 43 a 44 je schema zapojení
https://www.manualslib.com/manual/10101 ... e=4#manual
máš manuál
na str. 43 a 44 je schema zapojení
Obvykle se dějí věci obvyklé. Méně často se dějí věci neobvyklé a zcela vyjímečně se dějí věci vyjímečné...
Masturn 40 CNC, Hermle UWF1200H CNC a pár klasik
http://www.radialengine.cz" onclick="window.open(this.href);return false;
http://www.autopejsek.cz" onclick="window.open(this.href);return false;
Masturn 40 CNC, Hermle UWF1200H CNC a pár klasik
http://www.radialengine.cz" onclick="window.open(this.href);return false;
http://www.autopejsek.cz" onclick="window.open(this.href);return false;
- magi
- Sponzor fora
- Příspěvky: 2740
- Registrován: 16. 10. 2006, 12:40
- Bydliště: Třebíč
- Kontaktovat uživatele:
Díkec za schéma.
Takže je to propojené přesně jak jsem napsal v předchozím příspěvku.
Takže je to propojené přesně jak jsem napsal v předchozím příspěvku.
Naposledy upravil(a) magi dne 3. 10. 2021, 7:15, celkem upraveno 1 x.
Dle úpravy hnojiště poznáme hospodáře, dle výsledu voleb jakýchkoliv duševní úroveň voličů.