trocha geometrie

chb
Příspěvky: 3899
Registrován: 12. 3. 2013, 7:24
Bydliště: Havl. Brod

6. 12. 2022, 2:37

to bylo snadné :-)
je to zajímavá úloha tím, že na první pohled je málo informací ...
.
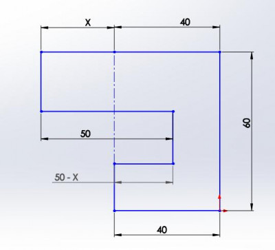
obvod01.jpg
kolmé čáry jsou 60 + 60 - bez ohledu kolikrát jsou kouskovány
a vodorovné - shora
X = ten neokotovaný kousek
(40 + x) + 50 + (50 - x) + 40 = no a protože máme +x a -x = tak je nám vlastně jedno, jak je tento kousek dlouhý

a) 40 + 50 + 50 +40 + 60 + 60 = 300 jak jste správně určili

b) plocha samozřejmě spočítat nejde, na to je kot přeci jen málo. To bylo jen malé škádlení :-)
Víťa - BF20 - upraveno na CNC + Mach3 + SS, soustruh CJM250, MK3 Průša, ostřička nástrojů
Dawe
Příspěvky: 3049
Registrován: 8. 10. 2013, 6:18

6. 12. 2022, 3:25

Pripojim zpravu s obrazky co jsem posilal v sz:

Obvod je myslim jasny.
podobnost.png
S predpokladem existence zobrazeni A do stredoveho bodu A' deliciho segment '40' na poloviny (zrovna je to tak nakresleno) se da nakonec dovodit i obsah. Ale to myslim nebyl zamer, ze?
podobnost2.png
TOS S28, DIY CNC, Holzmann ZS-40HS, Prusa Mk3s+MMU2s, Bambu X1C Combo
miv
Příspěvky: 1297
Registrován: 17. 9. 2019, 11:55

6. 12. 2022, 8:33

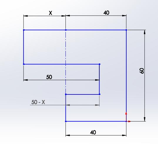
chb píše: 6. 12. 2022, 2:37 je to zajímavá úloha tím, že na první pohled je málo informací ...
Pro mne je zajímavé vidět, jak každý uvažujeme jinak. Zkus porovnat svůj obrázek s obrázkem o Daweho (v označení, co je x). Já, když jsem si to kreslil, tak jsem to označil přesně jako Dawe, ty to máš jinak. Samosebou dojdeme k témuž, ale ty naše mozky evidentně pracují jiným způsobem. Velmi zajímavé.
Dawe
Příspěvky: 3049
Registrován: 8. 10. 2013, 6:18

8. 12. 2022, 11:29

miv> ja v tom treba nevidim zasadni rozdil :)
Jde treba jen o to, jestli si obvod zacnes prochazet po smeru nebo proti smeru hodinovych rucicek. Nekdo zacne, tak jako my dva, od prave strany '60' a pujde po smeru, dojde k prvni nezname, ze zvyku oznaci X a pak ji vztahne k nasledujicimu rozmeru '50'. A protoze to dava smysl, doplnek do 50 si oznaci Y.
Jiny clovek zacne stejne, ale v protismeru. Pak si oznaci jako X ten doplnek vlevo nahore a logicky algebraicky vztahne k rozmeru '40'. Pak dojde k '50' a uz vidi to svoje X. Nepotrebuje si symbolizovat Y.
Neprekvapila by me treba korelace s lateralitou. Kdybych si mel tipnout, tak reknu ze ty jsi pravak jako ja a chb mozna levak. :D
TOS S28, DIY CNC, Holzmann ZS-40HS, Prusa Mk3s+MMU2s, Bambu X1C Combo
Odpovědět

Zpět na „Rébusy“