Školácká chyba - prosím radu

kdyz nebudes vedet kam to dat tak to napis sem, admin to za tebe umisti nebo vytvori novou sekci
Odpovědět
trnkav
Příspěvky: 1033
Registrován: 12. 8. 2006, 9:45

18. 1. 2023, 8:50

Při demontáži 2 tlačítek pro zapínání pohonu vřetena u f3a jsem si bohužel nevyfotil jejich skutečné zapojení. Naučené schéma zapojení tady bohužel nefunguje a já 3 musel až k hlavnímu jističi na chodnik. Jsou tam 4 vodiče. 3 červené a jeden svetly. Ty 2 červené byly na spinacim tlačítku a vím i na kterých svorkach. 3tí červený a světlý byly na druhém tlacitku a tuším i kde. Byly tam ale ještě 2 propojovací a u těch nemůžu přijít na to kam je zapojit a proč, aby zůstalo vřeteno zapnuté po uvolnění tlacítka a po stisknutí toho 2 se zase vyplo.
Díky za záchranu
MN 80, R 12, Mazak QT8, VR2, V20, LR2, UME 200-2x, KV-250,
Uživatelský avatar
jenicek
Příspěvky: 1864
Registrován: 17. 9. 2018, 9:35
Bydliště: Vedle Trautenberka

19. 1. 2023, 7:40

Čau školáku! :lol:

https://www.poradte.cz/picture/2016/1748921o.jpg

Všechno vytrhej, proměř který kontakty jsou který a zapoj podle obrázku výše.
trnkav
Příspěvky: 1033
Registrován: 12. 8. 2006, 9:45

19. 1. 2023, 9:15

Ahoj.
Schéma pěkné, ale nevím která postavička je start a která stop.
MN 80, R 12, Mazak QT8, VR2, V20, LR2, UME 200-2x, KV-250,
Uživatelský avatar
Thomeeque
Příspěvky: 9481
Registrován: 30. 1. 2012, 10:20
Bydliště: Mimo ČR

19. 1. 2023, 9:20

Taky mi to chvilku ukazovalo postavičky (divný link), ale nakonec se kýžený obrázek dostavil.
Přílohy
1748921o.jpg
mimooborová naplavenina • kolowratský zázrak™ • NPS • GCU • HirthCalc • ncDP.ino
trnkav
Příspěvky: 1033
Registrován: 12. 8. 2006, 9:45

19. 1. 2023, 10:07

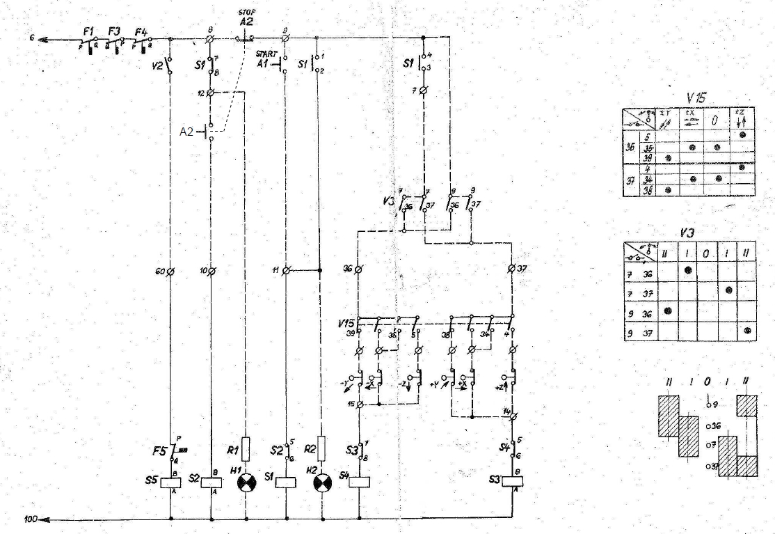
Ve vlákně o FA3 je toto schéma.
FA3 (1).jpg
Potřeboval bych vysvětlení co znamená
- kolečko šikmo přeškrtnuté
- čárkované propojení mezi A2
- S1 1-2 a S1 7-8

Bohužel mám rozvaděč tak blízko u zdi, že se do něj nedostanu, takže můžu čarovat jen s těma 4 vodičema pro tlačítka.
Naposledy upravil(a) trnkav dne 19. 1. 2023, 10:20, celkem upraveno 1 x.
MN 80, R 12, Mazak QT8, VR2, V20, LR2, UME 200-2x, KV-250,
Uživatelský avatar
Charon
Sponzor fora
Příspěvky: 6360
Registrován: 27. 7. 2019, 4:31
Bydliště: Praha

19. 1. 2023, 10:16

Obrázek takhle vložený v rozlišení na prd je k ho... Určitě ho vyfotíš lip

carkované spojeni A2 znamená že je to fyzicky jedno tlačítko s jedním spínacím a jedním rozpínacím kontaktem

dál až uděláž fotku rozumnou
SM16A, FN20, 3E710B, CDC7-2, HO02, CO2laser, Fiber.. propagator www.atreon.cz
Uživatelský avatar
Charon
Sponzor fora
Příspěvky: 6360
Registrován: 27. 7. 2019, 4:31
Bydliště: Praha

19. 1. 2023, 10:19

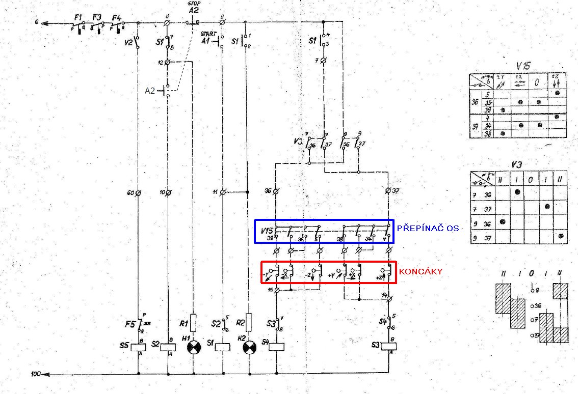
už jsem si vygůglil...

kolečko přeškrtnuté je svorka
Přílohy
Image_00364.JPG
SM16A, FN20, 3E710B, CDC7-2, HO02, CO2laser, Fiber.. propagator www.atreon.cz
trnkav
Příspěvky: 1033
Registrován: 12. 8. 2006, 9:45

19. 1. 2023, 12:11

Nejde, nejde a nejde. Asi mi nezbude nic jiného než dát místo start tlačítka vypínač. :(
MN 80, R 12, Mazak QT8, VR2, V20, LR2, UME 200-2x, KV-250,
Uživatelský avatar
Charon
Sponzor fora
Příspěvky: 6360
Registrován: 27. 7. 2019, 4:31
Bydliště: Praha

19. 1. 2023, 2:08

trnkav píše: 19. 1. 2023, 12:11 Nejde, nejde a nejde. Asi mi nezbude nic jiného než dát místo start tlačítka vypínač. :(
což teda moc bezpečné není, kde to máš? Jestli vydržíš příští týden, mám u tebe hromádku a dám ti to dokupy
SM16A, FN20, 3E710B, CDC7-2, HO02, CO2laser, Fiber.. propagator www.atreon.cz
trnkav
Příspěvky: 1033
Registrován: 12. 8. 2006, 9:45

23. 1. 2023, 4:01

Tak konečně se povedlo.
Chyba byla samozřejmě na mé straně.
Vyplynula z toho potřeba výměny vodičů, jelikož každý pokus o manipulaci s nimi končil přelomením ztvrdlé izolace. Horší práci jsem nikdy nedělal. Pěkná pakárna.
MN 80, R 12, Mazak QT8, VR2, V20, LR2, UME 200-2x, KV-250,
Odpovědět

Zpět na „kdyz nebudes vedet kam“