Čo dnes dali brúsky

Odpovědět
jergus.balaz
Příspěvky: 1761
Registrován: 24. 6. 2020, 8:41
Kontaktovat uživatele:

12. 5. 2023, 8:30

LukasGunther píše: 12. 5. 2023, 4:23 Zastavoval se stůl. Tak se repasuji čerpadla plus ty velké motory jsou už vybehane. Tak snad to bude tím.
Prevádzkové tlaky to malo? Mazanie stola funguje?
BalazKovo.sk
Uživatelský avatar
LukasGunther
Příspěvky: 603
Registrován: 14. 3. 2017, 3:53
Kontaktovat uživatele:

15. 5. 2023, 7:12

Mazání stolu funguje a provozní tlaky to +-melo. Prý to hrčí jak stará koza ty čerpadla.
https://www.gladiatools.cz

OPRAVY HYDRAULICKÝCH ČERPADEL A HYDROMOTORŮ
Uživatelský avatar
LukasGunther
Příspěvky: 603
Registrován: 14. 3. 2017, 3:53
Kontaktovat uživatele:

16. 5. 2023, 5:25

Tak nové čerpadla 12 tisíc a ještě to třetí přijde a to bude za 500kc
Přílohy
IMG_20230516_034508972.jpg
https://www.gladiatools.cz

OPRAVY HYDRAULICKÝCH ČERPADEL A HYDROMOTORŮ
Uživatelský avatar
LukasGunther
Příspěvky: 603
Registrován: 14. 3. 2017, 3:53
Kontaktovat uživatele:

17. 5. 2023, 9:45

jergus.balaz píše: 12. 5. 2023, 8:30
LukasGunther píše: 12. 5. 2023, 4:23 Zastavoval se stůl. Tak se repasuji čerpadla plus ty velké motory jsou už vybehane. Tak snad to bude tím.
Prevádzkové tlaky to malo? Mazanie stola funguje?
Prosím tě nevíš jaký sací hydraulické filtry tam patří do té kádě?? Nějaký blb je tam oddělal a nevíme jaké koupit :roll:
https://www.gladiatools.cz

OPRAVY HYDRAULICKÝCH ČERPADEL A HYDROMOTORŮ
jergus.balaz
Příspěvky: 1761
Registrován: 24. 6. 2020, 8:41
Kontaktovat uživatele:

17. 5. 2023, 10:21

LukasGunther píše: 17. 5. 2023, 9:45 Prosím tě nevíš jaký sací hydraulické filtry tam patří do té kádě?? Nějaký blb je tam oddělal a nevíme jaké koupit :roll:
Pred čerpadlom je len sieťový filter. V skrini sú potom tri papierové vložky, tie hlavne vymeňte.
BalazKovo.sk
Uživatelský avatar
LukasGunther
Příspěvky: 603
Registrován: 14. 3. 2017, 3:53
Kontaktovat uživatele:

17. 5. 2023, 3:42

Díky :wink:
https://www.gladiatools.cz

OPRAVY HYDRAULICKÝCH ČERPADEL A HYDROMOTORŮ
jergus.balaz
Příspěvky: 1761
Registrován: 24. 6. 2020, 8:41
Kontaktovat uživatele:

28. 5. 2023, 1:17

Nerez AISI 304, brúsenie otvoru 40H7 do hĺbky 140mm.
Přílohy
IMG_20230528_103329_977.jpg
IMG_20230528_103011_458.jpg
BalazKovo.sk
jergus.balaz
Příspěvky: 1761
Registrován: 24. 6. 2020, 8:41
Kontaktovat uživatele:

4. 6. 2023, 2:29

Dnes dokončené nerezové hriadele z AISI304 o dĺžke 1250mm, na každej 9 brusenych priemerov.
Přílohy
IMG_20230604_152710_934.jpg
BalazKovo.sk
prochaska
Sponzor fora
Příspěvky: 8450
Registrován: 16. 7. 2006, 12:33
Bydliště: Praha Bohnice + Roudnice nad Labem
Kontaktovat uživatele:

23. 6. 2023, 9:58

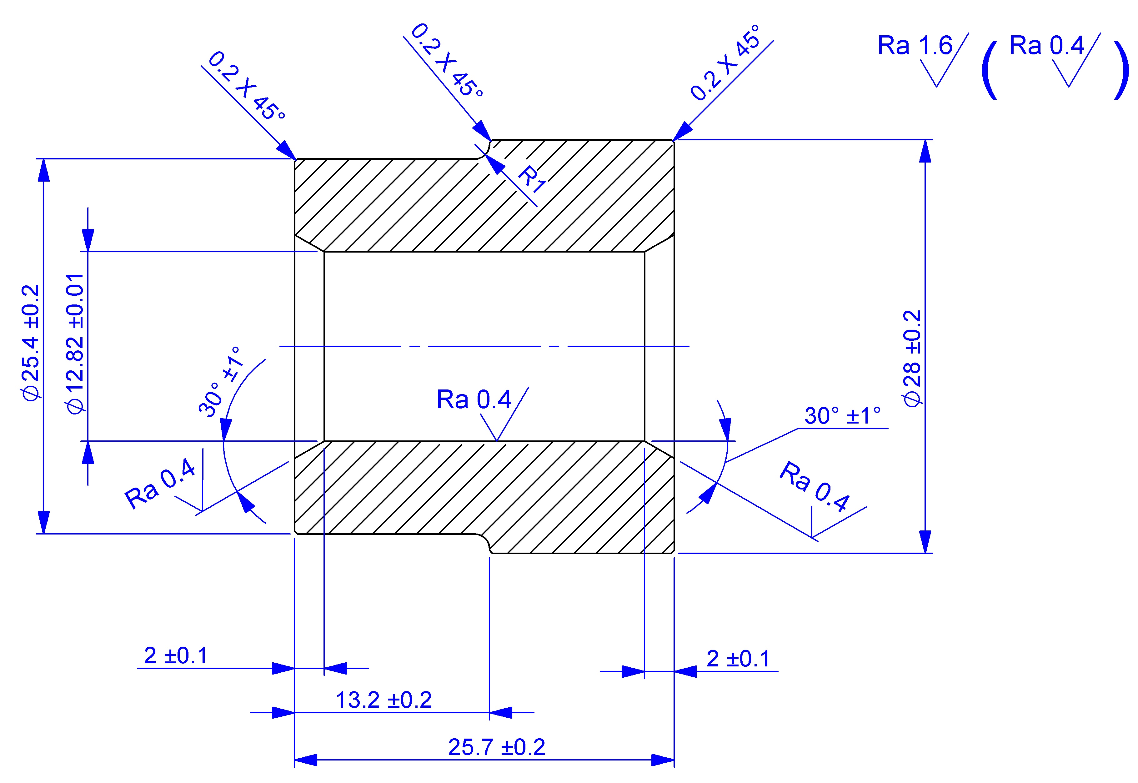
Takovej blbej dotaz: jak složitý je vyrobit takovouhle věc? Obvykle se obejdu bez broušení, tak nevím co od toho můžu chtít :-) Materiál je specifikovaný jen jako "nerez", takže by se logicky použila nějaká která se dá rozumně brousit.
Přílohy
Kalibracni tryska.JPG
Aleš Procháska
michal4985
Příspěvky: 166
Registrován: 17. 11. 2016, 5:24

24. 6. 2023, 6:24

magnet.jpg
Vie mi niekto vysvetlit ako tieto magneticke bloky funguju?zapnem magnet,bloky na nom drzia pevne ale cokolvek je na blokoch nedrzi
jergus.balaz
Příspěvky: 1761
Registrován: 24. 6. 2020, 8:41
Kontaktovat uživatele:

24. 6. 2023, 6:49

prochaska píše: 23. 6. 2023, 9:58 Takovej blbej dotaz: jak složitý je vyrobit takovouhle věc? Obvykle se obejdu bez broušení, tak nevím co od toho můžu chtít :-) Materiál je specifikovaný jen jako "nerez", takže by se logicky použila nějaká která se dá rozumně brousit.
Diel osustruzit na jedno upnutie, na otvor nechať prídavok, otvor obrusit v sklucovadle. Každá nerez sa dá rozumne brúsiť, len treba mať vybavenie :wink:
BalazKovo.sk
jergus.balaz
Příspěvky: 1761
Registrován: 24. 6. 2020, 8:41
Kontaktovat uživatele:

24. 6. 2023, 6:50

michal4985 píše: 24. 6. 2023, 6:24 Vie mi niekto vysvetlit ako tieto magneticke bloky funguju?zapnem magnet,bloky na nom drzia pevne ale cokolvek je na blokoch nedrzi
Máš ich blbo otočené, lamelovanie musí mať rovnaký smer ako lamelovanie magnetu.
BalazKovo.sk
michal4985
Příspěvky: 166
Registrován: 17. 11. 2016, 5:24

24. 6. 2023, 7:16

jergus.balaz píše: 24. 6. 2023, 6:50
michal4985 píše: 24. 6. 2023, 6:24 Vie mi niekto vysvetlit ako tieto magneticke bloky funguju?zapnem magnet,bloky na nom drzia pevne ale cokolvek je na blokoch nedrzi
Máš ich blbo otočené, lamelovanie musí mať rovnaký smer ako lamelovanie magnetu.
Otocit ich trochu pomohlo ale stale je sila upnutia mala.nemoze to byt tym ze magnet nema jemne lamelovanie?
Milan199
Příspěvky: 3565
Registrován: 18. 8. 2010, 9:04

24. 6. 2023, 7:28

michal4985 píše: 24. 6. 2023, 6:24 magnet.jpg

Vie mi niekto vysvetlit ako tieto magneticke bloky funguju?zapnem magnet,bloky na nom drzia pevne ale cokolvek je na blokoch nedrzi
Lamely na kostkách musí mít stejný směr jako na magnetu // to už ti napsal Jerguš //.
Optimálně bys měl mít kostky se stejnou pólovou roztečí //šířkou lamel//
jako magnet.

Bylo by lepší mít ty kostky naplocho. Pokud to už musíš mít takhle na výšku, založ si za obrobek úhelník // kostku , cokoliv // . Pokud by se ti tahle sestava "zhoupla" - byla by to VELIKÁ bouračka !
jergus.balaz
Příspěvky: 1761
Registrován: 24. 6. 2020, 8:41
Kontaktovat uživatele:

24. 6. 2023, 8:08

Taká "väčšia" doska, 35x750x950, materiál 11523.
Přílohy
IMG_20230623_160259_331.jpg
BalazKovo.sk
Odpovědět

Zpět na „výrobky a obrobky“