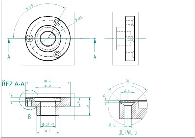
Dobrý den, poptávám výrobu ocelových vložek. Materiál ocel-cokoli obrobitelného. Rozměry v podstatě volné, přesná pouze vnitřní díra H7. Dávka cca 50 -100 ks - opakovaně.
Děkuji za nabídky.
soustružení-ocelová pouzdra
Pravidla fóra
Toto forum vyzaduje schvaleni prispevku moderatorem.
Toto forum vyzaduje schvaleni prispevku moderatorem.
-
KOVOFORM-CT
- Příspěvky: 4
- Registrován: 7. 11. 2024, 10:49
Dobrý den,
Je to ještě aktuální nebo už máte zadáno ?
Je to ještě aktuální nebo už máte zadáno ?
Monodřevo tak za kolik se to vyrábí

Mě fascinuje čeháčství ... 2x 3x se zopakuje výroba a pak howno
tak kolik je cena ? prozradím tu poslední.
Mě fascinuje čeháčství ... 2x 3x se zopakuje výroba a pak howno
tak kolik je cena ? prozradím tu poslední.
CNC: frézování 4-osy, Heidenhain iTNC530, soustruhy Heidenhain 4110, Fanuc Oi TC, 3x drátové řezačky, až Z+400, (+9let praxe)
CAD/CAM: SolidWorks 2015, HSMWorks 2016, MasterCam X5, X6, Kovoprog
CAD/CAM: SolidWorks 2015, HSMWorks 2016, MasterCam X5, X6, Kovoprog
Ještě připomenu naší dohodu ohledně zabalení každého kusu zvlášť, aby nedošlo při přepravě k vzájemnému otlučení.
Naposledy upravil(a) Dratenik dne 29. 11. 2024, 9:54, celkem upraveno 1 x.
CNC: frézování 4-osy, Heidenhain iTNC530, soustruhy Heidenhain 4110, Fanuc Oi TC, 3x drátové řezačky, až Z+400, (+9let praxe)
CAD/CAM: SolidWorks 2015, HSMWorks 2016, MasterCam X5, X6, Kovoprog
CAD/CAM: SolidWorks 2015, HSMWorks 2016, MasterCam X5, X6, Kovoprog
Poslal jsem vám email.
Pardon, možná se mýlím ale mám tento výkres je podobný ano ...
jsou tam rozdíly,
Pardon, možná se mýlím ale mám tento výkres je podobný ano ...
jsou tam rozdíly,
CNC: frézování 4-osy, Heidenhain iTNC530, soustruhy Heidenhain 4110, Fanuc Oi TC, 3x drátové řezačky, až Z+400, (+9let praxe)
CAD/CAM: SolidWorks 2015, HSMWorks 2016, MasterCam X5, X6, Kovoprog
CAD/CAM: SolidWorks 2015, HSMWorks 2016, MasterCam X5, X6, Kovoprog