Pro malý CNC soustruh, nebo automat

Požadavky na výrobu dílů - poptávkové fórum
Pravidla fóra
Toto forum vyzaduje schvaleni prispevku moderatorem.
josef109
Příspěvky: 708
Registrován: 21. 5. 2017, 5:15
Bydliště: Praha

28. 11. 2024, 7:08

Ahoj,

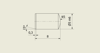
chci Vás poprosit o orientační nástřel ceny výroby součásti na obrázku.
Součást3.png
Materiál PEEK (asi bych dodal), počet kusů 650. Jednorázová akce.
Pokud se někde něco takového vyrábí, budu vděčný za nasměrování.
Ocelové kolíky bohužel nevyhovují.

Předem děkuju.

Josef

Edit: polotovar v kruhových tyčích, průměr 6 h9, délka 1m
hastroha
Příspěvky: 306
Registrován: 26. 12. 2017, 5:53

29. 11. 2024, 5:07

U nás běžně děláme.

Wolkoplast s.r.o.
https://www.wolkoplast.cz/cs
Jonáš
Příspěvky: 33
Registrován: 10. 1. 2023, 6:45

29. 11. 2024, 7:28

píši soukromou zprávu
Volejte a pište na tel. a mail co zmíním.
SZ nečtu.
RaS
Příspěvky: 8843
Registrován: 26. 3. 2009, 9:12
Bydliště: Úvaly

29. 11. 2024, 7:42

jenom takový dotaz,
dá se na tom PEEKu dodržet předepsanou toleranci? to je odhadem tak půl stovky
věčný rýpal,který musí mít poslední slovo, odpůrce low-cost zařízení končících v naprosté většině případů v hromadě šrotu
uživatelé hýbátek, kteří mají z mých příspěvků celoživotní trauma nechť si mé příspěvky VYPNOU
hastroha
Příspěvky: 306
Registrován: 26. 12. 2017, 5:53

30. 11. 2024, 7:10

RaS píše: 29. 11. 2024, 7:42 jenom takový dotaz,
dá se na tom PEEKu dodržet předepsanou toleranci? to je odhadem tak půl stovky

Ano dá se , jen záleží na jaký stroj jej dá vyrobit a kdo to bude obsluhovat.
V tom to případě je nutné použít dva stranové nože hrub a šloicht . PEEK tupí plátky. Otáčky 1800 - 2500 s přehledem.
Blbů a zdechlotin je stále dostatek. Jak se nechce , řekne že to nejde vyrobit a nemusí se dřít.
josef109
Příspěvky: 708
Registrován: 21. 5. 2017, 5:15
Bydliště: Praha

1. 12. 2024, 12:55

RaS píše: 29. 11. 2024, 7:42 jenom takový dotaz,
dá se na tom PEEKu dodržet předepsanou toleranci? to je odhadem tak půl stovky
Na konvenčním soustruhu s tím nemám problém, jen je to celkem piplačka...
Jonáš
Příspěvky: 33
Registrován: 10. 1. 2023, 6:45

4. 12. 2024, 8:30

josef109 píše: 1. 12. 2024, 12:55
RaS píše: 29. 11. 2024, 7:42 jenom takový dotaz,
dá se na tom PEEKu dodržet předepsanou toleranci? to je odhadem tak půl stovky
Na konvenčním soustruhu s tím nemám problém, jen je to celkem piplačka...
Emco S45 TC (bez poháněčky),
soustružil jsem namísto brusky na tisíciny včetně opracování 0,2... Ocel, nerez, polyamid. Všude se dá dodržet tolerance. :wink:
Volejte a pište na tel. a mail co zmíním.
SZ nečtu.
Tom Dvk
Příspěvky: 627
Registrován: 24. 7. 2018, 1:08

5. 12. 2024, 5:26

:mrgreen: :mrgreen: :mrgreen:
RaS
Příspěvky: 8843
Registrován: 26. 3. 2009, 9:12
Bydliště: Úvaly

5. 12. 2024, 8:27

troufám si tvrdit, že ten rozměr v rozsahu tolerance 5m6 (5.004 až 5,012) na jediném výrobku s přesností do 0,5mikronu nejlepších 10 z Vás nebude ani umět změřit tak, aby jste se navzájem shodli na stejném čísle, (pokud bych např dodal etalon 5.265 neznámého "chlupatého" průměru) troufám si tvrdit, že ani polovina z Vás se nesejde na stejném čísle tedy 5,262 až 5,267 např), ale všichni s takovou přesností vyrábíte ..

ale OK asi se doba někam posunula..

otázka ale nebyla myšlena tak, jesti to jde dělat, ano na kvalitním stroji do půl stovky dělat jde, ale myšleno to bylo tak, jestli ten plast ten rozměr udrží. že to změřím i opakovaně, až to vytáhnu za týden z krabice?
věčný rýpal,který musí mít poslední slovo, odpůrce low-cost zařízení končících v naprosté většině případů v hromadě šrotu
uživatelé hýbátek, kteří mají z mých příspěvků celoživotní trauma nechť si mé příspěvky VYPNOU
Milan199
Příspěvky: 3565
Registrován: 18. 8. 2010, 9:04

5. 12. 2024, 9:13

RaS píše: 5. 12. 2024, 8:27 ...
otázka ale nebyla myšlena tak, jesti to jde dělat, ano na kvalitním stroji do půl stovky dělat jde, ale myšleno to bylo tak, jestli ten plast ten rozměr udrží. že to změřím i opakovaně, až to vytáhnu za týden z krabice?
Otázka je i jak to na těch 0,005 změříš. Mikrometrem to "rozmáčkneš" // čti propruží to // a pasametr kalibrovaný na johansonku naměří něco jiné na tvrdou a "plošnou" měrku a něco jiné na váleček z plastu, kde je dotyk přímkový.
Tom Dvk
Příspěvky: 627
Registrován: 24. 7. 2018, 1:08

6. 12. 2024, 5:18

Musí se hlavně měřit rychle. :D Na druhý den je spousta těchto nekovových materiálů jinde. Snad nejhorší je v tomto ohledu teflon/flexon, ten je do pár dní klidně o dvě desetiny jinak, hlavně na délce. Ten kus nahoře vypadá jako vložka-dotyk do stavěcího šroubu, tyhle věci dělám klidně 0.05 do plusu, přesto že normálně by na lis byla stovka a půl.
Uživatelský avatar
Thomeeque
Příspěvky: 9521
Registrován: 30. 1. 2012, 10:20
Bydliště: Mimo ČR

6. 12. 2024, 7:19

Na hřídele se žádné "johansonky" nedělají?
mimooborová naplavenina • kolowratský zázrak™ • NPS • GCU • HirthCalc • ncDP.ino
Milan199
Příspěvky: 3565
Registrován: 18. 8. 2010, 9:04

6. 12. 2024, 7:49

Thomeeque píše: 6. 12. 2024, 7:19 Na hřídele se žádné "johansonky" nedělají?
Dělají - existují přesné čepy a kalibry. Problém je v tom, že tím sice nastavíš přesně měřidlo, ale ten plast ti pod měřidlem propruží.
Pokud mám zkušenost tak opticky se to měřit nedá a třeba na teflonu docela ujíždí i jinak přesné laserové měřidlo.
Uživatelský avatar
robokop
Site Admin
Příspěvky: 23275
Registrován: 10. 7. 2006, 12:12
Bydliště: Praha
Kontaktovat uživatele:

6. 12. 2024, 8:58

Resil jsem neshodu u vyrobku v podobe Al prstynku s dvouma slicema. Tolerance asi 0.03 nebo tak neco. Vzdy to reklamoval zakaznik ze mu to nejde do diry. Mezitim byl tvrdo elox. Hazelo se to na serizovace, obsluhu, galvanovnu. Tak jsem to dal na 3d hned ze soustruhu. Druhy, treti, paty, desaty den taky. Za dva tydny jsem prinesl stos protokolu a zahada vyresena... nez to doslo k zakaznikovi byla z toho brambora. Stejnetak dil ktery mel byt do 0.003 rovny. Ale chteli ho co nejdriv. Tak jsem mu to prejel hodinkama jeste na brusce s tim ze se to s jistotou zkrouti. To akceptovali. Nakonec to davali do lisu takze predpis na vykrese nemel byt rovinnost ale paralelita. Tzn. Mnohdy nejde o to kolik to ma mit ale kdy je to ma mit.
Vsechna prava na chyby vyhrazena (E)
Sancho Panza
Příspěvky: 1223
Registrován: 6. 3. 2021, 12:50

23. 12. 2024, 8:02

hastroha píše: 30. 11. 2024, 7:10 Blbů je a zdechlotin stále dostatek.
Nelze než souhlasit.
Odpovědět

Zpět na „Potřebuji vyrobit - vypomoc pri vyrobe“