MN80.-typy,rady,fotky

Vse o konvencnich strojich, nic o jejich prestavbe na cnc
Odpovědět
zverodoktor
Příspěvky: 3656
Registrován: 3. 6. 2007, 9:49
Bydliště: Bratislava

28. 5. 2025, 4:58

Kvako1 píše: 28. 5. 2025, 12:33 jinak mam tam ty ložiska ocelová a jenom z vložkou z bronzu. má to tak 1mm ta vložka. možná by stačila ta vložka ne ?
V nejakej socíkovej knihe je vzorový postup výroby takéhoto typu ložiska. Ten bronz sa do toho oceľového futra zalieval vo forme. Skúsim pre zaujímavosť pohľadať tú knihu keď prídem domov.
SU32, MN80, FN25, ISEL4433, Jakobsen SJ25, N1, VS16, Anycubic Kossel
Uživatelský avatar
tumlik
Sponzor fora
Příspěvky: 3821
Registrován: 19. 12. 2007, 8:20
Bydliště: já su z Moravskej :-)
Kontaktovat uživatele:

28. 5. 2025, 7:57

Kvako1 píše: 28. 5. 2025, 12:26
jo ja chci upravit vrřeteník, spíš asi vyrobit nový komplet ten vřeteník. a koukam na ložiska jestli by tam něco vlezlo nebo jestli to dělat komplet nove. už mě ty ložiska štvou delší dobu..

co za upravu jsi dělal ? i jsem uvažoval že bych ti zavolal , kůli repasi toho vřeteniku , ale zatim jenom sonduju.

dopředu jsem uvažoval dvě dvouřade kosouhle ložiska, rozměr 38/54/17 a do zadu jedno dvouřade kosouhle 32/55/23 nic lepšiho jsem nenašel
normálně jsem měnil kluzné ložiska, já je mám skladem ,ale jsou celobronzové ve variantě tak jak na tom výkresu výše, za mně je kravina vymýšlet výměnu za kuličkové ložiska když to bylo koncepčně děláno na kluzné, to myslím nedopadne dobře, myslím, že ten prostor znám a to napasování vřeteník-kuličkové ložiska-vřeteno si nedovedu dost dobře představit
můj názor je, že je to kravina, se zaškrabanýma kluznýma to bude točit ještě padesát let pokud se to bude mazat tak jak se má a nervat do toho převoďáky a motoráky, nebo "vazelínu" :D

ad ta výstelka, pakliže bys měl přípravek negativu toho pouzdra s vymyšleným stahováním proti vložce v té drážce, tak by to myslím bylo schůdné řešení to odtočit a klidně jen vlepit stočený bronzový plech s nějakou axiální fixací k tomu kovu......?? no ale to je takové ale :roll:
http://www.tumlikovo.cz/
Popularizační web nástrojařství a kovoobrábění
Kvako1
Sponzor fora
Příspěvky: 1687
Registrován: 5. 4. 2011, 7:29
Bydliště: Praha, Čadca

28. 5. 2025, 8:56

tumlik píše: 28. 5. 2025, 7:57
normálně jsem měnil kluzné ložiska, já je mám skladem ,ale jsou celobronzové ve variantě tak jak na tom výkresu výše, za mně je kravina vymýšlet výměnu za kuličkové ložiska když to bylo koncepčně děláno na kluzné, to myslím nedopadne dobře, myslím, že ten prostor znám a to napasování vřeteník-kuličkové ložiska-vřeteno si nedovedu dost dobře představit
můj názor je, že je to kravina, se zaškrabanýma kluznýma to bude točit ještě padesát let pokud se to bude mazat tak jak se má a nervat do toho převoďáky a motoráky, nebo "vazelínu" :D

ad ta výstelka, pakliže bys měl přípravek negativu toho pouzdra s vymyšleným stahováním proti vložce v té drážce, tak by to myslím bylo schůdné řešení to odtočit a klidně jen vlepit stočený bronzový plech s nějakou axiální fixací k tomu kovu......?? no ale to je takové ale :roll:
Original by byly lepší ale nechce se mi davat zas 10k za ložiska.
stěmi kuličkovými jsi mě asi nepochopil, nechci nic dopasovavat, udělam celý vřetenik nový , šak je to jednoducha kostka s dvouma dirama na ložiska.
cnc to vychroupe za par hodin. :)
musim to ale nejdřiv rozebrat a uvidim co dál. možna to zas jenom vic dotahnu .. mažu poctivě olejem na to určeným.když tak ti pisnu sz.
Uživatelský avatar
Wema
Příspěvky: 93
Registrován: 16. 9. 2018, 12:06

3. 9. 2025, 8:53

Dobrý den pánové znalci.
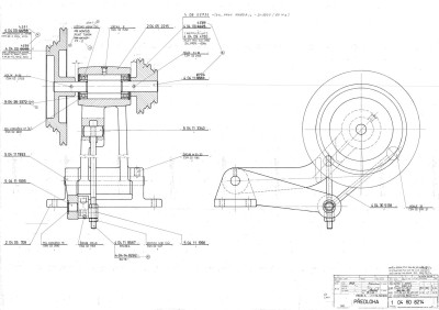
Je tohle soustruh MN80? Nemohu si pomoct - ikdyž si odmyslím samo-domo udělaný kryt vřeteníku, zdá se mi to moc hranaté - uložení ložisek vřeteníku, část odkud vychází posuvový šroub.....bylo třeba více modelů (starší, novější), nebo se jedná o jiný klon? Vím že například Rusko i Polsko mělo podobné stroje.
Děkuji mnohokrát za identifikaci!
Wema
Přílohy
IMG-20250902-WA0007.jpg
IMG-20250902-WA0004.jpg
IMG-20250902-WA0005.jpg
IMG-20250902-WA0014.jpg
IMG-20250902-WA0015.jpg
Uživatelský avatar
tumlik
Sponzor fora
Příspěvky: 3821
Registrován: 19. 12. 2007, 8:20
Bydliště: já su z Moravskej :-)
Kontaktovat uživatele:

4. 9. 2025, 7:21

Wema píše: 3. 9. 2025, 8:53 Dobrý den pánové znalci.
Je tohle soustruh MN80? Nemohu si pomoct - ikdyž si odmyslím samo-domo udělaný kryt vřeteníku, zdá se mi to moc hranaté - uložení ložisek vřeteníku, část odkud vychází posuvový šroub.....bylo třeba více modelů (starší, novější), nebo se jedná o jiný klon? Vím že například Rusko i Polsko mělo podobné stroje.
Děkuji mnohokrát za identifikaci!
Wema
Blbě to jde vidět, ale zdá se mi, jakoby ten vřeteník byl hliníkový? stejně tak pouzdra šroubů, lyra, ložisko posuvového šroubu, pouzdro reduktoru, taky nohy lože jsou hranatější jako kdyby to byly jen samostatné podstavce
to jsem teda nikdy neviděl
http://www.tumlikovo.cz/
Popularizační web nástrojařství a kovoobrábění
zoltan19
Příspěvky: 9
Registrován: 5. 2. 2020, 9:05

27. 9. 2025, 7:17

Zdravím všetkých,
poraďte mi, prosím. Aká skrutka zaisťuje ložisko vretena? Myslím typ (M6x1). Ďakujem.
Uživatelský avatar
issic
Příspěvky: 49
Registrován: 17. 11. 2011, 10:58
Bydliště: Praha 2
Kontaktovat uživatele:

22. 2. 2026, 11:12

Někde jsem tu viděl plán stolu MN80 s rozměrama, ale nemůžu to najít, nemáte to někdo?

EDIT: Uz jsem to nasel v jinem vlákně.
http://vimeo.com/martinpreiss
MN80
Puclik
Příspěvky: 11
Registrován: 23. 9. 2010, 5:28

1. 3. 2026, 12:20

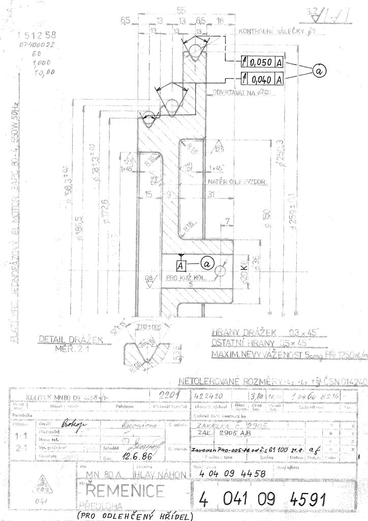
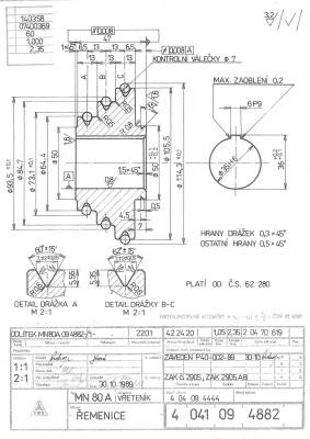
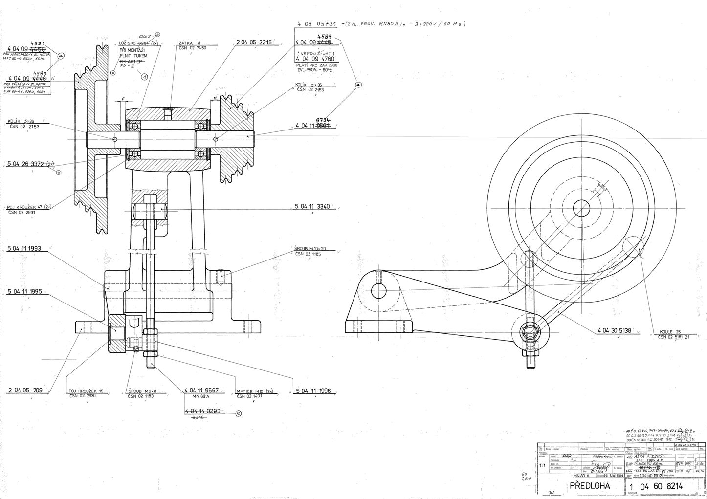
Ahoj. Dalších několik výkresů, které třeba někomu pomůžou.
Přílohy
40904447.jpg
40904457.jpg
40904589.jpg
40904590.jpg
40904591.jpg
40904882.jpg
46008214.jpg
47000619.jpg
47002694.jpg
Odpovědět

Zpět na „konvenční soustruhy“