Bipolarni driver pro KM

jaké jsou rozdíly z pohledu řízení
Odpovědět
Citronnek
Příspěvky: 9
Registrován: 9. 11. 2010, 7:54
Kontaktovat uživatele:

16. 1. 2011, 2:12

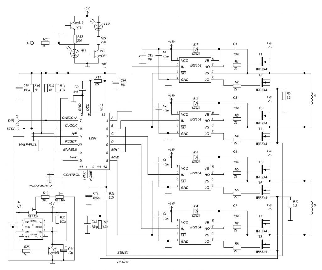
Dobrý den, chtěl bych se zeptat, pokud ve spojeni L297 s L298 dochází k omezování proudu pomocí porovnávání Uref s SenseA a následným vypnutím vykonového stupně inhA (inh chopping), pokud nebudu chtít použít výkonový stupeň L298, čím mohu nahradit toto měření proudu? Měl bych zapojení s tranzistory (možnost mnohem většího výstupního proudu). A zda je množné, či vhondé použít D regulátor na vstupu Uref, pro krtátkodobé přetížení soustavy ->hladší rozběh..
Děkuji
Přílohy
H bridge.png
madmed
Příspěvky: 100
Registrován: 4. 3. 2009, 7:21
Bydliště: Praha

18. 2. 2011, 12:25

Ahoj, máš k tomu zapojení i DPS? Já bych řízení proudu nechal pravděpodobně na zdroji.
Odpovědět

Zpět na „krokove unipolarni bipolarni a servomotory“