Navrh vlastniho Driveru pro CNC

postupy vyroby a nejake zajimave navrhy
Odpovědět
adolf01
Příspěvky: 1
Registrován: 19. 7. 2010, 6:38
Kontaktovat uživatele:

19. 7. 2010, 6:55

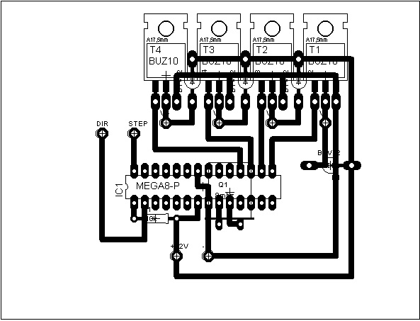
Ahoj sem tu novej a chtel bych si zkusit vytvorit nejaky to jednoduchy cnc. A jelikoz sem slektronik tak mi to nedaloa navrhnul sem si vlastni driver ovladanej procesorem. DPS viz obrazek. A samozrejme sem k tomu napsal i program viz. link. Inspiroval sem se profistepem a schematem z http://www.amcnc.cz/. Procesor je ATMEGA8-AU (40kc) a jako spinaci trandaky IRLZ34N (20kc/ks). Takze me celej jeden driver vyjde na maly penize a navic mi u MCU zbyde mraky nozicek na pripadny vylepseni atd.. :) Ale proc o sem pisu. Vzhledem k tomu ze sem to plodil ja tam budou na 100% chyby a nedokonalosti. Diky za komenty.

http://pastebin.com/NGtnRNCG
Přílohy
plosnak_cnc_uni_driver.png
plosnak_cnc_uni_driver.png (3.01 KiB) Zobrazeno 11844 x
Jukos3
Příspěvky: 203
Registrován: 24. 10. 2008, 5:20
Bydliště: Svit
Kontaktovat uživatele:

25. 2. 2011, 5:40

Ahoj

Toto je hobby driver na pohybanie motorom,minimalne byt to chcelo regulaciu prudu pomocou PWM, aby si na to moho pripojit vyssie napatie.

s.p. Jukos3
Kazdy raz nejako musel zacat ...
http://robotika.yweb.sk
http://ap.urpi.fei.stuba.sk/sensorwiki/index.php/Kráčajúci_mobilný_robot
Odpovědět

Zpět na „plosnaky“