SW STEP4 V4
Zkušenosti s připjením SW STEP4 na amaterskou frézku. Nemáte někdo připojenou frézku s připojením přes paralelní port (elektronika http://maczaka.webz.cz/deska_freza.htm) a používá ovládání výstupů?
Martin
Mam a funguje. Co Vam nefunguje? Kkrizma píše:Zkušenosti s připjením SW STEP4 na amaterskou frézku. Nemáte někdo připojenou frézku s připojením přes paralelní port (elektronika http://maczaka.webz.cz/deska_freza.htm) a používá ovládání výstupů?
Jdou ovládat obě dve relé na desce. Jak musí být nastaven SW. Děkuji.
Martin
Matine jestli můžeš hod' na své www. stránky pár snímků frézky. Ted' tady na foru, trochu navádím mladého kolegu tak at' je v obraze. Dík Rosta.
Tak u Light verze nefungují výstupy. 
Martin
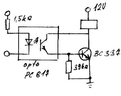
Sem to v Machu pořešil jednoduchým zapojením.
Jestli nepotřebuješ spínání v nule taxe ti snad bude hodit tohle zapojení.
Paralelně k relé je ještě třeba zapojit diodu a pro kontrolu vstupu můžeš do série s 1.5k zapojit ledku.
Jestli nepotřebuješ spínání v nule taxe ti snad bude hodit tohle zapojení.
Paralelně k relé je ještě třeba zapojit diodu a pro kontrolu vstupu můžeš do série s 1.5k zapojit ledku.
Nikdy neříkej, že něco nejde, protože se najde iniciativní blbec, který neví, že to nejde a udělá to.
Díky za zapojení. Já desku výstupů mám, jen ve STEP4 jsou u verze LIGHT softwarově zablokované výstupy....... 
Martin
-
joskapilot
- Příspěvky: 12
- Registrován: 24. 2. 2008, 4:41
Ahoj nemáte někdo plnou verzi programu SW STEP4 V4 který funguje s elektronikou připojenou přes LPT http://maczaka.webz.cz/index.htm
Marně ho scháním na NETU . Dík
Marně ho scháním na NETU . Dík
CNC joska
Joskopilote SW STEP4 V4 - tato verze má ochranu před cracky apod. hardwérovým klíčem takže ji na netu seženeš, pouze demoverzi. Takže pokud chceš pouze tuto verzi tak ti nezbyde nic jiného než si ji legálně koupit. Bob.
Ta demoverze je vlastně plnou verzí. Obsahuje všechny moduly. Až HW klíč však z té demoverze udělá plnou verzi a umožní použití jednotlivých modulů dle zakoupené licence.joskapilot píše:Ahoj nemáte někdo plnou verzi programu SW STEP4 V4 který funguje s elektronikou připojenou přes LPT http://maczaka.webz.cz/index.htm
Marně ho scháním na NETU . Dík
wolf