Panasonic AC servo driver

Odpovědět
g.ges.hc
Příspěvky: 152
Registrován: 2. 1. 2008, 11:24

31. 8. 2012, 10:15

zdravím vás
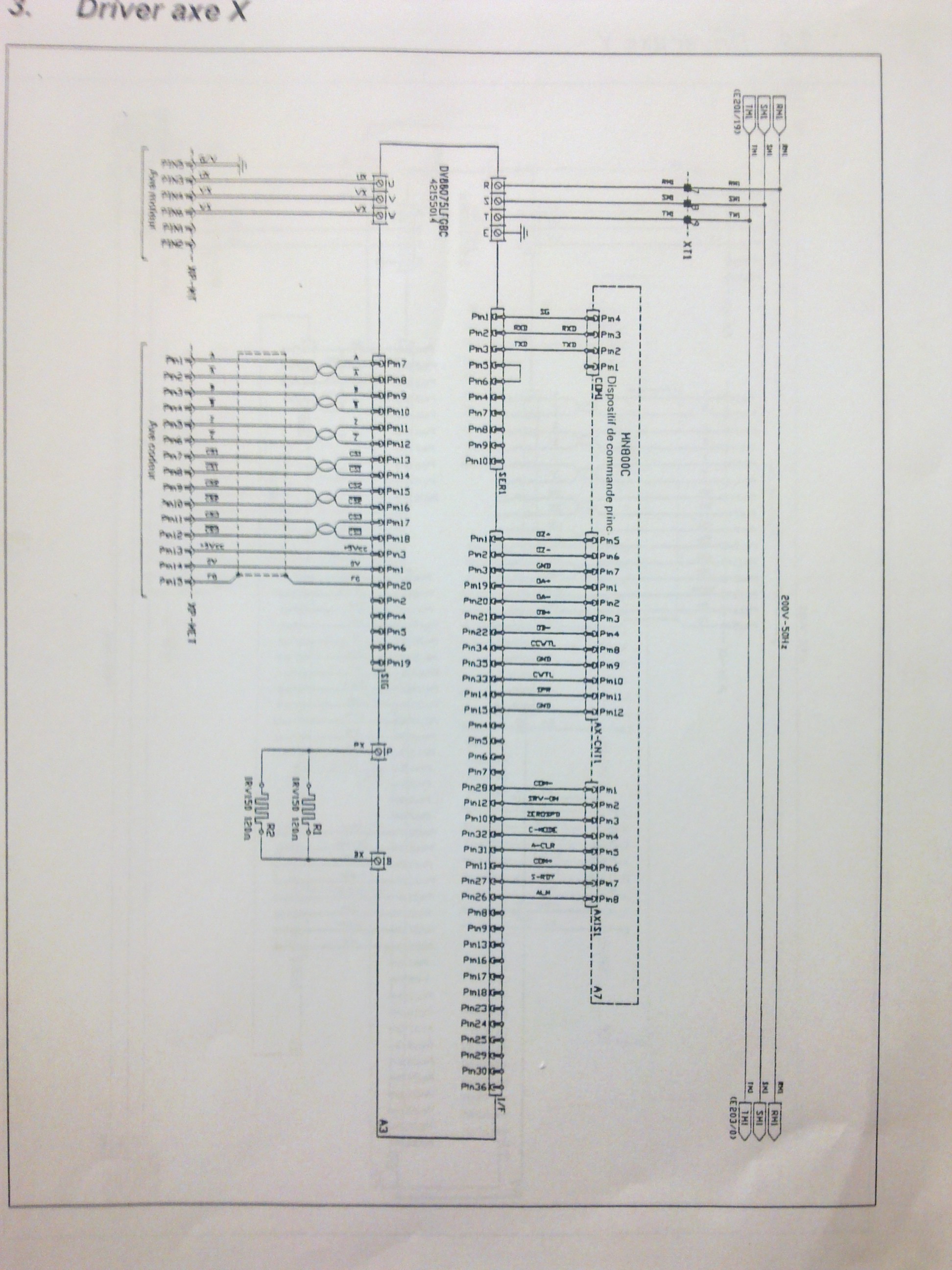
právě sem dostal toho řízení a chtěl bych se zeptat jestli náhodou někdo neznáte tyto drivery na AC SERVO jedá se mi o to jak to vůbec zapojit nikde na netu jsem nenašel žádné schéma :-(
Přílohy
Obraz0178.jpg
Obraz0173.jpg
Obraz0181.jpg
g.ges.hc
Příspěvky: 152
Registrován: 2. 1. 2008, 11:24

20. 9. 2012, 6:58

tak jsem doslal zapojení těchto driverů ale bohužel je napájení 3x 200v což nevím kde sehnat takové trafo nemám a nemám ani serva tak mi to ani neposlouží :D :D :D :D :D
Přílohy
Obraz0200.jpg
Obraz0201.jpg
PBr
Příspěvky: 1031
Registrován: 16. 6. 2007, 8:21
Bydliště: Slovensky Grob
Kontaktovat uživatele:

21. 9. 2012, 9:03

Trafo k tomu sa da doriesit :)
Ja som si prednedavnom daval robit ponuky na take iste trafo o vykone 2.5kVA, vychadzalo to do 200eur.
Otazka ci sa ti to oplati pre teba...
Odpovědět

Zpět na „Ostatní elektronika“