pěkná práce.
včera jsem to věčer skoumal a asi mi tam bude zavazet ta čast z motorem. potřeboval bych to dát zepředu suportu.
napadlo mne dat to buď nastojato, nebo to zrcadlově otočit.
další možnost je zvedšit tu upínací desku na nože, ale pak se tam asi zvědší zatížení a nemuselo by to udržet pozici. myslíš že pokud bych to dal nastojato nevadilo by to ?
taky se peru z časem , nějak nestíham v práci a na tohle mám malo času. tak abych se zbytečně nedostal do nějaké slepé uličky.na tu gumu je tam jaký prostor ? myslím tím s jakou se tam počíta tloušťkou?
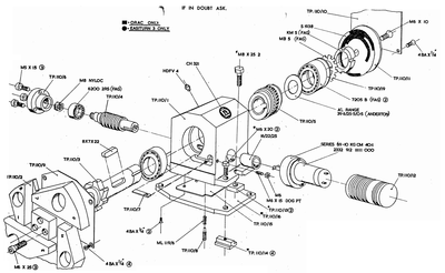
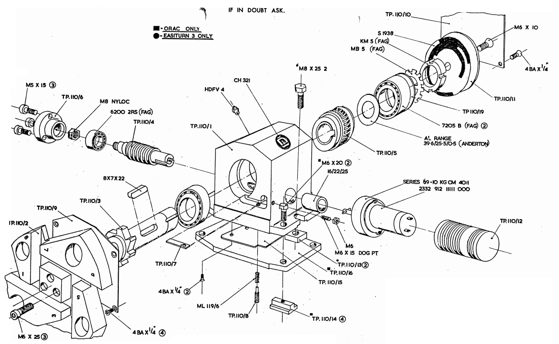
dík za fotky
