A som tam kde som bol pred navrhom, tusil som ze rozpravky na webe o budeni mosfetu jednym TTL hradlom je absolutna sprostost, vhodna pre motorceky z tlaciarni a bez PWM. Toto som chcel vediet, tak potom je ubytok na hradle lebo je pretazene spinanim pri velkom kmitocte.
Logic level hexfety TTL ovladanie
No, IRFZ44 zrovna nema Logic Level Gate Driver. Zmienil som sa o moznom pouziti IRL540, ten obsahuje tento driver, tam je vstavany ttl budic, ako nahradu som nasiel 6 hradiel paralelne pred bezny irf540, takze budem musiet investovat do tychto tranzistorov, radsej ako do celeho blistra 7408ciek
A som tam kde som bol pred navrhom, tusil som ze rozpravky na webe o budeni mosfetu jednym TTL hradlom je absolutna sprostost, vhodna pre motorceky z tlaciarni a bez PWM. Toto som chcel vediet, tak potom je ubytok na hradle lebo je pretazene spinanim pri velkom kmitocte.
A som tam kde som bol pred navrhom, tusil som ze rozpravky na webe o budeni mosfetu jednym TTL hradlom je absolutna sprostost, vhodna pre motorceky z tlaciarni a bez PWM. Toto som chcel vediet, tak potom je ubytok na hradle lebo je pretazene spinanim pri velkom kmitocte.
Odporucam kazdemu na pochopenie spinania mosfetov tuto stranku, je v AJ, ale kopec obrazkov a pouzivane vyrazy nebudu problem pre nikoho. Dakujem za odpovede v tomto threade a este sa tesim na dalsie prispevky nez tuto temu admin lockne.
http://www.irf.com/technical-info/appnotes/an-937.pdf
http://www.irf.com/technical-info/appnotes/an-937.pdf
- RadekCX
- Příspěvky: 622
- Registrován: 14. 7. 2006, 10:12
- Bydliště: Č.Budějovice
- Kontaktovat uživatele:
hmmm koukni se na obvod MC34151 myslim ze byl za par korun v GME - je to rpesne to co potrebujes jestli jsem se neprehlidnul
umi to 1,5A resi to dead time a vubec je to sikovnej svabik - vyjde te to na ty same prachy co ty hradla a navic to bude fungovat a nebude ani potrebovat LL Mosfety
umi to 1,5A resi to dead time a vubec je to sikovnej svabik - vyjde te to na ty same prachy co ty hradla a navic to bude fungovat a nebude ani potrebovat LL Mosfety
RadekCX
======================================================================
http://www.cncnet.info - problematika CNC a automatizace
http://www.jakjevenku.info - webová meteostanice
======================================================================
http://www.cncnet.info - problematika CNC a automatizace
http://www.jakjevenku.info - webová meteostanice
- RadekCX
- Příspěvky: 622
- Registrován: 14. 7. 2006, 10:12
- Bydliště: Č.Budějovice
- Kontaktovat uživatele:
tak GME ho ma uz jen na objednavku, ale zde jej maji take:
http://www.tme.cz/katalog/index.phtml?f ... 4151&idp=1
http://www.tme.cz/katalog/index.phtml?f ... 4151&idp=1
RadekCX
======================================================================
http://www.cncnet.info - problematika CNC a automatizace
http://www.jakjevenku.info - webová meteostanice
======================================================================
http://www.cncnet.info - problematika CNC a automatizace
http://www.jakjevenku.info - webová meteostanice
- RadekCX
- Příspěvky: 622
- Registrován: 14. 7. 2006, 10:12
- Bydliště: Č.Budějovice
- Kontaktovat uživatele:
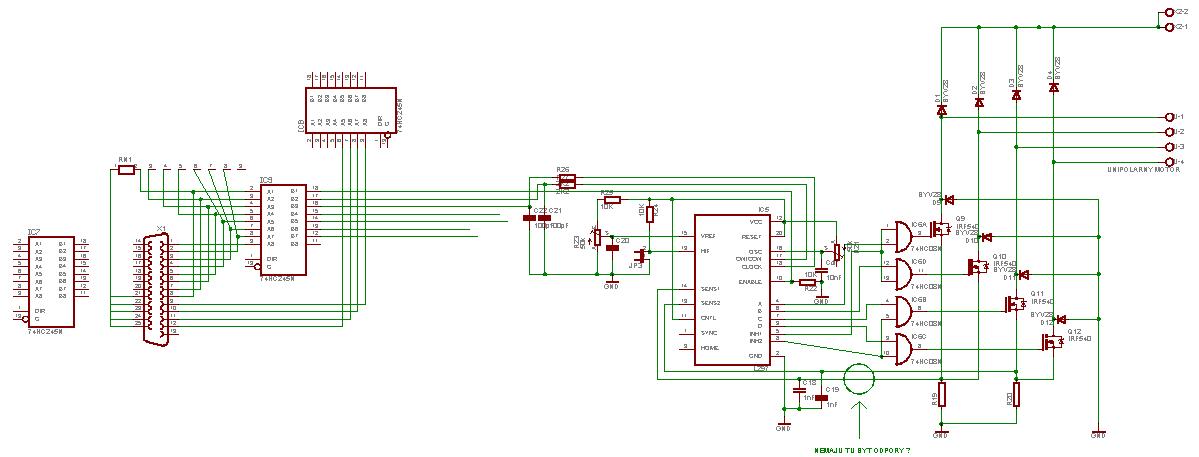
ja kouk jen na to schema a videl jsem unipolar tak jsem to nijak dal neresil... 
RadekCX
======================================================================
http://www.cncnet.info - problematika CNC a automatizace
http://www.jakjevenku.info - webová meteostanice
======================================================================
http://www.cncnet.info - problematika CNC a automatizace
http://www.jakjevenku.info - webová meteostanice
NEJEDE DO OTACEK ! Dal som tam IRL540 - tranzistory urcene pre spinanie ttl obvodmi. Nejde to ani do 100Hz, nastavenie prudu 1,5A, zdroj 34V, filter 20milifarad. Tak ja uz neviem
Zly sen pokracuje a tento thred tiez. V scheme je opacne control a odpory na sense su 1K, kondy 1nF
Naposledy upravil(a) J0hny dne 15. 5. 2008, 6:32, celkem upraveno 3 x.
Mozem sa opytat na funkciu diod D10 az D12? Co ochrani trandaky pred indukovanym napatim po vypnuti vinutia? IRx540 su iba do 100V, to je malo.
Vidim to tak, ze budes tu s tym spekulovat este neviem ako dlho, byt na tvojom mieste tam uz davno mam L298 abo 6203 a mas komplet driver na motory. Ale zasa na druhej strane sa takto viac naucis..
Vidim to tak, ze budes tu s tym spekulovat este neviem ako dlho, byt na tvojom mieste tam uz davno mam L298 abo 6203 a mas komplet driver na motory. Ale zasa na druhej strane sa takto viac naucis..
Tie diody su pozostatky z bipolarneho zapojenia,plnia ochrannu funkciu ale len trandakov. Spolu s .. aha, niesu na scheme, diody na + napajania, lenze tie sa väcsinou hreju, mam ich tam. Spotreba za usmernovacom je 1A a prud z diod na plus je 5A, takze ochranujuPBr píše:Mozem sa opytat na funkciu diod D10 az D12? Co ochrani trandaky pred indukovanym napatim po vypnuti vinutia? IRx540 su iba do 100V, to je malo.
O L298 mam svoju mienku, a potrebujem ovladat motory prudom aspon 4A. Ano, mam chut sa hodne ucit. Az mi to pojde na 5amper, budem spekulovat ako s tym ist na 10Amper.PBr píše:Vidim to tak, ze budes tu s tym spekulovat este neviem ako dlho, byt na tvojom mieste tam uz davno mam L298 abo 6203 a mas komplet driver na motory. Ale zasa na druhej strane sa takto viac naucis..
No tie diody paralelne s vinutim sa budu stale hriat, lebo po vypnuti cez nich sa vybija energia z cievky, samozrejme je to neziaduci jav, ktory ti vobec nepomoze, tu energiu treba nejak dostat spat do zdroja. Aj preto je bipolarne riadenie lepsie,lebo tam sa to da.
Tak som to cele pomeral a zistil ze nejde regulacia prudu.
Osciloskop cez zvukovu kartu stoji za prd, ale je vidiet ze regulacne vystupy INH maju na vystupe sprostosti- nepodoba sa to na pwm regulaciu, kde impulz ma mat predpokladam obdlznicky 17KHz (nastavene oscilatorom) a sirka tychto obdlznickov sa ma menit. Presne naopak, na spodku impulzov, ked sledujem kanal A aj B, kde mam na Acku vystup z l297 "D" a na B cku mam INH2. Tu je vidiet ze INH impulz je uzsi od D, avsak len bez zapojeneho integraca 74HC08. Zacinam si mysliet, ze vsetky vystupy z L297 treba invertovat.
Robi si to co chce a ja neviem preco.
S nezapojenymi AND hradlami su na vsetkych vystupoch L297 pekne obdlznikove impulzy s miernym zvlnenim na vrchole aj v "diere".
10KHz na vstupe step, stale pekne casuje A-B-C-D v halfstepe.
Zajtra skocim do obchodu, mam podozrenie na hradla, moc sa hreju, dam do pätic po 3 IO naseba, nafotim co ukazuje osciloskop a hodim to sem, snad niekto poradi co stym a kde je chyba
P.S. Vystupy ABCD z L297 pripojil priamo na tranzistory. Takto to ide, ale bez PWM, na sietovom adapteri 5V/1A. Male napätie-pochopitelne male otacky
Osciloskop cez zvukovu kartu stoji za prd, ale je vidiet ze regulacne vystupy INH maju na vystupe sprostosti- nepodoba sa to na pwm regulaciu, kde impulz ma mat predpokladam obdlznicky 17KHz (nastavene oscilatorom) a sirka tychto obdlznickov sa ma menit. Presne naopak, na spodku impulzov, ked sledujem kanal A aj B, kde mam na Acku vystup z l297 "D" a na B cku mam INH2. Tu je vidiet ze INH impulz je uzsi od D, avsak len bez zapojeneho integraca 74HC08. Zacinam si mysliet, ze vsetky vystupy z L297 treba invertovat.
Robi si to co chce a ja neviem preco.
S nezapojenymi AND hradlami su na vsetkych vystupoch L297 pekne obdlznikove impulzy s miernym zvlnenim na vrchole aj v "diere".
10KHz na vstupe step, stale pekne casuje A-B-C-D v halfstepe.
Zajtra skocim do obchodu, mam podozrenie na hradla, moc sa hreju, dam do pätic po 3 IO naseba, nafotim co ukazuje osciloskop a hodim to sem, snad niekto poradi co stym a kde je chyba
P.S. Vystupy ABCD z L297 pripojil priamo na tranzistory. Takto to ide, ale bez PWM, na sietovom adapteri 5V/1A. Male napätie-pochopitelne male otacky
L297 vie pracovat v dvoch rezimoch budenia, raz chopruje s tymi vystupmi INH a v druhom mode s dvoma spodnymi trandakmi na mostiku. Nastavuje sa to vstupom CNTL, ktory ty mas krasne uzemneny.
Ano, myslel som na to, menim tu schemu furt, az som z toho popleteny, este tomu davam tyzden a ked mi nikto neporadi tak dosku rozsrotujem. Uz su objednane A3986tky. O tyzden sa pustim do noveho navrhu.
Naposledy upravil(a) J0hny dne 15. 5. 2008, 6:36, celkem upraveno 1 x.