Brzdeni krokoveho motoru

t256
Příspěvky: 3005
Registrován: 19. 1. 2012, 4:49

10. 1. 2016, 5:01

Generator se z toho stane vzdy kdyz zatocis hrideli.
Uživatelský avatar
robokop
Site Admin
Příspěvky: 23275
Registrován: 10. 7. 2006, 12:12
Bydliště: Praha
Kontaktovat uživatele:

10. 1. 2016, 6:11

kdyz ten pohyb pole vyvolany mechanicky prekona ten pohyb elektricky tak vznikne napeti o neco vetsi a potece obracene
je to podobne jako treba pretocene asynchroni motory ve vodnich elektrarnach

normalne mas treba 1440 ot./min
kdyz s nim budes tocit rychleji nez tech 1440 tak tlacis do site
Vsechna prava na chyby vyhrazena (E)
chb
Příspěvky: 3913
Registrován: 12. 3. 2013, 7:24
Bydliště: Havl. Brod

12. 1. 2016, 12:14

právě ta analogie motorů s točivým polem mi nějak nesedí - to už jde mimo mé vzdělání :-)

v krokáči pohyb magnet cívka zajisté generuje napětí - střídavé napětí. Jedna půlvlna jde souhlasně se zdrojem/driverem - a zde je jediná možnost toto navýšení dát do filtračních kondíků, předpokládám, že proudový zdroj to dál předat neumí. Snad jen zenerka, která to přepětí vůči zdroji zkratuje.
Druhá půlvlna jde proti zdroji - a zde driver coby proudový zdroj brání pohybu svými parametry. Nevím co by udělal překmit napětí do záporu - asi by to opět zbylo na filtračním C případně ochraných diodách

dobré drivery to asi ošetřené mají, pomohlo by jejich schema. A možná by to i odpovědělo na jinde uvedený dotaz, co se může stát, pokud točím krokáčem připojeným na vypnutý driver.

má někdo schema nějakého driveru ?
Víťa - BF20 - upraveno na CNC + Mach3 + SS, soustruh CJM250, MK3 Průša, ostřička nástrojů
Uživatelský avatar
picom
Příspěvky: 2338
Registrován: 11. 8. 2006, 2:07
Bydliště: Praha

12. 1. 2016, 4:37

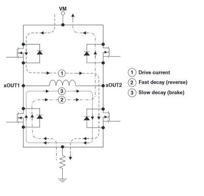
buzení motoru.jpg
proudy budičem
lubos
Sponzor fora
Příspěvky: 5117
Registrován: 2. 5. 2007, 3:47
Bydliště: Praha

12. 1. 2016, 9:27

Není problém řídit KM stejné jako jakýkoliv jiný motor typu BLDC. Stačí mít vhodnou logiku řízení. Měl jsem "Driver" který dovedl řídit krokový motor stejně jako kdyby to byl obyčejný DC nebo bldc motor. Tedy točil s ním a pokud rostla zátěž tak se snižovali otáčky, případně se dal řídit momentově. Ono BLDC motor a KM jsou v podstatě to samé ( tedy jde o synchronní elektrické stroje) jen Km je navíjen více závity. U některých starších KM jsou dokonce magnety lepeny separátně stejně jako u bldc motorů. To že se to pole dá ojebat plechem se zoubky a jedním magnetem který je axiálně namagnetován je chytrý nápad a velice zlevnil výrobu krokových motorů. Podle mě může být problém následující. Pokud si nakreslím jednotlivé stavy sepnutí fetů a polaritu napětí tak se otáčky vyrovnají pokud je napětí zdroje stejné jako napětí které generuje motor ( u BLDC a u krokového to lze vzít analogicky ale zpravidla díky rozdílné indukčnosti a jiným vlivům Km vypadne dřív než by takovýchto otáček dosáhl). Pokud se bude driver stát a motor se bude točit mohlo by to taky způsobovat problém s tím že pokud bude motor generovat naptětí tak v jedné chvíli bude mít stejnou polaritu jak fety které se snaží držet rotor zabržděny ale následně bude napětí generované motorem opačené což už by mohlo vadit ( nejsem ale elektikář tak to nedovedu posoudit). Pokud ale k tomuto dojde u bldc motoru a regulátor nemá sw funkci synchronizace otáček při deceleraci tak to fety vždy odnesou. Navíc si dost dobře nedovedu představit, kam by se enerige při brždění mařila a těžko se vypustí do vesmíru. Si zkuste propojit jeden větší a menší KM proti sobě a jedním začít rukou točit. A pokud tedy KM generuje napětí je podle mě pomocí těch ( nedůležitých diod) toto napětí posíláno do zdroje. Proto bych tedy tipoval, že zrovna v tomto případě, kdy může dojít ke generování motoru do zdroje, jsou správně nadimenzované diody docela důležité. Ale třeba jsem to blbě pochopil a je to jinak, jsem jen hobík a ne elektronik.
XpertMill, Gravos, Ninos, Galaad
IQ156
-1500Kč, -520Kč, -1čokoláda, - 28000Kč
www.freeair.cz www.rotexelectric.eu www.retrofitcnc.cz
t256
Příspěvky: 3005
Registrován: 19. 1. 2012, 4:49

12. 1. 2016, 9:44

Ty ochranne diody jsou soucasti mosfetu. Pokud to nema driver osetrene, jako ze ty levne ne jak jsem se zde dozvedel, jde to do zdroje, kam jinam taky.

Neni zadny problem dat tam komparator a pokud napajeci napeti stoupne treba o pul voltu, otevrit tranzistor a protopit to na nem, pripadne na nejakem odporu.
chb
Příspěvky: 3913
Registrován: 12. 3. 2013, 7:24
Bydliště: Havl. Brod

12. 1. 2016, 10:46

to Picom - odkud máš ten obrázek ? zkopíruj sem i to povídání okolo
Víťa - BF20 - upraveno na CNC + Mach3 + SS, soustruh CJM250, MK3 Průša, ostřička nástrojů
chb
Příspěvky: 3913
Registrován: 12. 3. 2013, 7:24
Bydliště: Havl. Brod

12. 1. 2016, 11:09

většina popisu ovládání KM neřeší brzdění - ale podrobně řeší co se děje na cívce KM v okamžiku ukončení kroku = pokles proudu v cívce, a jak nejlépe ošetřit tyto přechodové stavy k dosažení optimální křivky průběhu proudu na cívce KM

podrobný rozbor od f. TI - jen z něj není úplně patrné co dělá driver a co se děje samo
http://www.ti.com/lit/an/slva321/slva321.pdf

jak pracuje či by měl - správný driver v různých režimech ukazuje pěkně tento materiál
http://ebldc.com/?p=86
Víťa - BF20 - upraveno na CNC + Mach3 + SS, soustruh CJM250, MK3 Průša, ostřička nástrojů
Uživatelský avatar
picom
Příspěvky: 2338
Registrován: 11. 8. 2006, 2:07
Bydliště: Praha

13. 1. 2016, 5:48

chb píše:to Picom - odkud máš ten obrázek ? zkopíruj sem i to povídání okolo
Je to z nejakeho PDF http://www.ti.com" onclick="window.open(this.href);return false;
Odpovědět

Zpět na „Krokové motory“