E-Stop

kamilpetrjansta
Příspěvky: 202
Registrován: 28. 8. 2006, 11:13
Bydliště: Brno - venkov
Kontaktovat uživatele:

10. 1. 2016, 9:32

Robokope máš pravdu,
já se jen chtěl vyhnout pokutě, kdyby si šeský úředník vzpoměl, že má stát málo peněz
a chtěl pokutu, že stroje už jednoúčeláky nejsou a chybí CE. :)
Uživatelský avatar
robokop
Site Admin
Příspěvky: 23275
Registrován: 10. 7. 2006, 12:12
Bydliště: Praha
Kontaktovat uživatele:

10. 1. 2016, 9:33

jojo
ono je to lepsi tam ty veci mit
precijenom se tim to riziko zmensuje
Vsechna prava na chyby vyhrazena (E)
Engineer
Příspěvky: 2369
Registrován: 27. 12. 2006, 4:30
Kontaktovat uživatele:

10. 1. 2016, 9:55

Řešil jsem tuhle věc teď před pár dny taky na přestavbě FC16-ky. Nějaké eventuální přehnaně šílené bezpečnostní nároky norem, CE bruselských not apod. mně netankují, ale pochopitelně, že jsem chtěl mašinu ovládat v souladu se selským rozumem, tedy bezpečně. :lol:
Nemám tam sice nějaký bezpečnostní modul, ale principielně jsem zapojil okruhy podobně jako to popisuje kolega, přede mnou. Po zapnutí hlavního spínače nabíhá PC a systém (u mně prozatím MACH3). PC je nakonfigurovaný tak, aby se spustila vokna po připojení napájení a manuálně pak startuju Macha. Chtěl jsem použít výstup z Macha, který je aktivní pouze když je Mach spuštěnej a korektně běží, ale zatím jsem tohle nedotáhnul do finálu (ten výstup by měl pokud by nebyl ve stavu "ready" blokovat spuštění start tlačítka okruhu stykačů napájení driverů a měniče.) Zatím mám aspoň připravený jedno galvanicky oddělený relé s možností jeho sepnutí nějakým pinem z paralelního portu až to dotáhnu nebo pokud přejdu na Linux. Po naběhnutí PC a Macha tlačítkem start nahodím stykače a relé spínání driverů. Pokud by byl zamáčknutej hříbek tak to nejde aktivovat .... zatím mám hříbek jeden na panelu, ale asi ještě přidám dva kousky někde po ruce blízko pracovního prostoru frézky (ovladací panel s monitorem mám otočný abych na to popř. viděl od druhý mašiny a tak ten hříbek může být někdy celkem daleko :!: ). Tohle považuju za jednoduchý a zcela nezávislý zapnutí/vypnutí silovky bez ohledu na to co si zrovna usmyslí PC, vokna, čï řídící systém.... :wink:
Šestnáct litrů mně to naštěstí nestálo .... :) Ale zase nemám to slavný CE.
Přílohy
P9090873.jpg
Uživatelský avatar
robokop
Site Admin
Příspěvky: 23275
Registrován: 10. 7. 2006, 12:12
Bydliště: Praha
Kontaktovat uživatele:

10. 1. 2016, 10:00

me osobne by zajimalo kolik byl ten uplatek firem vyrabejicich tyhle bezpecnostni rele protoze jsem mel jedno rozebrany ale je to jen zapouzdreny bezny relatko nebo dve tri
si prolobovali tuhle normu ale vpodstate ro jde pozapojovat z obyc relatek
Vsechna prava na chyby vyhrazena (E)
walter2
Příspěvky: 119
Registrován: 19. 2. 2013, 3:44

11. 1. 2016, 6:06

proč bráníte operačnímu systému (nebo i ridicimu SW) nabehnout dokud nenabehne ostatní HW?

Na PC přece běžně začnu pracovat dříve než potřebuji zacit frezovat a jestli je na portech PC (nebo i kartach-napr. MESA) někdy nedefinovany stav, tak je to při startu. Logičtější by mi přišlo :

1. nastartovat PC a řídící SW (se zaručeným stavem, kdy nezačne pohybovat strojem až ho zapnu)
2. Zapnout napájení frézky (drivery, vřeteno, ...)
3. Spustit v řídícím SW stroj (homing apod.)
Uživatelský avatar
robokop
Site Admin
Příspěvky: 23275
Registrován: 10. 7. 2006, 12:12
Bydliště: Praha
Kontaktovat uživatele:

11. 1. 2016, 6:54

dyt jo
asi je to nesrozumitelne napsane

relatka spinajici silovinu by nemeli naskocit bez sytemu
Vsechna prava na chyby vyhrazena (E)
walter2
Příspěvky: 119
Registrován: 19. 2. 2013, 3:44

11. 1. 2016, 9:39

robokop píše:spravne by jsi mel mit na kazde ose referak kvuli nulove poloze (do systemu)
limit switche na kazde strane kvuli maximalnim pracovnim poloham (vedou do systemu, ale vetsinou se neosazuji a resi se softwarove vzhledem k referakum)
a kousek za nimi havarijni switche ktere budou v serii s estopem a dalsimi osami
V dokumentaci k LinuxCNC (odkud jsem převzal terminologii do prvního příspěvku) se používá myslím trochu jiná terminologie, tak to sem doplním pro budoucí čtenáře (i pro sebe, abych si v tom udělal pořádek):

home switch = referák: umozni najit home, ktery muze byt definovan offsetem od techto switchu

soft limit: nejedná se o fyzický vypínač, ale o softwarově definovanou polohu. LinuxCNC z HOME pozice dopočítává, zda stroj nenajel za softwarově definované limity (umožní začít zastavovat než by stroj narazil). Dokud frézka nenašla HOME, tak soft limit nefunguje

limit switch = havarijní switch: stroj najede na vypínač na jedné nebo více osách, který vymezuje konec dráhy. Tj. za tímto vypínačem by měl stroj začít zastavovat, aby nenarazil fyzicky na konec svojí dráhy)

hard stop: konec dráhy. Nejedná se o žádný vypínač, ale o fyzický konec, kam se osa může ohybovat bez nárazu nebo jiného poškození



Vychází mi z toho, že LinuxCNC vůbec nezvažuje, že by před havarijními čidly (limit switchem) měl jiný fyzický switch, ale spoléhá na soft limit.


Ještě pro úplnost výtah z dokumentace LinuxCCN 2.7.3 (kapitola 1.7.11 Axis Travel and Home):

The physical end of travel is called the hard stop . Before the hard stop there is a limit switch . If the limit switch is encountered during normal operation, LinuxCNC shuts down the motor amplifier. The distance between the hard stop and limit switch must be long enough to allow an unpowered motor to coast to a stop. Before the limit switch there is a soft limit . This is a limit enforced in software after homing.
A machine can be operated without limit switches. In this case, only the soft limits stop the machine from reaching the hard stop.
Soft limits only operate after the machine has been homed.
Uživatelský avatar
packa
Příspěvky: 7157
Registrován: 7. 2. 2007, 6:42
Bydliště: Královehradecký kraj

11. 1. 2016, 11:00

A jak je to s velkými servi (třeba 4kw) ? když se mu schodí napájení je schopné se ubrzdit v nějakém rozumném čase ? protože třeba u jedné naší navíječky když někdo násilně otevře kryt tak zastaví hlavní vřeteno z 3500ot za cca 2s , ale když stisknu total stop tak vřeteno dojíždí dobrých 20s . Z bezpečnostního hlediska je tedy lepší poslat servu signál o tom že má okamžitě zastavit než mu schodit napájení ? Vím že některý měniče jsou schpny zajistit řízené zastavení i při výpadku napájení , ale mají to i serva v cnc strojích ?
sulekb
Příspěvky: 99
Registrován: 10. 12. 2015, 12:39
Bydliště: su z Prahe

11. 1. 2016, 12:05

Nejde přece o výkon serva (a nejde jen o serva), i malý výkony dokážou přivodit zranění / smrt. Na E-Stop je vypracovaná celá metodika, je to i odnormováno, tady je celkem slušně popsána daná problematika: http://machinerysafety101.com/2010/09/2 ... ategories/" onclick="window.open(this.href);return false;
walter2
Příspěvky: 119
Registrován: 19. 2. 2013, 3:44

11. 1. 2016, 12:43

sulekb píše:Nejde přece o výkon serva (a nejde jen o serva), i malý výkony dokážou přivodit zranění / smrt. Na E-Stop je vypracovaná celá metodika, je to i odnormováno, tady je celkem slušně popsána daná problematika: http://machinerysafety101.com/2010/09/2 ... ategories/" onclick="window.open(this.href);return false;
Díky za link. Dotaz směroval na hobby stroj a na uvedeném linku jsem příliš praktických rad (typu zapoj 24V limit switch do relé....) nenašel. Normy ANSI nebo IEC kupovat pro účely hobby mašiny neplánuji a norma stejně uvádí sadu často obecných doporučení .

Ohledně toho 4kW serva nebo strojů s velkou setrvačností Dough Nix radí zvážit neodpojovat napájení a kontrolovaně zabrzdit/zastavit (Tabulka 1 - Kategorie 2) a zvážit riziko (Risk assessment) plynoucí z toho, že je stroj pod napětím.

Až budu stavět seriově stroje , tak Doughovi napíšu :-)
sulekb
Příspěvky: 99
Registrován: 10. 12. 2015, 12:39
Bydliště: su z Prahe

11. 1. 2016, 1:15

Praktický rady pro hobby stroj se těžko dávaj, když je každej jinej. Záleží co za (nejen) elektroniku ta která konstrukce obsahuje a od toho se to celý odvíjí. Případně bys musel mít všechno tohle dopředu ujasněný, ještě než začneš shánět díly. Nějaký základní zapojení je např. v dokumentaci k servodriverům Yaskawa, ale těhle zapojení je plnej net, mušíš hledat :) V zásadě ale souhlasim s tim všim co psal Robokop. Urči si rizika, který by tě mohly potkat a kterých se chceš vyvarovat a podle toho si udělej "hlídání". Načrtni si třeba if-else diagram.
Uživatelský avatar
robokop
Site Admin
Příspěvky: 23275
Registrován: 10. 7. 2006, 12:12
Bydliště: Praha
Kontaktovat uživatele:

11. 1. 2016, 4:45

jestli te opravdu trapi ten dojezd setrvacnosti tak s estopkou prehod stykacema napajeni motoru do zkratu
budes se divit jak rychle se to zastavi
Vsechna prava na chyby vyhrazena (E)
walter2
Příspěvky: 119
Registrován: 19. 2. 2013, 3:44

22. 1. 2016, 9:50

sulekb píše:...Nějaký základní zapojení je např. v dokumentaci k servodriverům Yaskawa
Díky za nasměrování na manuály Yaskawa.

Nejsou mi jasné 2 věci:
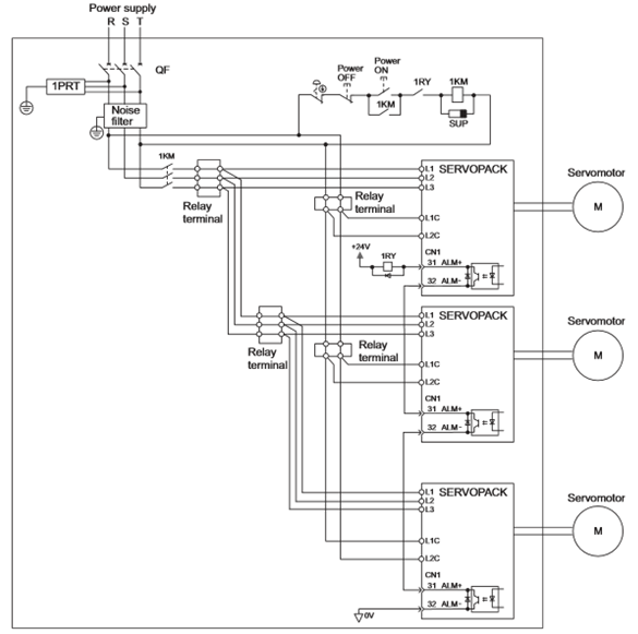
1 . co je fyzicky za součástku "Relay terminal" ve schématu jak zapojit 3 serva ? Je to popsané jako "relay terminal" , ale není mi jasné, proč by tam mělo být relé. Logicky se jedná jen o rozvod třech fází ke 3 servům, tak mi připadá, že by to měla spíš být svorkovnice. Nebo mi něco uniká ?
Yaskawa_3serva.png


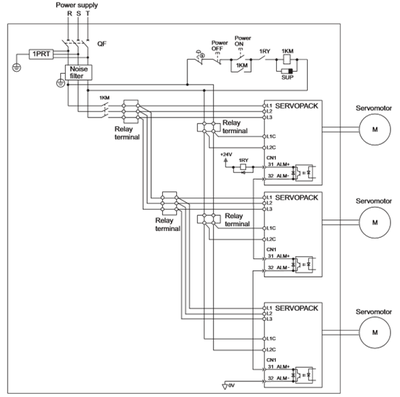
U jednoservového zapojení (připojeno níže) chápu funkci takto:

1. Dokud nemá napájení magnetický spínač 1KM ( odbélníček nad 1SUP) , tak nesepne všechny 3 fáze (R,S,T není spojeno do L1,L2,L3) a servo driver nemá napájení
2. Aby 1KM sepnul, tak musí být:
• Main Power supply OFF alias emergency tlačítko ve stavu „tahem zapni“
• a zároveň Main Power supply ON ( „hlavní zapínač“ ) musí být zapnut
• Relé 1Ry (obdélníček vpravo z vývodu 24V ALM+) není sepnuté a tudíž „spínač“ 1Ry vlevo nahoře (ve větvi For servo alarm display) je rozepnutý a tudíž nesvítí kontrolka alarmu 1PL a „spínač“ 1Ry vlevo dole je sepnutý
V praxi bych za 1Ry zapojil do série ještě limit swithce (havarijní spínače), které ve schématu nejsou.
Yaskawa.png
Ve fyzickém schématu mi připadá, že jim tam chybí havarijní červený hříbek:
fyzicke schema.png
Přílohy
sieps80000043.pdf
(1.66 MiB) Staženo 2599 x
Uživatelský avatar
robokop
Site Admin
Příspěvky: 23275
Registrován: 10. 7. 2006, 12:12
Bydliště: Praha
Kontaktovat uživatele:

22. 1. 2016, 10:40

Terminal je svorkovnice
Predpokladam ze autor tim chtel rict "svorky relatka"
Vsechna prava na chyby vyhrazena (E)
walter2
Příspěvky: 119
Registrován: 19. 2. 2013, 3:44

22. 1. 2016, 11:11

a to mi právě není jasné, proč by tam měla být 4 relátka. Mě připadá , že relé je tam jen 1KM a za ním by ze svorkovnice/svorek šlo napájení L1,L2,L3
Odpovědět

Zpět na „Ostatní elektronika“