Mini soustruh "300" - výměna motoru za bezkartáčový
- robokop
- Site Admin
- Příspěvky: 23275
- Registrován: 10. 7. 2006, 12:12
- Bydliště: Praha
- Kontaktovat uživatele:
Na tohle uplne nemam kapacity. Budto to chces levne tak si holt ke kazdemu inzeratu zde se servem dohledas jeho pdf a urcis zda je spravne k tvemu ucelu. Co hledat jsem zde napsal.
A nebo muzu doorucit klasicky novy set ktery si muzes koupit prez eshop ale cena se ti nebude libit takze je to bezpredmetne.
A nebo muzu doorucit klasicky novy set ktery si muzes koupit prez eshop ale cena se ti nebude libit takze je to bezpredmetne.
Vsechna prava na chyby vyhrazena (E)
Haha, já se vždycky zdráhám položit takto přesně dotaz, abych nebyl podezříván z ignorance si cokoliv nastudovat. Taky to většinou končí hromadícíma se komponentama na stole, cenou v násobcích původodního originálního řešení:)) A kdyby to šlo, tak bych byl za nějaké konkrétní parametry taky rád:)Zdenek Valter píše: ↑25. 4. 2020, 10:45 Chápu Filipe Tvůj pohled na věc, ale pro nás laiky je potřeba vzít nás za ploutev, postavit čelem ke konkrétnímu servu s driverem se správnou velikostí, výkonem, otáčkami a příslušným driverem a říct vole to si kup![]()
- robokop
- Site Admin
- Příspěvky: 23275
- Registrován: 10. 7. 2006, 12:12
- Bydliště: Praha
- Kontaktovat uživatele:
Momentove omezeni ty serva umej sbad vsechny
Ten bldc jsem provozoval. Taktez original DC, taktez asynchronak atd... a nakonec ac servo s driverem.
Mohu tedy porovnat a mluvim ze zkusenosti. Prosel jsem si vsim zde zminenym osobne na vlastni kuzi.
Ten bldc jsem provozoval. Taktez original DC, taktez asynchronak atd... a nakonec ac servo s driverem.
Mohu tedy porovnat a mluvim ze zkusenosti. Prosel jsem si vsim zde zminenym osobne na vlastni kuzi.
Vsechna prava na chyby vyhrazena (E)
- Zdenek Valter
- Příspěvky: 5460
- Registrován: 9. 1. 2009, 5:16
- Bydliště: Ústí n. L.
Filipe jenže pochop, že já nemám ani ánung o tom co je pro mne vhodné, protože nemůžu mít Tvoje znalosti a zkušenosti.robokop píše: ↑25. 4. 2020, 10:49 Na tohle uplne nemam kapacity. Budto to chces levne tak si holt ke kazdemu inzeratu zde se servem dohledas jeho pdf a urcis zda je spravne k tvemu ucelu. Co hledat jsem zde napsal.
A nebo muzu doorucit klasicky novy set ktery si muzes koupit prez eshop ale cena se ti nebude libit takze je to bezpredmetne.
Na druhou stranu pokud sem dáš odkaz na nové řešení z eshopu bude to už konkrétní mustr co hledat.
To že to bude stát ranec je mi jasné. Díky za nakopnutí správným směrem!
Hobbík - obráběč i 3D tiskař začátečník - strojní park je konečně instalován
- robokop
- Site Admin
- Příspěvky: 23275
- Registrován: 10. 7. 2006, 12:12
- Bydliště: Praha
- Kontaktovat uživatele:
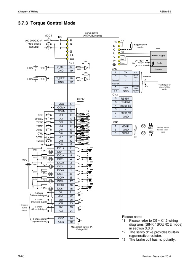
No tak treba u delty si najdi set serva s asda-b2 ten by mel umet jak step dir tak analog coz te presne zajima. No a pak vhodbe napajeci napeti. Tj 230V a vykon dle tveho soustruhu.
Nic vic nepotrebujes vedet. Zadna absolutne zadna veda v tom neni.
Kdyz to das do elektriky a v parametrech jeden prepnes podle toho zda to chces ridit step dir nebo napetim. Propojis jednu klemu pro servo on.
Tak pak uz jen pripojis ten potak v ref a uz se to toci pozadovanou rychlosti.
Vyhodou je ze kdyz ten potak das na nulu takze pozadujes nulovou rychlost tak ze to bude zabrzdene stat a kdyz se s tim pokusis mechanicky pootocit bude se to branit maximalnim svym vykonem tj. Drzet polohu
Nic vic nepotrebujes vedet. Zadna absolutne zadna veda v tom neni.
Kdyz to das do elektriky a v parametrech jeden prepnes podle toho zda to chces ridit step dir nebo napetim. Propojis jednu klemu pro servo on.
Tak pak uz jen pripojis ten potak v ref a uz se to toci pozadovanou rychlosti.
Vyhodou je ze kdyz ten potak das na nulu takze pozadujes nulovou rychlost tak ze to bude zabrzdene stat a kdyz se s tim pokusis mechanicky pootocit bude se to branit maximalnim svym vykonem tj. Drzet polohu
Vsechna prava na chyby vyhrazena (E)
Už to čtu, díky. Opravdu to vypadá jako dobré řešení. Budu vyhlížet, až se něco objeví v bazaru...
- Zdenek Valter
- Příspěvky: 5460
- Registrován: 9. 1. 2009, 5:16
- Bydliště: Ústí n. L.
Jak moc se se dají serva přetočit?
Maximální otáčky co jsem našel na Profconu jsou 3000 ot/min
Maximální otáčky co jsem našel na Profconu jsou 3000 ot/min
Hobbík - obráběč i 3D tiskař začátečník - strojní park je konečně instalován
- Zdenek Valter
- Příspěvky: 5460
- Registrován: 9. 1. 2009, 5:16
- Bydliště: Ústí n. L.
Mně by se tam líbilo tohle servo:
https://www.damencnc.com/en/ac-servo-mo ... #gallery-2
https://www.damencnc.com/en/ac-servo-mo ... #gallery-2
Hobbík - obráběč i 3D tiskař začátečník - strojní park je konečně instalován
- Zdenek Valter
- Příspěvky: 5460
- Registrován: 9. 1. 2009, 5:16
- Bydliště: Ústí n. L.
750W
To servo je tu:
https://eshop.profcom.cz/produkty-detai ... ion=detail
K tomu driver:
https://eshop.profcom.cz/produkty-detai ... ion=detail
400w
Méně výkonná verze:
https://eshop.profcom.cz/produkty-detai ... ion=detail
Driver:
https://eshop.profcom.cz/produkty-detai ... action=det
To servo je tu:
https://eshop.profcom.cz/produkty-detai ... ion=detail
K tomu driver:
https://eshop.profcom.cz/produkty-detai ... ion=detail
400w
Méně výkonná verze:
https://eshop.profcom.cz/produkty-detai ... ion=detail
Driver:
https://eshop.profcom.cz/produkty-detai ... action=det
Hobbík - obráběč i 3D tiskař začátečník - strojní park je konečně instalován
Ja riesim momentalne podobny problem,
Na malom cinskom sustruhu uz ale mam kovove prevody a aj FM a asyn. motor.
Prevodovku chcem vyhodit a nahradit to priamym nahonom cez remen na vreteno. Obavam som sa vsak, ze asynchronny motor nebude mat v nizsich otackach dostatocny moment.
Vymena za servo by to urcite vyriesila.
Od vymeny ocakavam tichsi chod a kludnejsi rez, hlavne pri prerusovanom reze je ta prevodovka pocut.
Na malom cinskom sustruhu uz ale mam kovove prevody a aj FM a asyn. motor.
Prevodovku chcem vyhodit a nahradit to priamym nahonom cez remen na vreteno. Obavam som sa vsak, ze asynchronny motor nebude mat v nizsich otackach dostatocny moment.
Vymena za servo by to urcite vyriesila.
Od vymeny ocakavam tichsi chod a kludnejsi rez, hlavne pri prerusovanom reze je ta prevodovka pocut.
Ahoj, kup starší asynchronní motor kolem 300W, přidělej ho zezadu k soustruhu a k němu frekvenční měnič. Když pohlídáš inzeráty, vejdeš se celkově 2500,-.
A bude to bez problémů a napořád
A bude to bez problémů a napořád
Jen pár praktickejch připomínek. Koupil jsem si po bazarech dvě různá serva, když jsem se chystal přestavovat MN80. Cena jak píše Robokop cca 3-4 litry vč driveru. Obě byly nějakou dobu funkční, i když to první 550W na 220 V stř. nějaký Japonec, podle prodejce připojené pouze na testování a takové ty kydy. Fungovalo týden na starém steperu s magnetickou brzdou. Už po hodině chodu jsi na něm neudržel ruku a myslím že třetí den vyhodilo pojistky v celém baráku. Po demontáži jsem zjistil že. Ložiska jsou suchá a orezlá a hlavně na rotoru byl datum 2001, tedy jen zlehka otestované. V driveru byla většina kondenzátorů na 200 a 220V, tedy určitě né na 220V střídavých. Druhé servo vypadalo lépe, ale driver byl na 3x115V a jel jsem kvůli němu do Plzně, tedy ztracená půlka dne. Nakonec jsem koupil Omrona + driver nový od člena tohoto fóra. Vcelku za levno, sehnal jsem i konektory a pocity při testu jednoznačně dobré. Ale i tady je jedno ALE, můj testovač ze stepperu ho po necelé hoďce ohřál na 87°C a stejný asynchron 2800ot 500W šel na pouhých 56°C při cca stejných točkách a stejném zatížení a stejném výkonu motoru. Nemám "motorové" vzdělání, ale blbej selskej rozum mi poradil, dej tam ten asynchron. Jeho jediná nevýhoda je cca dvojnásobná velikost a druhá, že nemohu podle libosti polohovat vřeteno. Frekvenčák s brzdným odporem motor zastaví na pětníku, tím že je to vektor, tak i při 15 otáčkách za minutu ti ulomí obě ruce a nehřeje. Mám tam nastavený spínač na 85°C , kdy mi to pustí 2 větráky a případně při 88°C je to přepne na plné kule. Za ty cca 3 roky se mi pustily jenom jednou, protože jsem řezal stovku závitů M10x0,75 do nerezi.
Závěr? Bazarovka je fakt sázka do loterie a je spíš potřeba počítat s ojebem. Běžné servo je většinou výrazně menší než motor o stejném výkonu, PROČ?? kosmické materiály to nebudou. Asi dává smysl vřetenové servo s měničem, ale je to randál a sebemenší oprava taky. A pak už zbývá pouze ten asynchroňák a nebo všemocný pračkový motor Ve všech případech je ale nutná určitá nemalá znalost elektrotechniky.
Článek jsem napsal pro odlehčení "moribundusové" pandemie.
Závěr? Bazarovka je fakt sázka do loterie a je spíš potřeba počítat s ojebem. Běžné servo je většinou výrazně menší než motor o stejném výkonu, PROČ?? kosmické materiály to nebudou. Asi dává smysl vřetenové servo s měničem, ale je to randál a sebemenší oprava taky. A pak už zbývá pouze ten asynchroňák a nebo všemocný pračkový motor Ve všech případech je ale nutná určitá nemalá znalost elektrotechniky.
Článek jsem napsal pro odlehčení "moribundusové" pandemie.
- robokop
- Site Admin
- Příspěvky: 23275
- Registrován: 10. 7. 2006, 12:12
- Bydliště: Praha
- Kontaktovat uživatele:
Jak jsem psal ty profcomy maji nominal moment na 3k rpm a jdou do 5k rpm
Na to napeti je treba dat pozor to jsem tu take psal
Jinak provozuji i starsi serva k plne spokojenosti. Prave na ty vretena. Na osu davam nova.
Na bf20 jsem daval 300W asynchronak. Krom toho ze se tam tak tak vesel tak je problem s kroutakem od spoda, je zalostny i s vektorem. A s max otackami ktere taky nejdou do nekonecna. Za me tento pokus moc dobre nevysel. Priste servicko.
Na to napeti je treba dat pozor to jsem tu take psal
Jinak provozuji i starsi serva k plne spokojenosti. Prave na ty vretena. Na osu davam nova.
Na bf20 jsem daval 300W asynchronak. Krom toho ze se tam tak tak vesel tak je problem s kroutakem od spoda, je zalostny i s vektorem. A s max otackami ktere taky nejdou do nekonecna. Za me tento pokus moc dobre nevysel. Priste servicko.
Vsechna prava na chyby vyhrazena (E)
-
Reinkarnace
- Příspěvky: 1227
- Registrován: 21. 11. 2017, 9:16
Niekto tu daval, motor z sijacieho stroja je tu aj vlakno o tom.
Tu mas 750w a maju aj 550 w
http://www.kapex.sk/kapex/eshop/19-1-Mo ... servomotor
Tu mas 750w a maju aj 550 w
http://www.kapex.sk/kapex/eshop/19-1-Mo ... servomotor