2 rýchlostný 3F motor a frekvenčný menič

ostatní motory, vřetena, regulace, snímaní otáček a jiné
Uživatelský avatar
Charon
Sponzor fora
Příspěvky: 6435
Registrován: 27. 7. 2019, 4:31
Bydliště: Praha

24. 5. 2020, 7:19

Skoro každý umí reverzovat. Vyjímky se asi najdou, ale ty jsou spešl.
SM16A, FN20, 3E710B, CDC7-2, HO02, CO2laser, Fiber.. propagator www.atreon.cz
zverodoktor
Příspěvky: 3662
Registrován: 3. 6. 2007, 9:49
Bydliště: Bratislava

24. 5. 2020, 7:27

romanf píše: 24. 5. 2020, 5:36 Dottore : vedia tieto Omrony reverzovať ?
Ahoj Roman, áno vedia. Svojho času som ich kúpil výhodne tu na fóre nové. Sú celkom šikovné, majú aj USB.
SU32, MN80, FN25, ISEL4433, Jakobsen SJ25, N1, VS16, Anycubic Kossel
Trevor2
Příspěvky: 113
Registrován: 29. 9. 2019, 8:55

24. 5. 2020, 8:01

Ty máš pravdepodobne motor D/YY

Namerané hodnoty by tomu aj zodpovedali.

Keď das druhu rýchlosť XYZ, tak vyskratuj svorky prvej UVW. Pre istotu to hod na nejaký 3F B 10A istič, ak by to nebola pravda.
Uživatelský avatar
jenicek
Příspěvky: 1884
Registrován: 17. 9. 2018, 9:35
Bydliště: Vedle Trautenberka

24. 5. 2020, 8:23

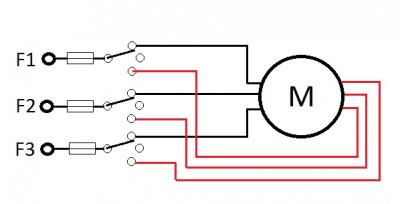
Obrázek
zverodoktor
Příspěvky: 3662
Registrován: 3. 6. 2007, 9:49
Bydliště: Bratislava

24. 5. 2020, 8:28

Ahoj,
zapojenie som urobil rovnako ako to bolo zapojené predtým. Pravda je, že to už voľakto predomnou prekábloval a ťažko povedať, či dobre. Je vymenený aj 3F prepínač.
SV16 motor 2.jpg
Skúsim dohľadať dačo k tomu motoru podľa typového označenia.
SU32, MN80, FN25, ISEL4433, Jakobsen SJ25, N1, VS16, Anycubic Kossel
turnigy
Příspěvky: 1762
Registrován: 2. 9. 2018, 6:13

24. 5. 2020, 8:56

Z motora sú vyvedené všetky konce vinutí, alebo je neutrálny bod spojený vo vnútri? Ak sú odpory všetkých fáz rovnaké, tak môže byť jedna fáza zapojená opačne, tak, že pôsobí proti zvyšným dvom fázam. Hlavne keď píšeš, že už sa v tom niekto vŕtal.
Tos C45-2000
zverodoktor
Příspěvky: 3662
Registrován: 3. 6. 2007, 9:49
Bydliště: Bratislava

24. 5. 2020, 10:16

Podľa výsledkov 2 hodinového rýpania sa na internete som zistil nasledovné:

1. Ide o motor s Dahlanderovým zapojením vinutí, teda D/YY. Používal sa v strojoch zo 60-70. rokov, napríklad aj v 2 otáčkových brúskach.

2. Takto ako to mám ja zapojené je to samozrejme zle, motor by zhorel. Treba špeciálny vačkový prepínač, existuje dokonca aj reverzačný. Zapojenie so stykačmi nesie úskalia nutnosti blokácie a časového oneskorenia medzi zopnutiami stykačov. Vačkový prepínač stojí zhruba 32 € a to nieje ten reverzačný.

3. Prepínanie rýchlostí aj vačkovým prepínačom by sa malo diať iba pri stojacom motore. Vďaka pomerne veľkej zotrvačnosti hmoty remeníc to trvá pomerne dlho, šľak by ma trafil. O reverzácii ani nehovorím.

4. Povedal by som, že najrozumnejšie riešenie je použiť iba zapojenie na rýchle otáčky a k tomu frekvenčný menič, ten môže rovno aj reverzovať aj brzdiť.

Čo myslíte?
SU32, MN80, FN25, ISEL4433, Jakobsen SJ25, N1, VS16, Anycubic Kossel
r4cv
Příspěvky: 2925
Registrován: 8. 12. 2009, 8:32
Bydliště: Topoľčany

24. 5. 2020, 10:23

Ja ten prepinac na vrtacke mam. Za cca 20 rokov som ho prepol mozno 10x, odkedy mam fm ani raz. Nechal som ho, lebo bol.

Vyskusaj. Dokupit sa da aj neskor.
Uživatelský avatar
Charon
Sponzor fora
Příspěvky: 6435
Registrován: 27. 7. 2019, 4:31
Bydliště: Praha

24. 5. 2020, 10:45

Zverodoktor: Myslim ze si usetri praci se schanenim paketaku, dej tam fm, udelej si ovladani i s reverzem a budes spokojeny. Vyber si fm tak, aby v pripade ze ti odejde stavajici motor, jsi mohl dat novy a vse ostatni nechat. Max prepsat parametry v menici.
SM16A, FN20, 3E710B, CDC7-2, HO02, CO2laser, Fiber.. propagator www.atreon.cz
Uživatelský avatar
Mylan
Příspěvky: 502
Registrován: 7. 8. 2016, 3:04
Bydliště: SNV

5. 12. 2021, 1:26

Zdravim. Ak ma motor ,700/900 otáčok starší typ do akej frekvencie ho môžem hnať meničom?
SV18R,FA3AH,V23a,Plazma Berlan40,MIG ETP208,2H125,brúska z F1,Bomar160.120
Mex
Příspěvky: 10287
Registrován: 6. 2. 2014, 10:29

5. 12. 2021, 2:34

Mylan píše: 5. 12. 2021, 1:26 Zdravim. Ak ma motor ,700/900 otáčok starší typ do akej frekvencie ho môžem hnať meničom?
Jde o to, co od toho čekáš a čím to budeš honit.
Pokud je to motor na 230V (nebo když je starší, tak asi na 220V) a měnič máš taky na 230V, tak do nějakých 70Hz bude moment nižší, ale pořád dost dobrý. Skoro určitě to nějak pojede aspoň do 120Hz, ale moment už bude hodně nízký.

Pokud bys to připojil na měnič 400V a motor nechal v trojúhelníku na 220/230V, tak můžeš jít ještě výš. S plným momentem do nějakých 86Hz, s pořád dost dobrým momentem do nějakých 100Hz, aspoň nějak do 150Hz nebo i víc.

Mechanicky motory většinou bývají dělané minimálně do otáček 2-pólového motoru, tj. do nějaký 3000RPM, případně do 3600RPM když jsou i pro 60Hz.
Pokud je motor starší, tak by to chtělo zkontrolovat izolační stav vinutí. Provoz přes měnič je pro něho náročnější než běh přímo na síť.
Uživatelský avatar
Mylan
Příspěvky: 502
Registrován: 7. 8. 2016, 3:04
Bydliště: SNV

5. 12. 2021, 4:35

Motor je 3f na 380 original z V20. Teraz som dával videa s namontovaným meničom. Na 900 ot teraz pripojenych ma dosť malý moment pri 20Hz takže chcem skusiť 700ot pre zvýšenie momentu a vysoké otáčky na malé vrtáky dohnať meničom. Prevod mam 2:1 na remeniciach. Moment na vysokých otáčkach je tým pádom nezaujímavý. Menič dá 400Hz takže môžem ten motor vytočiť na 2800 ot ?
SV18R,FA3AH,V23a,Plazma Berlan40,MIG ETP208,2H125,brúska z F1,Bomar160.120
Mex
Příspěvky: 10287
Registrován: 6. 2. 2014, 10:29

5. 12. 2021, 11:18

Moment závisí mimo jiné na nastavení měniče. Pokud měnič umí vektorový režim, a pokud ho umíš dobře nastavit, tak by měl tahat i na 20Hz slušně.

Když budeš ten motor honit na vysoké otáčky, tak předpokládám budeš postupovat uvážlivě. Pomalu zvyšovat otáčky a dívat se, jak se motor tváří. Jestli tam není nějaká velká nevývaha a motor necestuje po stole.
Většinou jsou motory mechanicky stejné pro 2-pólové i vícepólové provedení. Takže by měl těch 2800 RPM mechanicky dát.
Ale samozřejmě nikdy není nic jisté, takže pokus napoví.

Kdyby šel motor přepojit do D na 220V, tak bys ty vyšší otáčky dosáhl snadněji.
Ale chce to dobře nastavit měnič. A motor by měl mít slušný izolační stav.
Uživatelský avatar
Mylan
Příspěvky: 502
Registrován: 7. 8. 2016, 3:04
Bydliště: SNV

6. 12. 2021, 2:49

Tak som nechal na 900 ot lebo ani viac pólov nenavýšilo moment lebo pri 700 ot je 200W menší výkon motora. f som dal 120Hz. Menič je na vektor a vlastnú momentovú krivku bez pc nenastavým. Tým moje možnosti končia. Menič je 3G3 JX A4015 EF. Ak vie niekto poradiť poteší ma to
SV18R,FA3AH,V23a,Plazma Berlan40,MIG ETP208,2H125,brúska z F1,Bomar160.120
lubbez
Příspěvky: 3462
Registrován: 21. 6. 2012, 9:26
Bydliště: Praha

13. 12. 2021, 10:04

Mám VS13 a k ní měnič. Motor to má 750W, myslím 1420ot/min. Protože Tahle vrtačka nebyla konstruovaná na vrtání nějakejch šílenech děr do oceli, tak jsem i měnič nastavil podle toho. Spodek 20Hz - vršek 100Hz a řemen mám na druhé nejpomalejší kombinaci. Podotýkám, že měnič je skalární (jinej zrovna nebyl) a za těch cca 6 let jsem ani jednou neměl problém se sílou nebo rychlostí. Na vrtačce mám jenom přepímač L-0-R a tím řídím měnič. Tady mi přijde aktivní použití dvourychlostního motoru úplně zbytečné. Většinou se tady zmiňují minimální otáčky a ohřev motoru. Na soustruhu mám 80 °C spínač přímo na motoru a bzučák. Tam jedu na minimální otáčky 36/min docela často a seplo mi to jenom jednou v létě po fakt dlouhé době.
Odpovědět

Zpět na „Ostatní elektromotory“