Frezka PURS
Musim se opet pochlubit. "Zelezo" je hotove, ted uz jenom elekrika a elektronika. To uz bude "brnkacka". Akorat nevim, zda dat elektroniku na stroj, tj. zezadu mezi ty "Ucka" a nebo mimo. Na stroji by to bylo pekne kompaktni, mimo stroj by to netrpelo vibracemi. Tak nevim ?
Pavel Urban
- Krutor
- Sponzor fora
- Příspěvky: 1097
- Registrován: 2. 12. 2008, 8:58
- Bydliště: Moravské Bránice
- Kontaktovat uživatele:
Velmi pěkná, jednoduchá konstrukce. To bude bez problémů chrupkat dural, mosaz a snad i ocel. I když na kovy bych doporučil ještě dodělat krytí osy Y. Nebyl problém s rovinností AL pracovní desky? Často s tím bojuju.
Petr Spáčil
-
Mirek-Gravos
- Sponzor fora
- Příspěvky: 717
- Registrován: 9. 1. 2008, 11:39
- Bydliště: Veleň
- Kontaktovat uživatele:
Taky se mi libi. Vtip je v te jedne siroke koleji. Krabicku s GVE66 klidne na stojan, nemelo by ji to vadit.
Pozor na delku sroubku M4 do bocnich vicek krabicky, aby nenerazily do nejake soucastky.
Kryt Y bych videl jako plechove Ucko (ohnutym dolu) s otvorem na krizovou desku. Aby proslo mezi sloupy stojanu.
Akorat to bude koukat hodne dopredu pri vyjete ose Y. Kabliky k motorum a referakum do husich krku. Viz nase GV21.
Tak at brzo jezdi!
Pozor na delku sroubku M4 do bocnich vicek krabicky, aby nenerazily do nejake soucastky.
Kryt Y bych videl jako plechove Ucko (ohnutym dolu) s otvorem na krizovou desku. Aby proslo mezi sloupy stojanu.
Akorat to bude koukat hodne dopredu pri vyjete ose Y. Kabliky k motorum a referakum do husich krku. Viz nase GV21.
Tak at brzo jezdi!
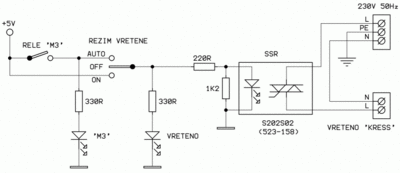
Na stare frezce se mi osvedcilo mit moznost ovladat vreteno dle potreby. I novou frezku jsem tak zapojil. Vreteno ma tri moznosti:
1) AUTO vreteno je rizeni z ridiciho systemu ( v mem pripade oznacene jako RELE 'M3' )
2) OFF vreteno je vzdy vypnute
3) ON vreteno je vzdy zapnute
Jako vykonnovy prvek jsem pouzil SSR rele S202S02 (skl.cislo v GME 523-158), ktere spina fazy pro vreteno KRESS. LED 'M3' indikuje stav vretene ze systemu, LEDka VRETENO indikuje skutecny stav vretene. Prepinac rezimu vretene je typu ON-OFF-ON.
1) AUTO vreteno je rizeni z ridiciho systemu ( v mem pripade oznacene jako RELE 'M3' )
2) OFF vreteno je vzdy vypnute
3) ON vreteno je vzdy zapnute
Jako vykonnovy prvek jsem pouzil SSR rele S202S02 (skl.cislo v GME 523-158), ktere spina fazy pro vreteno KRESS. LED 'M3' indikuje stav vretene ze systemu, LEDka VRETENO indikuje skutecny stav vretene. Prepinac rezimu vretene je typu ON-OFF-ON.
Pavel Urban
Tak jsem frezku "dodratoval" a uz to jezdi. Taky jsem "hrabnul do dreva", ale dokud to nezakrytuji, tak nefrezuji ! Provehl jsem i nejaka mereni s temito vysledky :
"mrtvola" (predpokladam, ze se jedna o vzdalenost, kdy se suport po zmeme smeru nehybe) : X a Y 0.02 Z 0.01
"tuhost" (zatlaceni suportu "jednou rukou plnou silou" {tak to je SUPER definovani sily}) : X a Y +/- 0.08 Z +0.05
Rozjezdy mam : X290 Y210 Z165
A jeste pro pobaveni, dost me pozlobilo definovani poctu kroku na 1mm. Osa X a Y je trapez 16x4 po nastaveni OK. Ale problem jsem mel s osou Z, tam je "kulickac" se stoupanim 5mm.
Takze : (200 kroku na motoru x 16 mikrokroku na GVE66) / 5 mm stoupani = 640
Po zadani do stroje to jezdilo dvojnasobek
. Dalo mi to dost zabrat, nez jsem zjistil, ze v ose Z mam dvouchody sroub
.
Vsem na tomto foru do noveho roku vse nej nej nej ...
"mrtvola" (predpokladam, ze se jedna o vzdalenost, kdy se suport po zmeme smeru nehybe) : X a Y 0.02 Z 0.01
"tuhost" (zatlaceni suportu "jednou rukou plnou silou" {tak to je SUPER definovani sily}) : X a Y +/- 0.08 Z +0.05
Rozjezdy mam : X290 Y210 Z165
A jeste pro pobaveni, dost me pozlobilo definovani poctu kroku na 1mm. Osa X a Y je trapez 16x4 po nastaveni OK. Ale problem jsem mel s osou Z, tam je "kulickac" se stoupanim 5mm.
Takze : (200 kroku na motoru x 16 mikrokroku na GVE66) / 5 mm stoupani = 640
Po zadani do stroje to jezdilo dvojnasobek
Vsem na tomto foru do noveho roku vse nej nej nej ...
Pavel Urban
Zkusil jsem gravirovani pisma do cerne eloxovaneho hliniku. "Maly" text je vyska znaku 1mm, "velky" text jsou 2mm. Pouzita freza 45° - Ø2mm, typ 804 z CNCshopu. Stale jeste neumim zadny CAD a CAM, tak je to delany v programu pro navrh plosnych spoju "Formica", vygenerovano jako Gerber a prevedeno na G-kody pomoci meho programu napsaneho ve Visual Basicu. Vysledek je super, i kdyz na fotce to neni az tak super. Od nynejska jiz nejezdim na sitotisk, ale celni panely si budu gravirovat sam. Ne, ze bych mel neco proti sitotisku, ale kdyz tam privezu 5 kusu, tak me "milujou".
- Přílohy
-
- gravirovani.jpg (45.78 KiB) Zobrazeno 8207 x
Pavel Urban
Dnes jsem potreboval vyvrtat hodne otvoru prumer 12.6 do plastovych krabicek. "Profici" se pousmeji, ale my "hobbysti" mame radost z kazde "dirky"
.
http://www.youtube.com/watch?v=uOR86zufl_0" onclick="window.open(this.href);return false;
http://www.youtube.com/watch?v=uOR86zufl_0" onclick="window.open(this.href);return false;
Pavel Urban
Po X letech provozu je vule v X-ove matici cca 0.2mm. Koupil jsem novou matici, rozrizl na dve polovicni a prisrouboval viz. foto. Puvodni matice 1 a nova 2. Maticemi na svorniku jsem nastavil "predpeti" tak, aby to motor spolehlive utahl v cele delce sroub ( sroub asi neni vybehan ). Stovkovymi hodinkami namerena nulova "mrtvola". Tuhost X-ove osy cca 0.1mm, zatlaceno v ose na jednu resp. druhou stranu a pri uvolneni se vrati zpet na nulu. S upravou jsem zatim spokojen, kdyz uz neni na kulickovy sroub
.
Pavel Urban
Profíci i amatéři preferují firmu kolegů
Tedy neváhej a navštiv ENGESER
byl tam sraz....
http://www.c-n-c.cz/viewtopic.php?f=42& ... er#p150438" onclick="window.open(this.href);return false;
Tedy neváhej a navštiv ENGESER
byl tam sraz....
http://www.c-n-c.cz/viewtopic.php?f=42& ... er#p150438" onclick="window.open(this.href);return false;
Nějak se vymklo kontrole komu patří moje připodotknutí ...
Tedy pro Paik a jeho touze po krimpovaných vodičích
Frézka je to hezká a pracuje tedy gratulace
Podobné široké kolejnice už používal Pupák ... na eBay se tehdy docela hojně vykytovaly...
Tedy pro Paik a jeho touze po krimpovaných vodičích
Frézka je to hezká a pracuje tedy gratulace
Podobné široké kolejnice už používal Pupák ... na eBay se tehdy docela hojně vykytovaly...
Jednoduse a efektivne, moc pekna práce. kolik jsou prosim te ty kolejnice prumer, tipuji 65 nebo vic ? Ja jsem stavel stroj podobného razu, priznam se videl jsem drive tu fotku se stolem, resp. horni deska a to okolo, hodne jsem z ni nasosal inspirace při stavbe. Bohuzel když jsem koukal na kolik vyjdou vetsi lineáry trochu me zamrazilo, takze jsem to resil nakonec dvěma kolejnicemi. A ten příspěvek uz jsem pak zaboha nemohl najit a hle je tu. pekne 
