CNC pokec Havl.Brod 25.11.2022

chb
Příspěvky: 3913
Registrován: 12. 3. 2013, 7:24
Bydliště: Havl. Brod

12. 11. 2022, 10:29

Radek335 píše: 10. 11. 2022, 7:49 Tentokrát žádný úkol? :shock: :P
když myslíte :-)
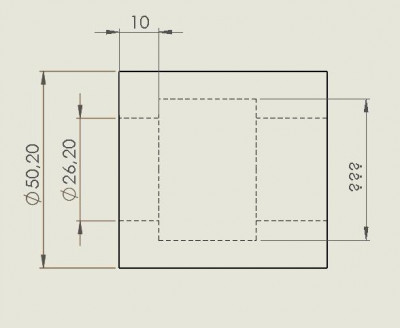
jak změřit díru, ke které se nedostanu - předpokládám použití šuplery a nějaký nápad jak si pomoci
děláno od oka, uvedené míry berte jako orientační pro volbu vhodné pomůcky
je to úkol pro hobby uživatele, ti nemají speciální měřidla, uvidíme jak si s tím kdo poradí :-)
.
Přílohy
dira03.jpg
dira02.jpg
dira02.jpg (10.69 KiB) Zobrazeno 9019 x
dira01.jpg
dira01.jpg (10.16 KiB) Zobrazeno 9019 x
Víťa - BF20 - upraveno na CNC + Mach3 + SS, soustruh CJM250, MK3 Průša, ostřička nástrojů
Uživatelský avatar
zz912
Příspěvky: 1628
Registrován: 25. 5. 2008, 7:16

14. 11. 2022, 6:09

Taky přijedu. Mohu někoho vzít přes Přerov.
LinuxCNC - MESA 7i96
zz912.webnode.cz
StoupaCZ
Příspěvky: 547
Registrován: 2. 6. 2017, 8:12

14. 11. 2022, 8:11

Taky nevím jestli mi to vyjde, případně bych se taky stavil.
Sieg SX4, Interkrenn IKD-400, Vernier Minishape 28
jardaduca
Příspěvky: 1
Registrován: 10. 6. 2020, 6:23

14. 11. 2022, 1:45

Taky přijedu
Uživatelský avatar
Cjuz
Příspěvky: 2466
Registrován: 17. 2. 2013, 6:27
Bydliště: Předklášteří
Kontaktovat uživatele:

14. 11. 2022, 4:33

Tak s tím počítám, pokud by někdo potřeboval nějaký stykač nebo motorový spouštěč může napsat SZ. Neslibuji že bude, ale máme slušnou zásobu použitých komponent. Taky kablíky s M12 konektorem, těch je spousta.
Na konci poznávacího procesu je omyl zcela vyvrácen a my nevíme nic. Zato to víme správně.
hastroha
Příspěvky: 305
Registrován: 26. 12. 2017, 5:53

15. 11. 2022, 4:25

Ahoj Víťo , omlouvám se , ale na sraz 25.11. 2022 nepřijedu !!!
Uživatelský avatar
Meki
Příspěvky: 628
Registrován: 20. 4. 2020, 11:37
Bydliště: Trojanovice

15. 11. 2022, 8:34

zz912 nemáš náhodou v autě volné jedno místečko? :)
Uživatelský avatar
zz912
Příspěvky: 1628
Registrován: 25. 5. 2008, 7:16

15. 11. 2022, 9:42

Meki píše: 15. 11. 2022, 8:34 zz912 nemáš náhodou v autě volné jedno místečko? :)
SZ
LinuxCNC - MESA 7i96
zz912.webnode.cz
ViktorP
Příspěvky: 11
Registrován: 31. 7. 2022, 8:32
Bydliště: Dobříš

15. 11. 2022, 5:01

Co se týče úkolu, tak na tohle by Ti stačila podložka a posuvka. A tři semestry vysokoškolské matiky...
https://www.youtube.com/watch?v=kyu70b3Ib_c
Uživatelský avatar
jenicek
Příspěvky: 1884
Registrován: 17. 9. 2018, 9:35
Bydliště: Vedle Trautenberka

15. 11. 2022, 6:08

Sice jsem VŠ absolvoval, ale nemyslim si, že by mi to nějak k tomuhle řešení pomohlo, to spíš matika na SŠ.
Každopádně já bych ohnul řebik do pravýho vingle, strčil ho do díry a udělal si na něm čárku a pak bych dvojnásobek dýlky označený na řebiku přičet k průměru krajní díry :lol: :lol: :lol:
Uživatelský avatar
Cjuz
Příspěvky: 2466
Registrován: 17. 2. 2013, 6:27
Bydliště: Předklášteří
Kontaktovat uživatele:

15. 11. 2022, 6:44

Já bych to normálně říznul, v pravidlech to zakázáno nebylo :lol: .
Ale pokud by to nešlo, dal bych dovnitř normální podložky podle průměru vhodné a zmeřil středy a pak to prostě sečetl.
Rozepřením se to usadí celekm dobře, vice řekne obrázek:
mereni.JPG
mereni.JPG (16.2 KiB) Zobrazeno 8603 x
Na konci poznávacího procesu je omyl zcela vyvrácen a my nevíme nic. Zato to víme správně.
chb
Příspěvky: 3913
Registrován: 12. 3. 2013, 7:24
Bydliště: Havl. Brod

15. 11. 2022, 8:01

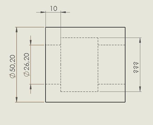
to není hlavolam - dovezte si podložky (proto tam jsou i ostatní rozměry pro volbu velikosti podložek) či ohnutý hřebík, šupleru a měřte. Uvidíme kam se kdo doměří :-)
třeba někdo ukáže zajímavý nápad, který se někdy může hodit ....
kus mám připravený, pak jej "říznem" a přeměříme.
.
Přílohy
dira02.jpg
dira02.jpg (10.69 KiB) Zobrazeno 8581 x
Víťa - BF20 - upraveno na CNC + Mach3 + SS, soustruh CJM250, MK3 Průša, ostřička nástrojů
chb
Příspěvky: 3913
Registrován: 12. 3. 2013, 7:24
Bydliště: Havl. Brod

20. 11. 2022, 3:47

... připomínám, už v pátek
Víťa - BF20 - upraveno na CNC + Mach3 + SS, soustruh CJM250, MK3 Průša, ostřička nástrojů
Uživatelský avatar
Charon
Sponzor fora
Příspěvky: 6433
Registrován: 27. 7. 2019, 4:31
Bydliště: Praha

20. 11. 2022, 4:01

A zdá se, že to i já stihnu :D Vezu VencuBlacka a budu mít ještě dvě místa...

Budete chtít někdo přivézt nějaká počítadla? Monitory zatím moc nejsou
SM16A, FN20, 3E710B, CDC7-2, HO02, CO2laser, Fiber.. propagator www.atreon.cz
Uživatelský avatar
R - stick
Site Admin
Příspěvky: 894
Registrován: 9. 6. 2007, 3:45
Bydliště: Vysoké Studnice 70 58821 Velký Beranov
Kontaktovat uživatele:

20. 11. 2022, 4:12

Jestli máš nějaké USB myši a klávesnice tak ty by se hodily. Zvláště myši mi v tom prachu chcípají dost často. A i nějaké to počítadlo by se hodilo....
Odpovědět

Zpět na „Srazy, akce, výstavy, burzy“