Hromadná objednávka Frekvenčních měničů 400W až 5,5kW

mikiki
Příspěvky: 771
Registrován: 5. 1. 2011, 4:33
Bydliště: Vysočina

16. 1. 2024, 12:05

SZ
tarvisio
Příspěvky: 289
Registrován: 25. 10. 2013, 3:11

14. 2. 2024, 4:05

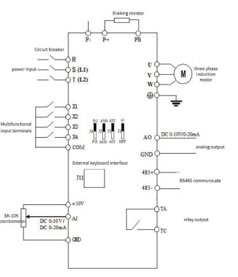
Nabízím nové měniče:
400W, Napájení 1fázové 230V (ten malý na fotce) - 1500 - 3 ks
750W, Napájení 1fázové 230V - 2000 - 5 ks
1,5 kW, Napájení 3fázové 400V - 2100 - 6 ks
2,2 kW, Napájení 3fázové 400V - 2400 - 5 ks

Na všech jde nastavit proud motoru a výkon.
1.jpg
2.jpg
Kolouch
Příspěvky: 41
Registrován: 12. 2. 2015, 7:31

15. 2. 2024, 5:36

SZ na jeden kus 750W, Napájení 1fázové 230V.
Uživatelský avatar
R - stick
Site Admin
Příspěvky: 893
Registrován: 9. 6. 2007, 3:45
Bydliště: Vysoké Studnice 70 58821 Velký Beranov
Kontaktovat uživatele:

16. 2. 2024, 9:50

Bral bych jeden na 2,2 KW 400w - ale napřed bych se chtěl zeptat, jako naprostý laik. Potřebuji aby to umělo toto:

spínání motoru (na tlačítko start)
změnu otáček během běhu motoru - mělo by to mít nějakou komunikaci - jakou?
brždění motoru po vypnutí tlačítkem stop - to ale jen v některých situacích
základní nastavení by mělo jít uložit
nějaká dokumentace pro základní nastavení.

Měnič bude na motoru 2,2KW 2800 otáček - bude jak zrychlovat, tak zpomalovat během prac cyklu - prac. cyklus trvá od 30 sec do 4 minut. Měl by umět zabrzdit motor v některých definovaných situacích. Toto jsou v podstatě všechny funkce, které od toho budu požadovat.
tarvisio
Příspěvky: 289
Registrován: 25. 10. 2013, 3:11

16. 2. 2024, 8:03

Kolouch píše: 15. 2. 2024, 5:36 SZ na jeden kus 750W, Napájení 1fázové 230V.
Dobře, díky. Je vše dohodnuto a odeslal jsem ti to zásilkovnou.
tarvisio
Příspěvky: 289
Registrován: 25. 10. 2013, 3:11

16. 2. 2024, 8:24

R - stick píše: 16. 2. 2024, 9:50 Bral bych jeden na 2,2 KW 400w - ale napřed bych se chtěl zeptat, jako naprostý laik. Potřebuji aby to umělo toto:

spínání motoru (na tlačítko start)
změnu otáček během běhu motoru - mělo by to mít nějakou komunikaci - jakou?
brždění motoru po vypnutí tlačítkem stop - to ale jen v některých situacích
základní nastavení by mělo jít uložit
nějaká dokumentace pro základní nastavení.

Měnič bude na motoru 2,2KW 2800 otáček - bude jak zrychlovat, tak zpomalovat během prac cyklu - prac. cyklus trvá od 30 sec do 4 minut. Měl by umět zabrzdit motor v některých definovaných situacích. Toto jsou v podstatě všechny funkce, které od toho budu požadovat.
Dneska jde vymyslet všechno když víš jak...

Vkládám znova manuál pro měniče:
https://posilej.cz/zasilka/CT8IiF1P#link

tlačítko na start a stop není problém. Ve standardním nastavení měniče by mělo být nastaveno že když spojíš svorku COM a X1 motor se bude točit dopředu. Když to rozpojíš tak se zabrzdí.
V manuálu strana 18.
V měniči nastavíš i čas jak dlouho se má motor roztáčet a brzdit.
Otáčky se dají za běhu regulovat vstupem 0-10V nebo 0-20mA. Nebo spínat přes relátka určité nastavené rychlosti které si přednastavíš.
Všechna nastavení se dají uložit...

Má to mnoho dalších funkcí v manuálu, ještě to nemám vše vyzkoušené.
Výstřižek.JPG
Uživatelský avatar
R - stick
Site Admin
Příspěvky: 893
Registrován: 9. 6. 2007, 3:45
Bydliště: Vysoké Studnice 70 58821 Velký Beranov
Kontaktovat uživatele:

17. 2. 2024, 10:23

OK, mám zájem o jeden ks 2,2KW 400W SZ.
Uživatelský avatar
elbarto
Příspěvky: 5417
Registrován: 22. 5. 2014, 10:27
Bydliště: Prague

18. 2. 2024, 12:03

Co ta tvoje služba přináší za benefity ? Dostanu k tomu fakturu, záruku s DPH odpočtem ?
Uživatelský avatar
shaolin
dezinfo trol
Příspěvky: 1268
Registrován: 11. 9. 2011, 7:17

21. 2. 2024, 6:42

Hlavným benefitom bude pozáručný servis a 24/7 podpora. Doporučujem ti si priplatiť záruku okamžitej výmeny na 2 roky a nemáš čo riešiť ... :)
To že niekto nerozumie tomu čo píšem, neznamená že som troll :)
tarvisio
Příspěvky: 289
Registrován: 25. 10. 2013, 3:11

21. 2. 2024, 5:59

elbarto píše: 18. 2. 2024, 12:03 Co ta tvoje služba přináší za benefity ? Dostanu k tomu fakturu, záruku s DPH odpočtem ?
Ceny máš už bez dph a fakturu si klidně napiš :D
Záruka tam je, tu mám u dodavatele.

A jak píše shaolin - připlatit si záruku okamžité výměny na 2 roky nevedu, nejsem alzák.

...polovina je už asi prodaná, aktualizaji stav koncem týdne kdyby ještě někdo potřeboval.
tarvisio
Příspěvky: 289
Registrován: 25. 10. 2013, 3:11

23. 2. 2024, 2:19

Aktualizace:

750W, Napájení 1fázové 230V - 2 ks
1,5 kW, Napájení 3fázové 400V - 5 ks
2,2 kW, Napájení 3fázové 400V - 3 ks
purs
Příspěvky: 194
Registrován: 24. 1. 2009, 6:46
Bydliště: Nova Paka

26. 2. 2024, 2:22

Koupil jsem menic 750W, napájení 1 fázové 230V. Dodavka OK, menic funguje.
Zapojil jsem dva spinace na X1-COM a X2-COM a rad bych, aby jeden spinac
spustil jeden smer na nastavene otacky a druhy spinac opacne otacky. Nevim co
a jak nastavit. Prosim o radu. Spinace mi funguji, kdyz na spinac nastavim funkci
STOP, tak se vykona. Dekuji. S pozdravem Pavel Urban.
Pavel Urban
Modros
Příspěvky: 2072
Registrován: 31. 3. 2019, 7:58

26. 2. 2024, 2:26

purs píše: 26. 2. 2024, 2:22 Koupil jsem menic 750W, napájení 1 fázové 230V. Dodavka OK, menic funguje.
Zapojil jsem dva spinace na X1-COM a X2-COM a rad bych, aby jeden spinac
spustil jeden smer na nastavene otacky a druhy spinac opacne otacky. Nevim co
a jak nastavit. Prosim o radu. Spinace mi funguji, kdyz na spinac nastavim funkci
STOP, tak se vykona. Dekuji. S pozdravem Pavel Urban.
.
Naposledy upravil(a) Modros dne 26. 2. 2024, 5:28, celkem upraveno 1 x.
Masso, stroje všemožný, autoservis, amatérské závody Nissan GTR
purs
Příspěvky: 194
Registrován: 24. 1. 2009, 6:46
Bydliště: Nova Paka

26. 2. 2024, 5:14

Mnohokrat dekuji za radu. Kdyz nechces poradit, tak se na to vyprdni.
Prepinac na ON-OFF-ON.
Pavel Urban
tarvisio
Příspěvky: 289
Registrován: 25. 10. 2013, 3:11

26. 2. 2024, 5:17

purs píše: 26. 2. 2024, 2:22 Koupil jsem menic 750W, napájení 1 fázové 230V. Dodavka OK, menic funguje.
Zapojil jsem dva spinace na X1-COM a X2-COM a rad bych, aby jeden spinac
spustil jeden smer na nastavene otacky a druhy spinac opacne otacky. Nevim co
a jak nastavit. Prosim o radu. Spinace mi funguji, kdyz na spinac nastavim funkci
STOP, tak se vykona. Dekuji. S pozdravem Pavel Urban.
Aby šlo ovládat zapínání otáček na měniči jak potřebuješ tak si nastav parametr F0.02 na hodnotu 1.

V základu už by mělo být nastaveno jak potřebuješ : X1-COM - točí se jedním směrem.
X2-COM točí se druhým směrem. Teď jsem to testoval na měniči a jde to.
Pokud ne, tak co se má stát při spojení vstupů X a COM se nastavuje v parametru od F2.13 do F2.16 - viz manuál strana 18.
Odpovědět

Zpět na „Ostatní elektronika“