Jones shipman 540 e
-
zverodoktor
- Příspěvky: 3664
- Registrován: 3. 6. 2007, 9:49
- Bydliště: Bratislava
Podľa mňa ju je škoda vykuchať, ten piest nebude neopraviteľný a stolu to zrejme tiež neublížilo. Vodiace plochy majú všade krásne zaškriabané plôšky, Ale vidím že je neskoro a každá rada je márna...
RIP...
RIP...
SU32, MN80, FN25, ISEL4433, Jakobsen SJ25, N1, VS16, Anycubic Kossel
No jak to říct slušně... Ještěrkář je klasický tupoun, ale kam se na tebe hrabe
Oprava nebo výměna jedné pístnice za pár korun... Na co ti bude kuchlej vřeteník ? Položíš ho do police a budeš na něj čučet
Oprava nebo výměna jedné pístnice za pár korun... Na co ti bude kuchlej vřeteník ? Položíš ho do police a budeš na něj čučet
SM16A, FN20, 3E710B, CDC7-2, HO02, CO2laser, Fiber.. propagator www.atreon.cz
-
zverodoktor
- Příspěvky: 3664
- Registrován: 3. 6. 2007, 9:49
- Bydliště: Bratislava
Ak nemusíš, moc s tými posunmi zbytočne nehýb. Za chodu hydrauliky je do loží vháňaný olej a chodia po olejovom filme. Takto sú v podstate nasucho a zvyšuje sa opotrebenie. Dráma to nebude, ale aj tak
SU32, MN80, FN25, ISEL4433, Jakobsen SJ25, N1, VS16, Anycubic Kossel
- tumlik
- Sponzor fora
- Příspěvky: 3821
- Registrován: 19. 12. 2007, 8:20
- Bydliště: já su z Moravskej :-)
- Kontaktovat uživatele:
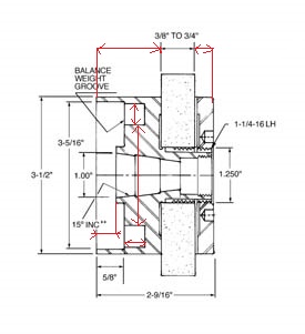
Mám stejné ukončení vřetene na brusce monoprecis, vůbec by mne nenapadlo to vyrábět, jde to normálně koupit, je to včetně vyvažovacích tělísek, wheel flange F350
http://www.tumlikovo.cz/
Popularizační web nástrojařství a kovoobrábění
Popularizační web nástrojařství a kovoobrábění
Účet si uděláš za 5 minut, nic to nestojí. Neboj se to zkusit.
-
mstreicher
- Příspěvky: 841
- Registrován: 30. 9. 2017, 10:08
- Bydliště: Zichovec
- Kontaktovat uživatele:
Tumlik, dik za tip. Říkal jsem si, že budú pár potřebovat. A takhle je to za skvělou cenu.
Sm16, Avia Fnb25, Jones&Shipman 540ap
Jde to pres gugl účet, ksichtokniho ucet.... Nebo založit za par minut a visa karta, no problem
SM16A, FN20, 3E710B, CDC7-2, HO02, CO2laser, Fiber.. propagator www.atreon.cz
