Vřeteno ER11, D=44 - 55mm

ostatní motory, vřetena, regulace, snímaní otáček a jiné
Uživatelský avatar
Meki
Příspěvky: 628
Registrován: 20. 4. 2020, 11:37
Bydliště: Trojanovice

21. 10. 2025, 12:17

zz912 píše: 20. 10. 2025, 6:20 Tak jsem nakonec objednal tohle. Potřeboval jsem čas na zkousnutí ceny. Chtěl jsem vřeteno a né hračku, tak to holt bude něco stát. Dokázal by někdo vyspecifikovat kabel vřeteno-driver. Budu potřebovat něco opravdu flexibilního avšak stíněného .
Jestli chceš tak mám siemensácké stíněné káblíky (tuším že 1,5mm2) oranžové. Mám nějaké kousky které jsem kuchal z staršího CNC co putovalo do hutí. Jakou délku by jsi potřeboval? Můžu vzít na sraz
Telemaster
Příspěvky: 513
Registrován: 3. 4. 2016, 1:47

21. 10. 2025, 12:59

Mám podobné vřeteno vodníka z Ali 300W/60 t , 75 v . Z něj koukají kablíky tak max 0,5 mm2. Asi by úplně stačil kabel 0,75 mm2. Jinak perfektní vřeteno. Znám lidi co ho provozují i bez chlazení, na malé nástroje a je studené.
Milan199
Příspěvky: 3562
Registrován: 18. 8. 2010, 9:04

21. 10. 2025, 3:39

To vřetýnko se dělá i bez chlazení. Na některé práce to opravdu stačí.

https://www.aliexpress.com/item/1005009 ... in_prod%3A
Telemaster
Příspěvky: 513
Registrován: 3. 4. 2016, 1:47

21. 10. 2025, 4:28

Milan199 píše: 21. 10. 2025, 3:39 To vřetýnko se dělá i bez chlazení. Na některé práce to opravdu stačí.

https://www.aliexpress.com/item/1005009 ... in_prod%3A
Milane zkoušel si ho ? , to by bylo na plotry balsa, topol dobrý.
Milan199
Příspěvky: 3562
Registrován: 18. 8. 2010, 9:04

21. 10. 2025, 4:53

Ne nezkoušel. Teprve nedávno se to objevilo v nabídkách co mi posílají. Ale vypadá to prakticky shodné s tím "vodníkem" a těch provozuji několik bez chlazení.
Uživatelský avatar
zz912
Příspěvky: 1628
Registrován: 25. 5. 2008, 7:16

21. 10. 2025, 5:44

Meki píše: 21. 10. 2025, 12:17
zz912 píše: 20. 10. 2025, 6:20 Tak jsem nakonec objednal tohle. Potřeboval jsem čas na zkousnutí ceny. Chtěl jsem vřeteno a né hračku, tak to holt bude něco stát. Dokázal by někdo vyspecifikovat kabel vřeteno-driver. Budu potřebovat něco opravdu flexibilního avšak stíněného .
Jestli chceš tak mám siemensácké stíněné káblíky (tuším že 1,5mm2) oranžové. Mám nějaké kousky které jsem kuchal z staršího CNC co putovalo do hutí. Jakou délku by jsi potřeboval? Můžu vzít na sraz
Metr a půl.
LinuxCNC - MESA 7i96
zz912.webnode.cz
Uživatelský avatar
zz912
Příspěvky: 1628
Registrován: 25. 5. 2008, 7:16

11. 12. 2025, 6:09

Tak mám předčasného ježíška.
20251211_185431.jpg
LinuxCNC - MESA 7i96
zz912.webnode.cz
RaS
Příspěvky: 8840
Registrován: 26. 3. 2009, 9:12
Bydliště: Úvaly

11. 12. 2025, 6:10

předčasného ježíška- manželka by řekla bordel v dílně :D
věčný rýpal,který musí mít poslední slovo, odpůrce low-cost zařízení končících v naprosté většině případů v hromadě šrotu
uživatelé hýbátek, kteří mají z mých příspěvků celoživotní trauma nechť si mé příspěvky VYPNOU
Uživatelský avatar
zz912
Příspěvky: 1628
Registrován: 25. 5. 2008, 7:16

11. 12. 2025, 6:12

Moje manželka na to reaguje slovy, že zas budu duchem nepřítomen.
LinuxCNC - MESA 7i96
zz912.webnode.cz
RaS
Příspěvky: 8840
Registrován: 26. 3. 2009, 9:12
Bydliště: Úvaly

11. 12. 2025, 6:13

a taky ti říká proč to pořád kupuješ vždyť toho máš hromady? :D
věčný rýpal,který musí mít poslední slovo, odpůrce low-cost zařízení končících v naprosté většině případů v hromadě šrotu
uživatelé hýbátek, kteří mají z mých příspěvků celoživotní trauma nechť si mé příspěvky VYPNOU
Uživatelský avatar
zz912
Příspěvky: 1628
Registrován: 25. 5. 2008, 7:16

11. 12. 2025, 6:19

RaS píše: 11. 12. 2025, 6:13 a taky ti říká proč to pořád kupuješ vždyť toho máš hromady? :D
Tento problém nemám. Jsem ten kdo doma nosí kalhoty.

PS: doufám že mi dovolí si s tím vřetenem přes svátky hrát. Zatím jsem měl dovoleno si to jen vytáhnout z krabice.
LinuxCNC - MESA 7i96
zz912.webnode.cz
Uživatelský avatar
zz912
Příspěvky: 1628
Registrován: 25. 5. 2008, 7:16

20. 12. 2025, 11:28

Tak to začínám zapojovat a vyskytla se otázka, zda a kam připojit stínění kabelu.

Na kabelu na straně motoru nezapojené a u měniče k zemi?
17662731874206123965058389687389.jpg
Radši budu za idiota, že se ptám, než pak mít problémy.
LinuxCNC - MESA 7i96
zz912.webnode.cz
Milan199
Příspěvky: 3562
Registrován: 18. 8. 2010, 9:04

21. 12. 2025, 1:07

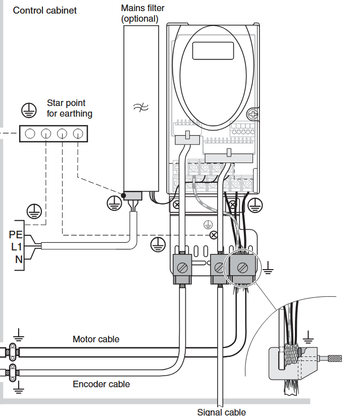
Zapojuji to takhle a zatím jsem problémy nezaznamenal :
stínění.png
To stínění na výstupu z rozvaděče nepřipojuji. Prý by to dávalo smysl pokud by kabely byly v rozvaděči přes 10 m.

Tyhle malé motory většinou nemají ani připojenou zem. Pokud to jde snažím se jí někam připojit.
zverodoktor
Příspěvky: 3656
Registrován: 3. 6. 2007, 9:49
Bydliště: Bratislava

21. 12. 2025, 7:09

Milan199 píše: 21. 12. 2025, 1:07 Zapojuji to takhle a zatím jsem problémy nezaznamenal.
Ahoj,
Na tom obrázku (aspoň sa mi to tak vidí) je na FM tieniace opletenie motorového vodiča pripojené nejakou špeciálnou svorkou. To sa dá niekde kúpiť?
SU32, MN80, FN25, ISEL4433, Jakobsen SJ25, N1, VS16, Anycubic Kossel
Uživatelský avatar
zz912
Příspěvky: 1628
Registrován: 25. 5. 2008, 7:16

21. 12. 2025, 7:27

Děkuji za odpovědi

1) zemění to vřeteno má
2) když se dívám na tvůj obrázek, tak si říkám, jestli mi tam nechybí "main filter"

Připomínám, že smysl projektu je mít příslušenství k Mesa kartě. Takže nebudu rád,
když bych ztrácel nějaké pakety, jen kvůli chybějícímu filtru.

Dokumenty:
First_setup.txt
(197 bajtů) Staženo 55 x
https://sdilej.cz/32677527/h100.pdf
LinuxCNC - MESA 7i96
zz912.webnode.cz
Odpovědět

Zpět na „Ostatní elektromotory“