E-stop na modré desce
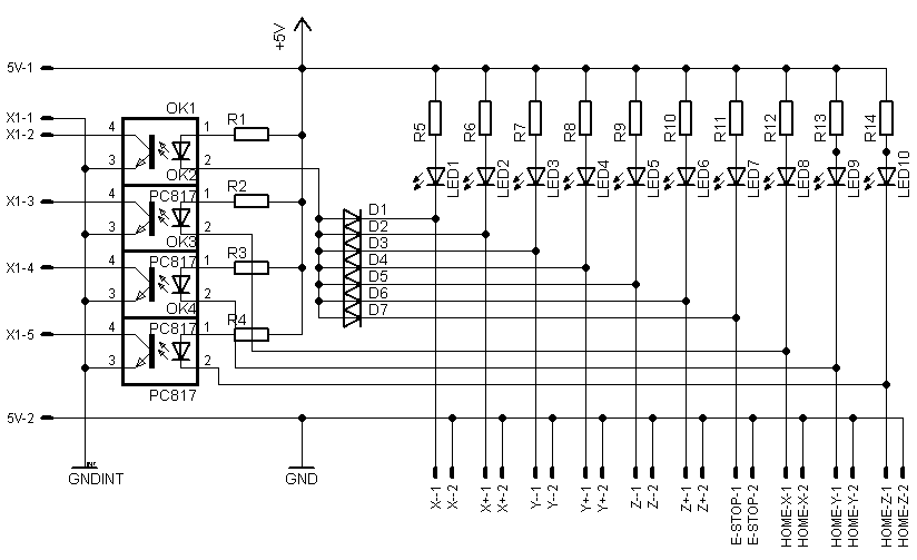
Tak jsem potřeboval vyřešit indikaci vstupů pro 1-osé zelené drivery a použil zde uvedené zapojení a vyšlo z toho viz příloha.
Je to jen taková drátařina, ale snad to bude fungovat dobře.
Pozn.: Stejné zapojení lze použít i pro modrou desku a vypustit optočleny, protože modrá je na vstupech už má.
LED lze nahradit konektory pro jejich umístění na panel.
Je to jen taková drátařina, ale snad to bude fungovat dobře.
Pozn.: Stejné zapojení lze použít i pro modrou desku a vypustit optočleny, protože modrá je na vstupech už má.
LED lze nahradit konektory pro jejich umístění na panel.
- Přílohy
-
- konc2.png (5.12 KiB) Zobrazeno 14667 x
MDF CNC router
TB6560 modrá čínská deska
Mach3, SketchUp+Phlatscript plugin
modelářství, elektronika,technika
TB6560 modrá čínská deska
Mach3, SketchUp+Phlatscript plugin
modelářství, elektronika,technika
Řekl bych, že ti tam schází pull-upy na výstupech optronů.
A v praxi je lepší napájet vstupy z vyššího nepětí než z 5V, např. ze 12V. Pak máš výrazně větší toleranční pole pro rozptyl parametrů spínačů, případné zařazení nějakých dodatečných diod do cesty signálů atd.
A v praxi je lepší napájet vstupy z vyššího nepětí než z 5V, např. ze 12V. Pak máš výrazně větší toleranční pole pro rozptyl parametrů spínačů, případné zařazení nějakých dodatečných diod do cesty signálů atd.
Ok, na ty pull-upy jsem zapomněl, napájení jsem volil podle potřebného napájení pro malé zelené drivery, ale vcelku je to asi jedno, mohu vzít rovnou 24V ze zdroje.Mex píše:Řekl bych, že ti tam schází pull-upy na výstupech optronů.
A v praxi je lepší napájet vstupy z vyššího nepětí než z 5V, např. ze 12V. Pak máš výrazně větší toleranční pole pro rozptyl parametrů spínačů, případné zařazení nějakých dodatečných diod do cesty signálů atd.
MDF CNC router
TB6560 modrá čínská deska
Mach3, SketchUp+Phlatscript plugin
modelářství, elektronika,technika
TB6560 modrá čínská deska
Mach3, SketchUp+Phlatscript plugin
modelářství, elektronika,technika
Nevím, jaký s tím máš záměr, ale já bych to teda udělal jinak.
K čemu je to sečtení signálů na jeden další vstup? Snad každý systém v případě najetí na koncák provede totéž co totalstop, takže je zbytečné to dublovat.
A nejen zbytečné, ale v tomto případě i škodlivé, protože omezující. Tím pádem jednak nemůžeš použít koncák i jako referenční spínač, a hlavně tě to nutí použít spínací tlačítka/spínače. Ale podle mě je lepší používat rozpínací, protože pak utržený drát znamená okamžité zastavení stroje.
K čemu je to sečtení signálů na jeden další vstup? Snad každý systém v případě najetí na koncák provede totéž co totalstop, takže je zbytečné to dublovat.
A nejen zbytečné, ale v tomto případě i škodlivé, protože omezující. Tím pádem jednak nemůžeš použít koncák i jako referenční spínač, a hlavně tě to nutí použít spínací tlačítka/spínače. Ale podle mě je lepší používat rozpínací, protože pak utržený drát znamená okamžité zastavení stroje.
Spojení všech koncáků do jednoho vstupu je pro soft v podstatě jedno, vždy se stopne, mě jde o indikaci LEDkama, kde to najelo. Jinak referenční se použijí home spínače.Mex píše:Nevím, jaký s tím máš záměr, ale já bych to teda udělal jinak.
K čemu je to sečtení signálů na jeden další vstup? Snad každý systém v případě najetí na koncák provede totéž co totalstop, takže je zbytečné to dublovat.
A nejen zbytečné, ale v tomto případě i škodlivé, protože omezující. Tím pádem jednak nemůžeš použít koncák i jako referenční spínač, a hlavně tě to nutí použít spínací tlačítka/spínače. Ale podle mě je lepší používat rozpínací, protože pak utržený drát znamená okamžité zastavení stroje.
To rozpínání ještě promyslím. Vycházel jsem ze schematu v tomto vlákně na začátku. A také z toho že modrá má na vstupech optočleny, které spíná do země, je tedy třeba přivést zem na vstup, proto sepnutí koncákem do země je nejjednodušší.
MDF CNC router
TB6560 modrá čínská deska
Mach3, SketchUp+Phlatscript plugin
modelářství, elektronika,technika
TB6560 modrá čínská deska
Mach3, SketchUp+Phlatscript plugin
modelářství, elektronika,technika
a nedalo by se identifikovat osu na koncaku pohledem? s nejvetsi pravdepodobnosti se bude nachazet v jedne z krajnich poloh
"do řiti se řítíme, ani o tom nevíme.."
Jistě a místo krokáčů kličky...atd..filla píše:a nedalo by se identifikovat osu na koncaku pohledem? s nejvetsi pravdepodobnosti se bude nachazet v jedne z krajnich poloh
MDF CNC router
TB6560 modrá čínská deska
Mach3, SketchUp+Phlatscript plugin
modelářství, elektronika,technika
TB6560 modrá čínská deska
Mach3, SketchUp+Phlatscript plugin
modelářství, elektronika,technika
- Kilovolt
- Sponzor fora
- Příspěvky: 829
- Registrován: 21. 10. 2009, 9:59
- Bydliště: Podřipák jak vyšitej!
Ale s tím rozpínacím kontaktem má Mex pravdu- stačí, aby se ti kablik zlomil o konektoru nebo nesepne kontakt (nečistota) a bouráš - pokud by byl rozpínací, tak stroj stojí a myslím, že předělat schémátko by nebyla zas taková fuška 
Elektrika je potvora-nejni vidět a kope jak divoká mula.
"Učíme se po celý život. Až na školní léta" - Gabriel Laub
"Učíme se po celý život. Až na školní léta" - Gabriel Laub
Tak jsem to předělal, ale nějak se mi to nezdá, zkoušel jsem to nasimulovat v Multisimu a je to dost divoký. Je to v podstatě dělič s bypasem, nevím jestli jsem to víc nezkomplikoval, ale mrkněte na to. Hodnoty jsem dal podle simulátoru, co to s nima funguje.
- Přílohy
-
- rozp-01.png (993 bajtů) Zobrazeno 14531 x
MDF CNC router
TB6560 modrá čínská deska
Mach3, SketchUp+Phlatscript plugin
modelářství, elektronika,technika
TB6560 modrá čínská deska
Mach3, SketchUp+Phlatscript plugin
modelářství, elektronika,technika
- Kilovolt
- Sponzor fora
- Příspěvky: 829
- Registrován: 21. 10. 2009, 9:59
- Bydliště: Podřipák jak vyšitej!
Hele a to by moc vadilo,kdyby ty ledky v klidu svítily? Měl bys jistotu, že je obvod uzavřenej a obvod by byl jednodušší.
Elektrika je potvora-nejni vidět a kope jak divoká mula.
"Učíme se po celý život. Až na školní léta" - Gabriel Laub
"Učíme se po celý život. Až na školní léta" - Gabriel Laub
Tak není to kritické, je to jen takový vyšperkování. No kdyby svítily, bylo by lepší je dát zelený, jakože koncáky jsou OK. Pak by to bylo už hodně primitivní. No ale dokázal bych si tam představit i třeba 7414 a invertovat to, to už je nic korun navrch a času na to mám...Kilovolt píše:Hele a to by moc vadilo,kdyby ty ledky v klidu svítily? Měl bys jistotu, že je obvod uzavřenej a obvod by byl jednodušší.
MDF CNC router
TB6560 modrá čínská deska
Mach3, SketchUp+Phlatscript plugin
modelářství, elektronika,technika
TB6560 modrá čínská deska
Mach3, SketchUp+Phlatscript plugin
modelářství, elektronika,technika
Já na to nakonec přijdu: 24V-stabilizátor 5V(popř zenerka)-rezistor cca 120R-koncák paralelně s červenou ledkou-zem. Výstup před spojením koncáku a ledky.
MDF CNC router
TB6560 modrá čínská deska
Mach3, SketchUp+Phlatscript plugin
modelářství, elektronika,technika
TB6560 modrá čínská deska
Mach3, SketchUp+Phlatscript plugin
modelářství, elektronika,technika
Ty ses tak děsně upnul na ty LEDky, že raději obětuješ kvalitní funkci jen proto, aby se Ti rozsvítila nějaka zbytečná LED. A zbytečná opravdu je, protože to jednak vidíš kde ti stoji vřeteno, navíc ti to dostatečně důrazně zobrazí CNC software (LinuxCNC, Mach atd.).
Když už tam chceš dávat ten invertor a napájet to z 5V, tak to aspoň zapoj naopak - těch +5V tam přiveď přes odpor a koncákem to spínej proti zemi. Pak když někde prodřeš izolaci a šlusneš to na kostru frézky, tak ti nezhoří ten zdroj 5V.
Když už tam chceš dávat ten invertor a napájet to z 5V, tak to aspoň zapoj naopak - těch +5V tam přiveď přes odpor a koncákem to spínej proti zemi. Pak když někde prodřeš izolaci a šlusneš to na kostru frézky, tak ti nezhoří ten zdroj 5V.