Frézka TOS FN20

fotky našich strojů, aneb co máme doma
Odpovědět
Uživatelský avatar
salus
Příspěvky: 1528
Registrován: 1. 9. 2013, 1:30
Bydliště: Chrudimsko

22. 7. 2022, 9:49

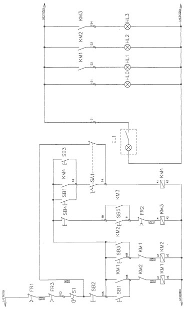
Tak asi zapojení tvojí frézky je trochu odlišné od toho schématu co já mám k dispozici, protože tam pojistky P7 a P8 nejsou. Pokud by to bylo podle mého schématu, tak by nemohla svítit ani kontrolka (H0) zapnutí hlavního vypínače. A na obou pojistkách P3 jistících primár transformátoru je navzájem proti sobě napětí 400V, tam to neměřit proti zemi, protože i když bude jedna z těch dvou primárních pojistek přerušená tak proti zemi naměříš i tak 230V
Soustruh: S-28 Žebrák
Stolní vrtačka: TOS V10A
Pásová pila: G5013W/400
capajev
Příspěvky: 534
Registrován: 6. 12. 2021, 9:05
Bydliště: Praha 8 - Bohnice

22. 7. 2022, 10:02

je to asi tak, ja mam opet schema kde je i pojistka P9, tu pro změnu nemám na stroji já.
Uživatelský avatar
salus
Příspěvky: 1528
Registrován: 1. 9. 2013, 1:30
Bydliště: Chrudimsko

22. 7. 2022, 10:03

Nafoť a pošli to schéma, ať tady nedebatujeme špatně.
Soustruh: S-28 Žebrák
Stolní vrtačka: TOS V10A
Pásová pila: G5013W/400
capajev
Příspěvky: 534
Registrován: 6. 12. 2021, 9:05
Bydliště: Praha 8 - Bohnice

22. 7. 2022, 10:10

Tak na pojistkách P3 je proti sobě 400V, to je tedy OK.
01.jpg
02.jpg
EDIT: Jestě doplním, že ten manuál z kterého jsou ty schémata nemám tištěný, takže dost pravděpodobně taky není přímo k tý mý frézce.
Uživatelský avatar
salus
Příspěvky: 1528
Registrován: 1. 9. 2013, 1:30
Bydliště: Chrudimsko

22. 7. 2022, 10:56

Na pojistkách FU3 je to tedy OK, ale jinde to bude jinak než jsem dosud psal.
Na pojistce FU5 by mělo být proti svorce 100 napětí 110V (nikoliv proti zemi, protože bod 0 na transformátoru není uzemněn, takže měřit vždy proti svorce 100!. Pokud na svorce 103 nebude napětí 110V proti svorce 100 zaměř se na nadproudové ochrany FR1 a FR3. Pak dále musí být 110V na svorce 105, pokud není zaměř se na tlačítko Central stop SB2 (mimochodem, není náhodou to tlačítko zamáčklé, má totiž aretaci ve vypnuté poloze, pootočením hříbku na tlačítku se aretace odjistí).
Soustruh: S-28 Žebrák
Stolní vrtačka: TOS V10A
Pásová pila: G5013W/400
capajev
Příspěvky: 534
Registrován: 6. 12. 2021, 9:05
Bydliště: Praha 8 - Bohnice

22. 7. 2022, 11:40

Tak jsem poradne prohledl mnou zaslane schema oproti realite a bude to zapojene asi jeste jinak. Svorka 100 se u mne nevyskytuje a transformator ma uzemneni. Do/Z transformatoru vedou 2 cerne draty pojistek P3, 5 cervenych (4 k pojistkam P5-P8) a jeden do stykače S3. Tlačítko total stopu odmáčklé, to jsem kontroloval jako jednu z prvních věcí. Níže ještě přikládám fotku jak to vypadá ve skříňce.
IMG_2906.jpg
Uživatelský avatar
salus
Příspěvky: 1528
Registrován: 1. 9. 2013, 1:30
Bydliště: Chrudimsko

22. 7. 2022, 12:20

capajev píše: 22. 7. 2022, 11:40 transformator ma uzemneni. Do/Z transformatoru vedou 2 cerne draty pojistek P3, 5 cervenych (4 k pojistkam P5-P8) a jeden do stykače S3.
IMG_2906.jpg
Z té fotky to není k rozeznání, ale je možné, že transformátor má uzemněno jen jádro a ne 0 vývody sekundárních vinutí.
V tomto případě je těžké radit takhle na dálku.
Nezbyde asi nic lepšího než jít vodič po vodiči, od zdroje až ke spínacím přístrojům.
Soustruh: S-28 Žebrák
Stolní vrtačka: TOS V10A
Pásová pila: G5013W/400
capajev
Příspěvky: 534
Registrován: 6. 12. 2021, 9:05
Bydliště: Praha 8 - Bohnice

22. 7. 2022, 12:25

Budu muset jít takhle postupně, každopádně díky moc za ochotu.
capajev
Příspěvky: 534
Registrován: 6. 12. 2021, 9:05
Bydliště: Praha 8 - Bohnice

24. 7. 2022, 4:29

Ahoj, tak jsem postoupil. Rozhodl jsem se nespolehat ze jsem spravne promeril funkcnost pojistek (vyloucit tim problem mezi zidli a klavesnici) a vymenit vsechny pojistky P1-P8. Slavim castecny uspech a z ovladaciho panelu funguje vse az na spusteni motoru posuvu.
capajev
Příspěvky: 534
Registrován: 6. 12. 2021, 9:05
Bydliště: Praha 8 - Bohnice

28. 7. 2022, 1:53

Ahoj, chtěl bych poděkovat za popostrčení a pomoc. Frézka už plně funguje, nakonec byl problém na kontaktech svorek 103 a 109. Stačilo povolit šroubek, vyjmout vodič a lehce očistit.
Uživatelský avatar
Charon
Sponzor fora
Příspěvky: 6433
Registrován: 27. 7. 2019, 4:31
Bydliště: Praha

1. 10. 2022, 10:10

Ahoj kamarádi
trošku oživím lubbezovo vlákno, ať nezakládám nové :lol:
Stal jsem se také majitelem téhle krásky, je ze zrušené fabričky někde u Chebu, kde provozovali čtyři kousky a hafo dalších strojků, jako malinké Maho, pár FNGJ, nějaké S32, krásného Weilera atd... No dostal jsem se k lizu jako první, děkuji lubbezovi za jeho čas že jel na prohlídku se mnou, vybrali jsme tu nejlepší a já ji koupil. Stěhování proběhlo tenhle čtvrtek, moc díky Aximovi za jeho čas a pomoc, no a je na místě a trošku čistím :) Je překvapivě na ta léta v dobrém stavu, dělali na ní podle špon jen bronz, nikde se nevysypaly jiné piliny, nikdy ji nenatočili hlavu, byla slepená původní červenou vazelínou a nešla pootočit, v horizonrální dutině nikdy nebyl nástroj, šroub je panenský :lol:

Mám z ní moc velkou radost, samozřejmě vyčistím, dodělám DRO, no a asi předělám to příšerné tlačítkové ovládání dle mého gusta :mrgreen: Rozvaděč je netknutý, na něj tentokrát vyjímečně prdím. Manuál mám, ale něco tam není, tak se budu časem ptát, díky

PS neměl by někdo přímé kleštiny ISO40 a to 3, 4, 5 a 20 mm navíc? Dostal jsem k tomu krabici kleštin, ale tyhle mi chybí, ale zase mám dvakrát 18 a 25 tak můžu nabídnou na směnu, díky
Přílohy
1.jpg
7.jpg
8.jpg
9.jpg
SM16A, FN20, 3E710B, CDC7-2, HO02, CO2laser, Fiber.. propagator www.atreon.cz
capajev
Příspěvky: 534
Registrován: 6. 12. 2021, 9:05
Bydliště: Praha 8 - Bohnice

1. 10. 2022, 11:47

Charon píše: 1. 10. 2022, 10:10 Ahoj kamarádi
trošku oživím lubbezovo vlákno, ať nezakládám nové :lol:
……
Ahoj, gratuluji ke koupi. Je to moc peknej mazlik. Primou klestinu mam navic jen 12mm a vsak 25 bych moc uvital, kdyby jsi byl ochotny ji prodat :-).

edit: omlouvam se za popleteni v puvodni verzi, 20 jsem sice v depragu potaval, ale nemely ji. 3,4,5 bych tam vsak zkusil, ty jsem nepoptaval.
Uživatelský avatar
Charon
Sponzor fora
Příspěvky: 6433
Registrován: 27. 7. 2019, 4:31
Bydliště: Praha

1. 10. 2022, 12:33

capajev píše: 1. 10. 2022, 11:47
Charon píše: 1. 10. 2022, 10:10 Ahoj kamarádi
trošku oživím lubbezovo vlákno, ať nezakládám nové :lol:
……
Ahoj, gratuluji ke koupi. Je to moc peknej mazlik. Primou klestinu mam navic jen 12mm a vsak 25 bych moc uvital, kdyby jsi byl ochotny ji prodat :-).

edit: omlouvam se za popleteni v puvodni verzi, 20 jsem sice v depragu potaval, ale nemely ji. 3,4,5 bych tam vsak zkusil, ty jsem nepoptaval.
Ahoj pokud nesezenu na vymenu, samo se domluvime. Ale prednost ma směna :D
SM16A, FN20, 3E710B, CDC7-2, HO02, CO2laser, Fiber.. propagator www.atreon.cz
capajev
Příspěvky: 534
Registrován: 6. 12. 2021, 9:05
Bydliště: Praha 8 - Bohnice

1. 10. 2022, 1:05

Super, zatim diky.
Uživatelský avatar
Charon
Sponzor fora
Příspěvky: 6433
Registrován: 27. 7. 2019, 4:31
Bydliště: Praha

8. 10. 2022, 2:23

Ahoj
čistím svoji novou fenku, narazil jsem na pár věcí, co nejsou v mém manuálu. Prosím o radu zkušenější

Na vrchu vertikální hlavy je matka, co přitahuje tři odpružené šrouby, co se tím reguluje?

O kolik otáček natočit pero vracení pinoly? Bylo vypadlé z drážky.

V manuálu píšou o náplni ložisek trvalou náplní a interval 3 až 5 let na výměnu...
Protože hlava nebyla nikdy sundaná, je tam původní náplň, má cenu rozebrat, umejt a znova naplnit? Dokážu ji správně seřídit?

Moc díky
Přílohy
20221008_151231.jpg
SM16A, FN20, 3E710B, CDC7-2, HO02, CO2laser, Fiber.. propagator www.atreon.cz
Odpovědět

Zpět na „naše mašinky“