Magiho výzkumný ústav

fotky našich strojů, aneb co máme doma
Odpovědět
Uživatelský avatar
pavlaxy
Příspěvky: 1885
Registrován: 26. 12. 2007, 11:42
Bydliště: Praha

13. 7. 2015, 11:18

Z mého laického pohledu by měl být asi připojen obdobně jako manometry přes kohouty-kulové ventily na plyn a nějaká ta před-filtrace nečistot z potrubí by asi neškodila .Dále by mohl být nainstalován automatický ventil havarijního odpojení pokud nastane únik na přípojce měření .
Dále navrhuji suchou předlohu SP50 :
http://www.svarshop.cz/jakou-vybrat-och ... i-plamenem" onclick="window.open(this.href);return false;
to by asi mohlo uspokojit každého revizáka z důležitých úřadů a je to nad rámec i vlastního svědomí
:D :P
sestavy_sm.pdf
(994.38 KiB) Staženo 490 x
Uživatelský avatar
magi
Sponzor fora
Příspěvky: 2741
Registrován: 16. 10. 2006, 12:40
Bydliště: Třebíč
Kontaktovat uživatele:

19. 7. 2015, 5:55

Elektronický kvíz:
Máme zesilovač Omnitronic 2 x 850W při 4 ohmové zátěži.
Asi 12 let používán k plné spokojenosti na třípásmové 8 ohmové zátěži cca 2 x 500W bez sebemenšího problému.
Dneska uprostřed kulturní akce se najednou něco stalo a koncák přestal dávat výkon.
Hraje pouze výšková a středová sekce a to pouze na cca 1/4 výkonu, basová sekce nehraje vůbec.
Při testování doma na stole s jinýmy reproboxy se to chová úplně stejně.
Stejně se to chová i při přepnutí do bridge, na paralelní provoz i na stereo provoz.
Indikátory vybuzení chodí standartně, tzn. problém bude někde až v koncové části.

V zesilovači se něco podělalo, netuší nekdo co se tomu mohlo přihodit a kde to zhruba hledat?
Možná je na vině i nějaký kmit v síti, protože se zrovna blížila bouřka.
Přílohy
Obraz092.jpg
Obraz091.jpg
Obraz090.jpg
Dle úpravy hnojiště poznáme hospodáře, dle výsledu voleb jakýchkoliv duševní úroveň voličů.
Uživatelský avatar
filla
Příspěvky: 3523
Registrován: 1. 12. 2013, 12:55
Bydliště: Brno
Kontaktovat uživatele:

19. 7. 2015, 6:34

ja vim co tomu je, je to polamany!

ne tded vazne, talto na dalku se to neda, pokud jsem to pochopil spravne, tak se jedna o 3 kanal. zesak (2x satelit + 1x subwofer) potom by mohla byt zavada ve vyhybce
"do řiti se řítíme, ani o tom nevíme.."
Uživatelský avatar
magi
Sponzor fora
Příspěvky: 2741
Registrován: 16. 10. 2006, 12:40
Bydliště: Třebíč
Kontaktovat uživatele:

19. 7. 2015, 7:08

Nenene, zesák má jen jeden kanál na levou a druhý na pravou. Obyčejný stereo koncový zesák. Výstupy viz. foto.
Výhybky jsou až v reprosoustavě.
Přílohy
Obraz093.jpg
Dle úpravy hnojiště poznáme hospodáře, dle výsledu voleb jakýchkoliv duševní úroveň voličů.
Uživatelský avatar
packa
Příspěvky: 7157
Registrován: 7. 2. 2007, 6:42
Bydliště: Královehradecký kraj

19. 7. 2015, 7:36

aco jsi teda myslel tím že nehraje basová sekce ?
Uživatelský avatar
picom
Příspěvky: 2338
Registrován: 11. 8. 2006, 2:07
Bydliště: Praha

19. 7. 2015, 7:48

Nejdou ti oba kanály nebo pouze jeden ?
Uživatelský avatar
packa
Příspěvky: 7157
Registrován: 7. 2. 2007, 6:42
Bydliště: Královehradecký kraj

19. 7. 2015, 7:56

mrkni na napájení , některé koncáky používají symetrické napájení , tak jestly jdou obě větve
Uživatelský avatar
Kilovolt
Sponzor fora
Příspěvky: 829
Registrován: 21. 10. 2009, 9:59
Bydliště: Podřipák jak vyšitej!

19. 7. 2015, 8:09

Nemusí to bejt nutně koncák- s kámošem jsme opravili jeden zesík (taky na "kulturní akce") - měl predzesilovac s operákama napájenej přes odpory (z kladný i záporný větve a omezený zenerkama), no a jedna zenerka zakukala (uhřála se k smrti)-podobný syndromy-slabej výkon hodně vejšek a zkreslený (operáky napájený jen jednou větví). Oprava byla jednoduchá:výměna jedný zenerky za dvě (rozdělění výkonu) s příslušným napětím. Ovšem to byl jinej koncák a jak pravil filla- takle na dálku se to nedá- vyndej měřák a měř na koncákách, na operákách atd ideálně podle schéma.

PS:takovýhle "hovado" zesík bude mít určo symetrické napájení
Elektrika je potvora-nejni vidět a kope jak divoká mula.
"Učíme se po celý život. Až na školní léta" - Gabriel Laub
Uživatelský avatar
pavlaxy
Příspěvky: 1885
Registrován: 26. 12. 2007, 11:42
Bydliště: Praha

19. 7. 2015, 8:18

Ahojky Magi ,
snad ti na dálku pomůže schema na P-1500 a diskuse okolo...dvoutisícovka je k nenalezení :(
http://www.ebastlirna.cz/modules.php?na ... ic&t=60786" onclick="window.open(this.href);return false;
http://www.audioweb.cz/viewtopic.php?id=10248" onclick="window.open(this.href);return false;
Omnitronic_P1500_1_.gif
OMNITRONIC P-2000 manuál.pdf
(535.33 KiB) Staženo 1735 x
http://www.espec.ws/" onclick="window.open(this.href);return false;
držím palce
:D :P
Uživatelský avatar
pavlaxy
Příspěvky: 1885
Registrován: 26. 12. 2007, 11:42
Bydliště: Praha

19. 7. 2015, 9:02

Ještě poznámka
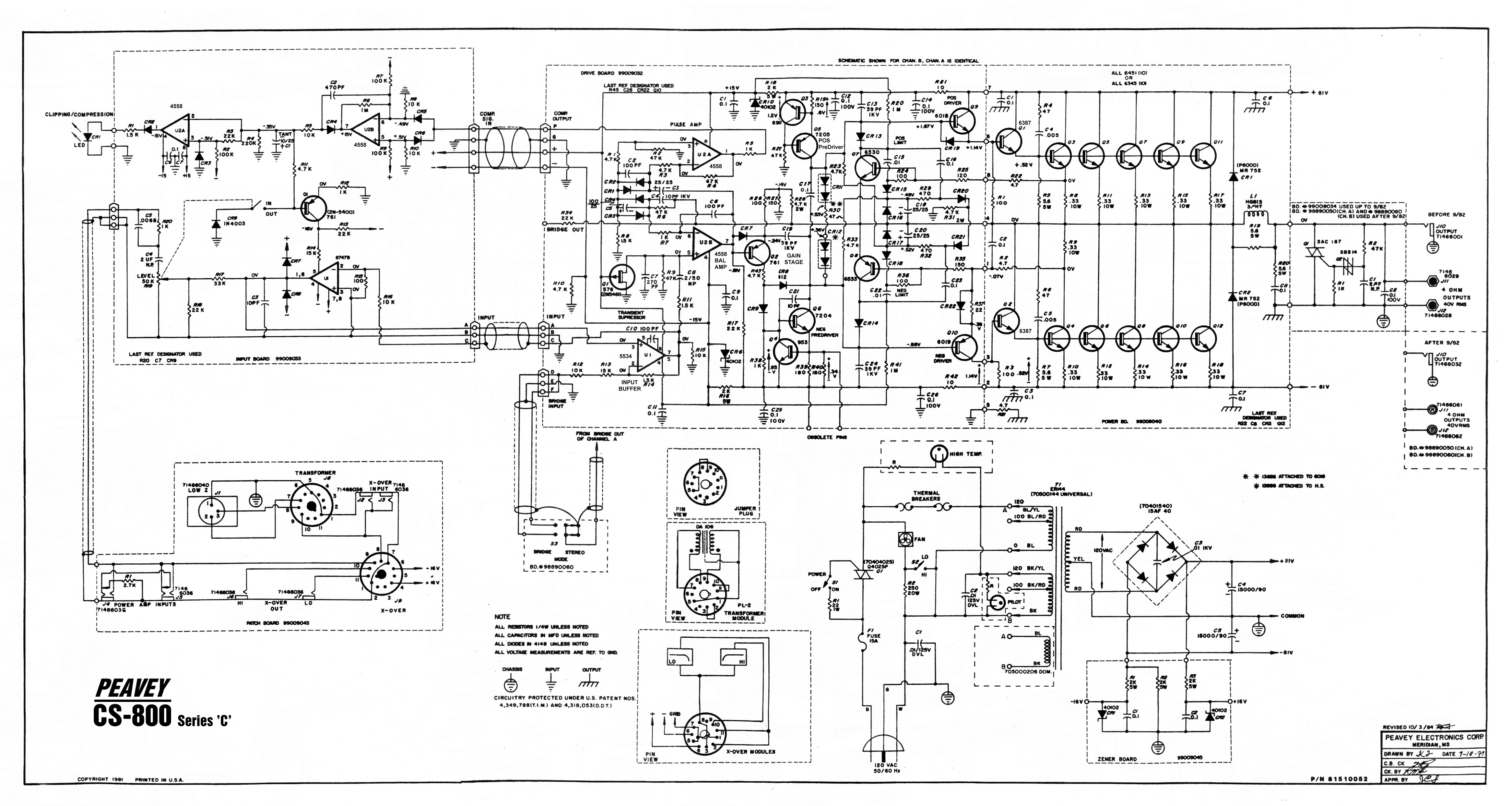
U zesilovače PEAWEY CS-800 přímo z USA tehdy docela špička 2x400W do 4ohmů jsem měla závadu v patici-ten vakl- vstupního IC tuším TL081 a dokázal odpálit celý konec jak se zhouplo napětí v jedné větvi :evil: ,stačilo vyměnit sokl za precizní provedení místo amerického aušusu .
Jinak byl docela problém sehnat originální motorola tranzistory protože napájení 2x80V a tedy závěrná napětí..zase embargo prý odpad z NASA kupodivu nakonec přes jednoho šejdíře z polska se povedlo...
Po dvanácti letech provozu bych hledala asi ESR na elektrolytech a šmahem je všechny vyměnila za lepší-s nízkým ESR firmu Jamicon a jiné...
Tyhle hodně napěchované krabice mají příliš teplé prostředí pro součásti a to krátí přímo programově životnost .
testone
Sponzor fora
Příspěvky: 7534
Registrován: 3. 12. 2010, 5:56
Bydliště: Slaný

19. 7. 2015, 9:22

tímhle jsem se za mlada docela silně zabýval
třídil KD606/616 na závěrný napětí atd :D
pár podobnejch konců jsem postavil
.....
s odporem beden do nemá nic společnýho, jen to do vyšší zátěže dá menší max. výkon
tutově je to celý napájený symetricky, odhadem tak +-70V, nechce se mi teď počítat a myslet
proti kostře to tam musíš naměřit
operák na vstupu bude mít napájení tak +-15V
na výstupu OZ musí být 0 (stejnosměrně), to samé výstupu celého konce
pokud by tam nebyla, měla by to celé shodit ochrana proti ss napětí na výstupu a odpojit výstupy kontaktem relé
pokud tam ss ochrana není (pak by to byl krám) a např se prorazí koncový tranzistor, je to schopný velmi rychle spálit repráky - speciálně basový v soustavě s pasivní výhybkou, středový a výškový je chráněný seriovým kondem ve výhybce
bohužel nedokážu přečíst to schema co sem dala Pavlaxy
Obvykle se dějí věci obvyklé. Méně často se dějí věci neobvyklé a zcela vyjímečně se dějí věci vyjímečné...
Masturn 40 CNC, Hermle UWF1200H CNC a pár klasik
http://www.radialengine.cz" onclick="window.open(this.href);return false;
http://www.autopejsek.cz" onclick="window.open(this.href);return false;
Uživatelský avatar
pavlaxy
Příspěvky: 1885
Registrován: 26. 12. 2007, 11:42
Bydliště: Praha

19. 7. 2015, 9:30

Amíci - tedy pan Hartley Peawey se s ochranou pro repráky nepárali a vyřešili to "elegantně" tyristorem přes výstupní svorky...
SS napětí to vyzkratovalo repráky zachránilo a celý zesilovač odprásklo ...
Inu ten pán věděl jak nakrmit servisáky protože pár tranzistorů tedy do celého zesilovače stálo méně než reproduktory v USA ,ale ne u nás :wink:
Omlouvám se ,v rychlosti jsem to nekontrolovala na rozlišení ...třeba se najde lepší..
Uživatelský avatar
pavlaxy
Příspěvky: 1885
Registrován: 26. 12. 2007, 11:42
Bydliště: Praha

19. 7. 2015, 10:22

Peavey CS-800 (series C).jpg
zesilovače jsou si podobné
Uživatelský avatar
magi
Sponzor fora
Příspěvky: 2741
Registrován: 16. 10. 2006, 12:40
Bydliště: Třebíč
Kontaktovat uživatele:

19. 7. 2015, 10:27

packa píše:aco jsi teda myslel tím že nehraje basová sekce ?
Basová sekce nehraje pač ta jediná potřebuje opravdový výkon, konkrétně v mém případě 500W na kanál.
Sám jsem z toho byl trošku divokej při prvotním bádání ještě tam na akci a marně doufal že odešly výhybky v bednách. Ovšem že by odešly obě v jedom okamžiku je nesmysl.
Ale ono to skutečně vyplívá z logiky věci. Hraje jen středová a výšková sekce - střed má max 150W a výška o té se nemusíme bavit, ta je piezo.
Tzn. pokud výkon chybí tak se basová sekce ani nepohne, což je logické.
Zcela jsem se v tomto utvrdil, když jsem to už doma připojil k jiným bedničkám, byť mnohem slabším. Chová se to zase úplně stejně - basák který schlastá nejvíc výkonu se ani nehne.
Zesák má na koncovém stupni na každém kanále slovy šestnáct kusů výkonových tranzistorů.
Řekl bych že je to dost podobné schématu od PavlaXY
Dle úpravy hnojiště poznáme hospodáře, dle výsledu voleb jakýchkoliv duševní úroveň voličů.
Uživatelský avatar
magi
Sponzor fora
Příspěvky: 2741
Registrován: 16. 10. 2006, 12:40
Bydliště: Třebíč
Kontaktovat uživatele:

19. 7. 2015, 10:33

pavlaxy píše:Ahojky Magi ,
snad ti na dálku pomůže schema na P-1500 a diskuse okolo...dvoutisícovka je k nenalezení :(
http://www.ebastlirna.cz/modules.php?na ... ic&t=60786" onclick="window.open(this.href);return false;
http://www.audioweb.cz/viewtopic.php?id=10248" onclick="window.open(this.href);return false;
Omnitronic_P1500_1_.gif
OMNITRONIC P-2000 manuál.pdf
http://www.espec.ws/" onclick="window.open(this.href);return false;
držím palce
:D :P
Ano toto je přesně můj zesilovač, ale 2000ka. Koupený v r. 2003 za nekřesťanských 18 poctivě vydělaných tisícovek :cry:
Dle úpravy hnojiště poznáme hospodáře, dle výsledu voleb jakýchkoliv duševní úroveň voličů.
Odpovědět

Zpět na „naše mašinky“