Stránka 14 z 15
Re: Systém digitálního odměřování polohy (DRO) + LED displej
Napsal: 19. 10. 2017, 1:23
od SITALL
Ještě bych chtěl upozornit, že u magnetických pásek se jedná pouze o prodej samotné pásky s ocelovou chráničkou bez ALU profilů, vodících lišt nebo prachovek.
V případě potřeby podobné věcí se dá projednat zvlášť. Některé hotová řešení budu postupně nabízet tady na fóru

Re: Systém digitálního odměřování polohy (DRO) + LED displej
Napsal: 19. 10. 2017, 7:45
od CZ_Pascal
Dobrý den.
Mohl bych prosím vědět jestli jsou signály
SITALL píše: Senzor má standardní TTL výstup A/B/Z s napájením 5V.
brané přímo ze senzorového obvodu (a "pouze" vhodně posíleny nějakým TTL "švábem"), nebo jsou ze senzoru čtena data přes komunikaci a TTL výstup pak tvoří nějaký mikroprocesor ?
Děkuji za odpověď. (pokud to tedy naní tajné)
Re: Systém digitálního odměřování polohy (DRO) + LED displej
Napsal: 20. 10. 2017, 9:09
od SITALL
Signály z senzoru jsou posíleny klopnými obvody TTL.
Re: Systém digitálního odměřování polohy (DRO) + LED displej
Napsal: 20. 10. 2017, 9:11
od SITALL
A ještě jedná poznámka. Momentálně dávám přednost výrobě senzorů s výstupem pouze A/B. Většina magnetických pásek, které nabízím, referenční znáčky (signál Z) nemají. Zvlášť pásky se zvýšenou přesnosti.
Pro větší objednávky (dodavatel má minimální odběr 25m) je možnost domluvit se na zakázkovém umístěni referenčních značek. Můžou být jak s potřebným intervalem, tak například i uprostřed magnetického "pravítka" s konkretní délkou.
Re: Systém digitálního odměřování polohy (DRO) + LED displej
Napsal: 20. 10. 2017, 8:38
od CZ_Pascal
SITALL píše:know-how

Děkuji.
Počítal jsem samozřejmě i s touto odpovědí a je neprosto v pořádku chránit své Know-How pokud člověk nalije do nabytého poznání nějakou finanční sumu a duševní úsilí.
Tak zkusím ještě něco vydolovat
- Je k dispozici údaj o zpoždění signálu ? (tedy zpoždění od fyzického pohybu čidla do reakce na výstupu)
- Je toto zpoždění konstantní, nebo se mění "náhodně" v čase ?
Tak nějak mám v šuplíku obvody i pásku, ale není boha najít čas si s tím trocha pohrát
Asi mi nezbyde než jeden kousek koupit (detaily přes SZ)
Re: Systém digitálního odměřování polohy (DRO) + LED displej
Napsal: 14. 11. 2017, 5:43
od SITALL
tak už mám prográmek k nastavováni displeje i pro Android
Re: Systém digitálního odměřování polohy (DRO) + LED displej
Napsal: 14. 11. 2017, 7:51
od habitat3
Ahoj,
objednával někdo odměřování na Tos S28 ? Přemýšlím jaké koupit a případně jaké vybrat magnetické lišty.
Díky
J.
Re: Systém digitálního odměřování polohy (DRO) + LED displej
Napsal: 4. 12. 2017, 11:33
od SITALL
prográmek k PC je trochu poupraven
jsou varianty pro PC a Android
Re: Systém digitálního odměřování polohy (DRO) + LED displej
Napsal: 28. 12. 2017, 11:14
od SITALL
pásky s přesnosti ±3µm/m a ±20µm/m jsou skladem
Re: Systém digitálního odměřování polohy (DRO) + LED displej
Napsal: 3. 1. 2018, 9:28
od lubbez
Jenom pro informaci. Pásky i snímače chodí jak z praku. A takhle to vypadá instalované na MN80.
Tady není co dodávat, klasický displej z Unimaxu.
Tady jsem si trochu pohrál, pásek je nalepený na frézované osazené liště, aby do něho nemohl narazit koník. Celé je to zakrytované 1mm gumou, aby se nezadělal šponama. Zadní guma je odstraněná pro focení.
Jako základ jsem použil hliníkový jekl 15x15mm, který je přišroubovaný k tělu soustruhu. Problém vzniknul při nastavování snímače, protože odlitek není rovný a vzdálenost snímače se měnila o cca 0,6mm. Musel jsem tedy pásek odlepit, vypodložit a opět pásek vrátit. Místo nerezové ochranné pásky používám silnou hliníkovou samolepku. Funguje stejně jako nerez, ale zakrytuje pásek i z boků.
Tím mé snažení zkončilo, protože mě chytly záda a celé vánoce jsem proflákal. Ale už mi chybí to jen finalizovat, uklidit kabely a šoupnout soustruh na své místo a samozřejmě nastavit rozlišení jednotky podle pásku.
Re: Systém digitálního odměřování polohy (DRO) + LED displej
Napsal: 26. 1. 2018, 7:39
od SITALL
Hezký. Děkuji za sděleni vlastních zkušeností.
Re: Systém digitálního odměřování polohy (DRO) + LED displej
Napsal: 17. 5. 2019, 11:20
od SITALL
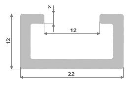
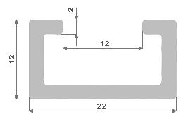
Jedna z hobby variant provedení kompletního snímače z duralového profilu C a vozíku z plastu POM, do kterého je zabudován samotný snímač:

- 2.show.jpg (7.95 KiB) Zobrazeno 6251 x
Re: Systém digitálního odměřování polohy (DRO) + LED displej
Napsal: 19. 7. 2019, 5:27
od noholam
Rychlost, ochota, skvělé jednání vše funguje jak má mohu jen a jen doporučit
Re: Systém digitálního odměřování polohy (DRO) + LED displej
Napsal: 23. 10. 2019, 8:46
od Andrew
Tak mohu potvrdit že senzor - Senzor MSP-01-INC, inkrementální TTL 5V výstup (signály A/B) připojený přímo na interpolátor SmoothStepper na Mach3 (vynechat oddělovací desku pokud je pomalá) funguje bez problému i pro 2um rozlišení.
Re: Systém digitálního odměřování polohy (DRO) + LED displej
Napsal: 8. 1. 2020, 2:10
od patakodad
Andrew píše: ↑23. 10. 2019, 8:46
Tak mohu potvrdit že senzor - Senzor MSP-01-INC, inkrementální TTL 5V výstup (signály A/B) připojený přímo na interpolátor SmoothStepper na Mach3 (vynechat oddělovací desku pokud je pomalá) funguje bez problému i pro 2um rozlišení.

:shock:Jakže?