To mi hlava nebere toto

jak na ebayi kupovat a prodavat, odkazy na zajimave veci obchodniky
Pravidla fóra
Toto forum vyzaduje schvaleni prispevku moderatorem.
Odpovědět
Uživatelský avatar
robokop
Site Admin
Příspěvky: 23177
Registrován: 10. 7. 2006, 12:12
Bydliště: Praha
Kontaktovat uživatele:

19. 4. 2022, 10:36

jenze tam je spousta danych pravidel (protoze jde o hromadny dopravni prostredek a ne o karu na drivi) a nikdo nema kompetenci je nechat ignorovat, jedine vsechny ty komise co je stanovovaly, on to nemuze delat jeden clovek nebot neni v jeho moci celou tu problematiku bezchybne postihnout nebot to vyzaduje celou radu odbornosti a leta praxe v kazde z nich aby si clovek mohl alespon z velke castipredstavit co vse se muze pos...t
to ze si ty treba nedokazes ty rizika predstavit neznamena ze tam nejsou a ze by tvym rozhodnutim nemohlo dojit k obrovske chybe a skodam
Vsechna prava na chyby vyhrazena (E)
Mex
Příspěvky: 10287
Registrován: 6. 2. 2014, 10:29

19. 4. 2022, 10:37

Modros píše: 19. 4. 2022, 10:32 je dobře že člověk jako ty nechce přebírat jakoukoliv odpovědnost...protože si uvědomuješ že by si to posral a šel sedět...děláš dobře
Vidím, žes to pochopil úúúúplně správně. :D
Modros
Příspěvky: 2072
Registrován: 31. 3. 2019, 7:58

19. 4. 2022, 10:42

Mex píše: 19. 4. 2022, 10:37
Modros píše: 19. 4. 2022, 10:32 je dobře že člověk jako ty nechce přebírat jakoukoliv odpovědnost...protože si uvědomuješ že by si to posral a šel sedět...děláš dobře
Vidím, žes to pochopil úúúúplně správně. :D
hele...já proti tobě vůbec nic nemám...já tě neznám...jen mě vadí když někdo říká něco...co je totál blábol...měl by si uznat že tohle zlehčování není na místě u vozidla kterým cestuje marky lidí a celé to váží nesmysl

kdyby si řekl že na tom asi něco bude co ti lidi píšou....ale ty dál obhajuješ svůj blábol a divíš se že se do tebe lidi trefujou

ty si musel bejt na základce hodně bitej
Masso, stroje všemožný, autoservis, amatérské závody Nissan GTR
lapa
medaile za lepsi forum
Příspěvky: 3012
Registrován: 6. 5. 2009, 7:18
Bydliště: Praha

19. 4. 2022, 10:51

robokop píše: 19. 4. 2022, 10:36 jenze tam je spousta danych pravidel (protoze jde o hromadny dopravni prostredek a ne o karu na drivi) a nikdo nema kompetenci je nechat ignorovat, jedine vsechny ty komise co je stanovovaly, on to nemuze delat jeden clovek nebot neni v jeho moci celou tu problematiku bezchybne postihnout nebot to vyzaduje celou radu odbornosti a leta praxe v kazde z nich aby si clovek mohl alespon z velke castipredstavit co vse se muze pos...t
to ze si ty treba nedokazes ty rizika predstavit neznamena ze tam nejsou a ze by tvym rozhodnutim nemohlo dojit k obrovske chybe a skodam
Jeví se mi to jako syndrom (zřejmě) odborníka z jedné oblasti, co automaticky rozumí všemu :lol:
A v kombinaci se stoupající věkem a s minimální (případně nulovou) opozicí je to vražedná kombinace ...
Zda nastala, toť otazka...
Kostka těžko vysvětlí úsečce, natož bodu, že život má i jiné dimenze než má ten jejich ...
Sancho Panza
Příspěvky: 1106
Registrován: 6. 3. 2021, 12:50

20. 4. 2022, 5:27

prochaska píše: 19. 4. 2022, 10:01 Když už jsme odbočili, jak je to s tou brzdou? Já měl za to, že je to takové 1-wire ve vzduchovém provedení, ale to s tím průběžným doplňováním mě trochu mate. Nebo to znamená, že jsou tam už dvě potrubí, dvě spojky atd.?
No, současné (a i ty starší) brzdy u vlaku, fakt nejsou už dávno udělané takto:
https://www.vagony.cz/historie/provazcova_brzda.html :lol:
https://www.vagony.cz/pojezdy/brzda/pneumatik.html
zbytek si můžeš dohledat pod Hik (Hildenbradt-Knorr)
takže třeba:
https://www.jernbanearkivalier.dk/bremser/hikp1engl.pdf
Uživatelský avatar
jenicek
Příspěvky: 1864
Registrován: 17. 9. 2018, 9:35
Bydliště: Vedle Trautenberka

20. 4. 2022, 6:22

To mi hlava nebere toto :lol: :lol: :lol:
milan.83
Příspěvky: 826
Registrován: 25. 1. 2018, 7:26

20. 4. 2022, 6:49

prcek píše: 19. 4. 2022, 7:29
milan.83 píše: 19. 4. 2022, 6:55

Taky to nepíšeš moc přesně. Princip brzdění popsuješ samozřejmě správně. I ta teorie o vyčerpání brzdy je správná. Problém je v tom, že ten odkaz, který dáváš, má zhruba přes 20 let staré informace a tudíž není úplně aktuální. Zhruba od roku 2002 český výrobce DAKO vyrábí rozváděče CV1nDxx. Ty zaručují "nevyčerpatelnost" brzdy. Co je nevyčerpatelnost? Nevyčerpatelnost je to, že se pomocný vzduchojem na přírubě rozváděče neustále doplňuje z napájecího potrubí přes doplňovací ventil brzdového rozváděče. Pokud by vůz napájecí potrubí neměl, je doplňovací ventil zazátkovaný a k vyčerpání brzdy dojít může. Taková koncepce brzdy se ale u nových vozů snad už ani nesmí používat.
Rozváděče ostatních výrobců mají nevyčerpatelnost též řešenu.
No, ale pokud se souprava pretrhne, tak se prerusi i napajeci potrubi - zlute spojky. Takze doplnovani napajecim potrubim resi nektere problemy, ale tento zrovna ne.
To je celkem fuk, podstatou meho sdeleni bylo, ze postupovat s ohledem na mozne skryte vady ma smysl.
Ano, však jsem psal, že princip brzdění popisuješ správně. Nicméně může nastat i případ, že se roztrhne hlavní potrubí (červená hadice) a napájecí zůstane spojené. Přesně pro tyhle důvody je tam to doplňování.

Rozhodně máš pravdu i s tou prohlídkou lokomotivy. Po podobném nárazu se musí kontrolovat rám lokomotivy, pojezd, tažné čepy, které vedou podvozky, nárazníky, pluhy, brzdová výzbroj, kabeláž kolem podvozků, snímače otáček dvojkolí, snímače vlakového zabezpečovače.. Na dráze možná vypadají některé postupy hodně předpotopní, ale ty postupy jsou tam z důvodu zajištění bezpečnosti a plynulosti dopravy.
Na silnici se to tolik nehrotí, ale pak jezdí spousta aut, která jsou čtyřstopá, táhnou do boku, jezdí s rozbitými světly.. Před technickou se opraví závady, které jsou viditelné nebo odhalitelné a s vrakem se jezdí dál. Tohle železnice nepřipouští.
předválečný soustruh Volman, protahovačka HMS 850, Gude MIG 192/6K, frézka F1J2
Uživatelský avatar
Mr. MR
Příspěvky: 815
Registrován: 31. 5. 2020, 10:05

20. 4. 2022, 6:49

Ta Modrosova historka s autem je dobrá, moderní auta narvaná elektronikou jsou fakt "chytřejší" jak uživatel. Budu si dávat bacha.
Připrav se, hrajem...
https://www.youtube.com/watch?v=HzjNAnEfvxc
StoupaCZ
Příspěvky: 547
Registrován: 2. 6. 2017, 8:12

20. 4. 2022, 8:06

Jo, Modrosova historka je poučná. Divím se, že se v takovém případě auto neuvede do stavu, kdy s ním dále nejde jet, nebo alespoň fest nevaruje.
Sieg SX4, Interkrenn IKD-400, Vernier Minishape 28
Modros
Příspěvky: 2072
Registrován: 31. 3. 2019, 7:58

20. 4. 2022, 8:13

StoupaCZ píše: 20. 4. 2022, 8:06 Jo, Modrosova historka je poučná. Divím se, že se v takovém případě auto neuvede do stavu, kdy s ním dále nejde jet, nebo alespoň fest nevaruje.
těch historek je mraky.....zákaznik přijel že má prasklý výfuk...muj mechanik mu řekl že to vydrží a at přijede až budeme mít čas....vyfuk prasknul uplně....přívodní trubka do tlumiče byla nasměrovaná na zadní nárazník.....spustila se regenerace.....roztavený nárazník....škoda 30 tisíc...požadovaná po nás protože sme poslali auto do provozu
Masso, stroje všemožný, autoservis, amatérské závody Nissan GTR
josef109
Příspěvky: 689
Registrován: 21. 5. 2017, 5:15
Bydliště: Praha

20. 4. 2022, 8:14

Když už je řeč o prohlídce vlaku po bouračce, je to tak, že se lokomotiva z poloviny rozebere, a jednotlivé systémy se pošlou na zkoušky, nebo to jen někdo zběžně prohlédne a podepíše papír?
milan.83
Příspěvky: 826
Registrován: 25. 1. 2018, 7:26

20. 4. 2022, 8:52

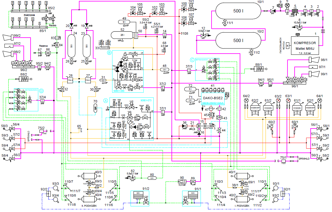
prochaska píše: 19. 4. 2022, 10:01 Když už jsme odbočili, jak je to s tou brzdou? Já měl za to, že je to takové 1-wire ve vzduchovém provedení, ale to s tím průběžným doplňováním mě trochu mate. Nebo to znamená, že jsou tam už dvě potrubí, dvě spojky atd.?
Pokusím se vysvětlit to na jednoduchém příkladu (schématu lokomotivy):
schema.png
Potrubí označené červenou barvou je to, které když se vypustí (buď při provozním brzdění, rychlobrzdě, nouzovém brzdění, generálním stopu či nepotvrzení bdělosti strojvedoucího), způsobí zabrzdění lokomotivy. Během jízdy je tam 5 bar, k úplnému zabrzdění dojde už při poklesu na 3,5 bar. Tomuto potrubí se říká hlavní potrubí.
Fialové potrubí je to, které plní kompresor lokomotivy. Říká se mu napájecí potrubí. Právě z něj se doplňuje pomocný vzduchojem (52), když je lokomotiva zabrzděná. Doplňování probíhá přes brzdový rozváděč (50). Ten zároveň způsobuje to, že při poklesu v hlavním potrubí pod 5 bar začíná proudit vzduch do brzdových válců. Pokles tlaku v hlavním potrubí je řízen brzdičem (41) na základě požadavku strojvedoucího, případně k poklesu může dojít jedním z výše zmiňovaných způsobů. Jelikož ale rozváděč umí brzdit jen samočinnou brzdou, jsou mezi rozváděč a brzdové válce zařazena tlaková relé (27, 28), která umožňují dosazení přímočinné a doplňkové brzdy. Ta tlaková relé fungují podobně jako normální relé - malým průtokem vzduchu sepneš velký průtok vzduchu. Tu velkou zásobu zajišťují zásobní vzduchojemy (23, 24). Ty jsou při odbrzděné lokomotivě doplňovány přes dýzu z hlavního potrubí, při zabrzděné lokomotivě z napájecího potrubí.
Tyrkysově znázorněné panely (A, B) jsou mezi rozváděč a tlakové relé vloženy proto, aby se dala řešit vzájemná součinnost více typů brzd (samočinná, přímočinná, doplňková, střadačová). Zbytek schématu je spíš bižuterie (ovládání stykačů, houkačky, pískování, mazání okolků).
Co se týká vývodů na čelech lokomotivy, tak tam jsou dvě trubky napájecího potrubí a dvě trubky hlavního potrubí pro každé čelo.
Schéma je z modernizované lokomotivy 742.71. Dá se říct, že je to jedna z nejmodernější v ČR vyráběných lokomotiv. Pak už je pouze jedna modernější, ale ta má schéma z 95% stejné, liší se jen tím, že tam není špalíková brzda, ale kotoučová. Řízení brzd je totožné.
předválečný soustruh Volman, protahovačka HMS 850, Gude MIG 192/6K, frézka F1J2
milan.83
Příspěvky: 826
Registrován: 25. 1. 2018, 7:26

20. 4. 2022, 9:16

josef109 píše: 20. 4. 2022, 8:14 Když už je řeč o prohlídce vlaku po bouračce, je to tak, že se lokomotiva z poloviny rozebere, a jednotlivé systémy se pošlou na zkoušky, nebo to jen někdo zběžně prohlédne a podepíše papír?
Jde o to, jak moc vážná nehoda to je. Když je to taková nehoda, kde vypadne lokomotiva z podvozků, pak se to provizorně na podvozky nahodí, provedou se nezbytná opatření k tomu, aby bylo možné to odtáhnout a nehodový vlak to odtáhne do nejbližšího místa, kde tu lokomotivu můžeš prohlédnout. Někdy je nutné to hodit na rezervní podvozky a odvézt to na nich. Tohle si řeší Drážní inspekce v součinnosti s drážními hasiči a posádkou nehodového vlaku. Po odtažení do depa se provede defektoskopie tažných čepů, prohlídka podvozků, měření průhybu podvozků, defektoskopie pojezdu (nápravy, kola, ozubená kola), měření průhybu hlavního rámu, kontrola nárazníků, kontrola tažného ústrojí, kontrola trakčních motorů, kabeláže, pneumatických rozvodů, měření izolačního stavu, prohlídka vzduchojemů, zda neutrpěly poškození..
Někdy zase odjíždí na jednom návěsu lokomotiva, na druhém podvozky, protože není reálné to dát do stavu, aby to mohlo jet po kolejích.
Při menších nehodách to může za předem stanovených podmínek "odjet po svých" sníženou rychlostí, provede se měření hlavního rámu, dle potřeby defektoskopie pojezdu, prohlídka nárazníků.. Provede se i technická prohlídka (obdoba technické u auta). Ostatně ta se na lokomotivách dělá každých 6 měsíců (neplatí pro posunovací lokomotivy, které ročně najednou pouze určitou dráhu, případně natočí na motoru tuším 2000 mth).

Každá nehoda na železnici je specifická a tak se k ní i přistupuje.
předválečný soustruh Volman, protahovačka HMS 850, Gude MIG 192/6K, frézka F1J2
prochaska
Sponzor fora
Příspěvky: 8445
Registrován: 16. 7. 2006, 12:33
Bydliště: Praha Bohnice + Roudnice nad Labem
Kontaktovat uživatele:

20. 4. 2022, 9:27

milan.83 píše: 20. 4. 2022, 8:52Pak už je pouze jedna modernější, ale ta má schéma z 95% stejné, liší se jen tím, že tam není špalíková brzda, ale kotoučová. Řízení brzd je totožné.
Díky, chápu. Ta kotoučová brzda je hnaná přímo vzduchem nebo oklikou přes hydrauliku?
Aleš Procháska
Britt
Příspěvky: 1830
Registrován: 8. 5. 2019, 5:36

20. 4. 2022, 9:36

Tam žádná hydraulika není, jenom vzduch a říká se tomu nepřímo účinkující brzda.
Odpovědět

Zpět na „Ebay, aukro, a jine“