TB6560 PowerUp sekvence s PIC

arduino, teensy, atmega, pic a jine (software, hardware)
Odpovědět
Onnyxer
Příspěvky: 113
Registrován: 24. 8. 2008, 7:56
Bydliště: Frýdek-Místek

22. 10. 2013, 11:59

Sekvence zapnutí bude asi bez velkých komplikací. Zato sekvence vypnutí bude s pomocí diskrétních součástek a společného napájení asi oříšek. V sekvencích pomocí odděleného napájení a procesoru nevidím teoreticky problém. Zítra to s PICem a odděleným napájením pro motory a elektroniku zbastlím a uvidíme co na to praxe.
Onnyxer
Příspěvky: 113
Registrován: 24. 8. 2008, 7:56
Bydliště: Frýdek-Místek

22. 10. 2013, 7:58

Na tomhle CNC se budou dělat díly na můj CNC. Je to prvotina od kamarádů.
cncb.jpg
cnca.jpg
Onnyxer
Příspěvky: 113
Registrován: 24. 8. 2008, 7:56
Bydliště: Frýdek-Místek

22. 10. 2013, 8:19

Jak velký (řádově) kond. potřebuji abych udržel kotvu relé (běžně užívané 12V, 50mA) přitažené alespoň 2 vteřiny?
oscar
Příspěvky: 1249
Registrován: 2. 5. 2010, 8:50
Bydliště: Perníkovice

22. 10. 2013, 8:52

20 mF
nezkusis najit rele s vetsim odporem civky?
Onnyxer
Příspěvky: 113
Registrován: 24. 8. 2008, 7:56
Bydliště: Frýdek-Místek

22. 10. 2013, 8:57

Jen pro jistotu. mili nebo mikro ? m je pro mně matoucí a znalosti ani praxe na rozlišení nemám. I když 20GF je masakr a na 50mA bude stačit 20uF. HLoupého kopni :)
oscar
Příspěvky: 1249
Registrován: 2. 5. 2010, 8:50
Bydliště: Perníkovice

22. 10. 2013, 9:08

mili. ten proud je docela velkej.
pocitaje ze minimalni napeti pro to rele bude 8V
pokud bude stacit 5V, staci 10 mili.

http://hyperphysics.phy-astr.gsu.edu/hb ... apdis.html" onclick="window.open(this.href);return false;
Onnyxer
Příspěvky: 113
Registrován: 24. 8. 2008, 7:56
Bydliště: Frýdek-Místek

22. 10. 2013, 9:30

Tady je návrh, ze kterého vycházím.

POWER-UP
Při zapnutí HL.VYPÍNAČE se napájí PIC i TB6560. Relé a ENABLE je PICem vypnuté.
Po určené době (třeba 1s) PIC zapne relé a po další době sepne PIC ENABLE.

POWER-DOWN
Při vypnutí HL.VYPÍNAČE jsou PIC i TB6560 stále napájeny z Cvpp a pokračují v činnosti. Taktéž relé je drženo pomocí Cr.
Po určené době (až se vybijí VM kondy u TB6560) PIC vypne relé a po další době vypne ENABLE.
Blok2.jpg
oscar
Příspěvky: 1249
Registrován: 2. 5. 2010, 8:50
Bydliště: Perníkovice

22. 10. 2013, 9:42

na mne je to nejake komplikovane.

ale co si z hlavy pamatuju - jsi si jisty ze je potreba drzet enable do doby nez odpadne napajeci napeti toshib?
vzdyt ho z lcnc zapinam/vypinam jak chci.
problem je ze se nesmi objevit vysoke napeti pokud neni toshiba napajena 5V.

vyzkouseno mam ze vysoke napeti napajim pres rele spinane 5V logickymi. startup je vyresen, shutdown ne, ale drivery nehori.

vic Ti zitra napise datasheetovy kral :D
Onnyxer
Příspěvky: 113
Registrován: 24. 8. 2008, 7:56
Bydliště: Frýdek-Místek

22. 10. 2013, 9:48

díky
Onnyxer
Příspěvky: 113
Registrován: 24. 8. 2008, 7:56
Bydliště: Frýdek-Místek

22. 10. 2013, 9:50

oscar píše:
ale co si z hlavy pamatuju - jsi si jisty ze je potreba drzet enable do doby nez odpadne napajeci napeti toshib?
vzdyt ho z lcnc zapinam/vypinam jak chci.
problem je ze se nesmi objevit vysoke napeti pokud neni toshiba napajena 5V.
No to je fakt? Kde jsem k tomu přišel?
Onnyxer
Příspěvky: 113
Registrován: 24. 8. 2008, 7:56
Bydliště: Frýdek-Místek

22. 10. 2013, 9:57

Jó tak s tím ENABLE to mám v hlavě odtud.
Thomeeque píše:Pokud budeš vypínat VM kdekoliv "před" filtračními kondíky, budeš muset zohlednit zbytkové napětí, které tam při ENABLE=0 může vydržet dost dlouho.
Uživatelský avatar
Thomeeque
Příspěvky: 9481
Registrován: 30. 1. 2012, 10:20
Bydliště: Mimo ČR

22. 10. 2013, 10:01

Onnyxer píše:No to je fakt? Kde jsem k tomu přišel?
Já myslim, že se to datuje zhruba od chvíle, kdy jsi tím chtěl vybíjet filtrační kondíky při použití relé před toroidem.. :) A je to špatně i z hlediska předepsané power-down sekvence, podle ní naopak musíš shodit ENABLE před VM. Víc ti teď datasheetovej král nenapíše, protože je vožralej :)

EDIT: no vida, tak jsem to uhod :) Dobrou! :)
Naposledy upravil(a) Thomeeque dne 22. 10. 2013, 10:06, celkem upraveno 1 x.
mimooborová naplavenina • kolowratský zázrak™ • NPS • GCU • HirthCalc • ncDP.ino
Onnyxer
Příspěvky: 113
Registrován: 24. 8. 2008, 7:56
Bydliště: Frýdek-Místek

22. 10. 2013, 10:05

:)
rollfree
Příspěvky: 484
Registrován: 3. 12. 2008, 1:23
Bydliště: Brno

22. 10. 2013, 10:15

Thomeeque píše:Víc ti teď datasheetovej král nenapíše, protože je vožralej :)
No vyborne. Radit by mel zrovna ted, bude mit aspon spravny nadhled a nebude brat vsechna ta pismenka za svata. ;-)
Soustruh Noell E0177 (Sandra), jenom kličky
Frézka 3040z (Fiona), LinuxCNC
oscar
Příspěvky: 1249
Registrován: 2. 5. 2010, 8:50
Bydliště: Perníkovice

23. 10. 2013, 7:29

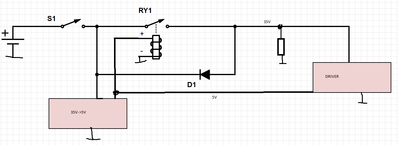
a treba takhle bez picu s diodovou logikou by to neslo?
sp.png
odpor vybijeci by se dal jeste premistit na prepinaci kontakt rele
(enable signal to neresi)
Odpovědět

Zpět na „MCU“