výměna řízení vstřikovacího lisu

r4cv
Příspěvky: 2925
Registrován: 8. 12. 2009, 8:32
Bydliště: Topoľčany

19. 5. 2024, 2:10

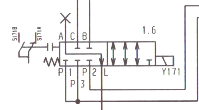
podľa obrázku ventilu a schémy hydrauliky, takýto ventil tam nepatrí.
podobá sa na ventil 4.3, cievka Y401 na druhej strane úplne vpravo, ale má opačné zapojenie.
tak si myslím, že dajako musíš identifikovať o ktorý ventil sa jedná a kúpiť správny typ.
ten ventil hneď vedľa nemá označenie?
hans
Příspěvky: 131
Registrován: 29. 10. 2006, 8:54
Bydliště: Jablunkov
Kontaktovat uživatele:

19. 5. 2024, 7:43

Našel jsem to označení na kabelech a je to ventil, který by měl mít tuto značku:
5_2 cestny ventil.png
5_2 cestny ventil.png (14.48 KiB) Zobrazeno 12214 x
Což se dost výrazně liší od značky ventilu, který tam mám namontovaný. Podle katalogu náhradních dílů vypadal ten ventil navenek stejně, píšou u něj Hydr. 5/2 Wegeventil, čili 5/2 cestný ventil.
Zkusím jej sehnat.
Uživatelský avatar
kenybz
Příspěvky: 3353
Registrován: 16. 2. 2015, 11:16

19. 5. 2024, 9:20

No tak to je uplně jiný ventil. Bohužel nemám přístup k Arburgu abych ti ofotil typ, ale můžeš napsat prodejci hydraulických prvků a přidej foto ventilu co tam máš + tu schematickou značku a vyberou správný typ.
Dám ti sem odkaz na moje videa, kde vysvětluju konkrétně hydraulické rozvaděče. Odkaz je přesně na čas, kde vysvětluju schematické značky. Podle toho ti bude jasné jak tyto značky chápat co kam teče při přepnutí.
https://youtu.be/xEVs4nIHLrM?t=654
Gdyž sa chce, tak ide fšecko...
hans
Příspěvky: 131
Registrován: 29. 10. 2006, 8:54
Bydliště: Jablunkov
Kontaktovat uživatele:

20. 5. 2024, 1:47

kenybz píše: 19. 5. 2024, 9:20 Dám ti sem odkaz na moje videa, kde vysvětluju konkrétně hydraulické rozvaděče.
Tak konečně trochu chápu ty kostičky v hydr. schématech :)
Ventil jsem našel na ebay, snad bude fungovat.
Uživatelský avatar
kenybz
Příspěvky: 3353
Registrován: 16. 2. 2015, 11:16

20. 5. 2024, 5:00

No vida, tak ty videa mají smysl když se to z toho dá pochopit. No a kdybys chtěl vědět o hydraulice více, tak tady je celý playlist není tam všechno, ale základ ano. Až bude více času budu v tom pokračovat.
https://www.youtube.com/playlist?list=P ... 3SXNCj4oss
Gdyž sa chce, tak ide fšecko...
Uživatelský avatar
kenybz
Příspěvky: 3353
Registrován: 16. 2. 2015, 11:16

6. 7. 2024, 5:35

Tak co jak to dopadlo?
Gdyž sa chce, tak ide fšecko...
hans
Příspěvky: 131
Registrován: 29. 10. 2006, 8:54
Bydliště: Jablunkov
Kontaktovat uživatele:

1. 8. 2024, 8:32

Omlouvám se, delší dobu jsem se sem nedíval. Zatím jsem pokročil s výměnou toho bezpečnostního ventilu, je to v pořádku. Jen ta vysoká spotřeba stroje, když se nehýbe, souvisí s předehříváním oleje. Je tam nastaveno, že se musí olej nahřát na pevně danou teplotu a to se asi děje tak, že ten olej hydraulická pumpa žene přes nějaký částečně přivřený ventil a asi se tím třením zahřívá. Po cca 10 minutách odběr klesne a je to ok.

Zbývá mi zrestaurovat zapojení topných spirál a mělo by to jet.
Uživatelský avatar
kenybz
Příspěvky: 3353
Registrován: 16. 2. 2015, 11:16

2. 8. 2024, 12:57

Ano ten předehřev je automatický a bohužel dokud se olej nezahřeje, tak s ním nelze hýbat.
Takže dobré daří se.
Gdyž sa chce, tak ide fšecko...
Odpovědět

Zpět na „Vstřikování plastů“