Vřetenový enkodér (trocha teorie)
Tak pak dej vědět cos vybral. Ty 10-ti bitové jsou daleko levnější.
Otázka, zda Ti stačí přesnost 360°/2^10=0.351°
Vylučovacím způsobem zůstává: No a jelikož LCNC nepodporuje u BISS oboustranou komunikaci, tak bych možná zůstal u SSI.
Otázka, zda Ti stačí přesnost 360°/2^10=0.351°
Vylučovacím způsobem zůstává: No a jelikož LCNC nepodporuje u BISS oboustranou komunikaci, tak bych možná zůstal u SSI.
LinuxCNC - MESA 7i96
zz912.webnode.cz
zz912.webnode.cz
Diky, ale je tam zrovna teda poradny "pracovni bordel".Meki píše: ↑1. 5. 2025, 5:32 ...Nevím jak mám chápat přesnost ±0.025° a opakovatelnost ±0.05°, z jakého principu? Mám to chápat tak že tyto čísla u optického nejsou protože 1pulz = 1ryska na cloně a tak je to jasně dané, ale u těch magnetů žádný pevný bod není, magnetické pole se mění "po sinusoidě" a ta hranice mezi pulzy se dopočítává ale tady už může vzniknout ta nepřesnost?
Zatím to vidím tak že zkusím ten iC-NV v kombinaci s původním 1Vpp SIN/COS na frézku která mě momentálně čeká a soustruh budu testovat s tím magnetickým briterem ale až na něj přijde
Jinak krásná vymazlená laboratoř, to je sen![]()
S tou specifikaci presnosti je to osidne, kazdy druhy cinan to specifikuje jinak a je to prave potreba s nima vyjasnit. Plus jejich anglictina neni obvykle dobra, takze misto jednoho terminu pouzivaji druhy atd. Obecne me vzdycky zajima "total accuracy" pri konstantni teplote a pak v nejakem rozsahu teplot. Protoze s teplotou muzu skoro vzdycky neco delat.
Obecne total accuracy bude zahrnovat komponenty :
- limit rozliseni (+/- 1 LSB, u inkrementalnich uhlel z PPR)
-inearitu pres otacku (nesymetrie magn. pole magnetu a nesymetrie ci chyby a hlucha mista HALu). Muze mit i subkomponent - mikrolinearitu coz je linearita nejakeho maleho vybraneho rozsahu.
- opakovatelnost (mechanikce vule a elektricka variabilita prevodniku). Opakovatelnost muze byt jeste rozdelena na mechanickou (ja se stejna pozice hridele pri opakovanem pozicovani projevi na relativni poloze magnetu vuci HALu) a elektrickou zavislou na teplote.
TOS S28, DIY CNC, Holzmann ZS-40HS, Prusa Mk3s+MMU2s, Bambu X1C Combo
-
venca.black
- Příspěvky: 139
- Registrován: 11. 11. 2009, 10:45
- Bydliště: praha 5
Ovládal jsem se to přes LPT port v EPP režimu přes nějaký integráč s převodem RS485 ( 422) / TTL a vyhodnocení Grayova kódu přes program ještě v TurboPascalu ( v CRT režimu pro rychlejší zobrazení na obrazovku ). Těch absolutních jsem krotil víc a protože jsem na chalupě , tak se můžu kouknout až v pondělí ,.....Meki píše: ↑1. 5. 2025, 5:32venca.black píše: ↑28. 4. 2025, 8:22 Ahoj ,
a co zkusit třeba něco takového : třeba Heidenhain EQN1125..........
Výstup je EnDat 2.2 .......
Můj pokus na videu byl 80mikrosekund pro kompletní přečtení té celé absolutní polohy , takže by se stačilo kdekoliv vřetenem zastavit a pak jenom dotočit .
Mechanická odolnost se uvádí 12 000 ot/min.
Heidenhain_ABS_moje.mp4
( Možná bych našel i ten protokol s poznámkama ).
Jinak dobrá apka na komunikaci, je tam ještě nějaká deska jako STM32 nebo to vyhodnocuješ přímo počítačem?
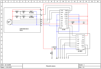
Koupil jsem na test ten iC-NV převodník sin/cos na ttl a k němu iC-HD7 z single-ended na differential signál.
Ten iC-NV funguje geniálně, opravdu dokáže 1pulz rozdělit až 16x
a to krásně souměrně
Není to teda řešení Plug-and-play, musel jsem si pohrát s offsetem vstupních sin/cos signálů a taky s vzdálenosti senzoru, bez osciloskopu by to nešlo.
Ještě to budu testovat s měničem tak jsem zvědavý
Ten iC-NV funguje geniálně, opravdu dokáže 1pulz rozdělit až 16x
Není to teda řešení Plug-and-play, musel jsem si pohrát s offsetem vstupních sin/cos signálů a taky s vzdálenosti senzoru, bez osciloskopu by to nešlo.
Ještě to budu testovat s měničem tak jsem zvědavý
To jsi si docela vyhrál 
Musím říct, že je pro mne trochu záhada, proč mají ty optické enkodéry tak nízký limit, optika plus pár základních součástek by na tom oproti tomuto měla být tak nějak selsky lépe, ne hůře
T.
Musím říct, že je pro mne trochu záhada, proč mají ty optické enkodéry tak nízký limit, optika plus pár základních součástek by na tom oproti tomuto měla být tak nějak selsky lépe, ne hůře
T.
mimooborová naplavenina • kolowratský zázrak™ • NPS • GCU • HirthCalc • ncDP.ino
Myslim ze mechanicky bude limit to foliove kolecko (stencil).
Protoze loziska tam jsou malicka, 686Z apod. ktera maji limit 40000rpm+ a jejich radialni vule nemuze mit zasadni vliv.
Imho u Omronu je ten limit elektricky vystup, tam je myslim puvodne stary "schmitak" a v kombinaci s marginy jako je teplota, p2p variace apod. to muze limitovat. Realne ale muzou byt rychlejsi. Tuplem pro ty klony, navrhovane daleko pozdeji s rychlejsimi IO.
Protoze loziska tam jsou malicka, 686Z apod. ktera maji limit 40000rpm+ a jejich radialni vule nemuze mit zasadni vliv.
Imho u Omronu je ten limit elektricky vystup, tam je myslim puvodne stary "schmitak" a v kombinaci s marginy jako je teplota, p2p variace apod. to muze limitovat. Realne ale muzou byt rychlejsi. Tuplem pro ty klony, navrhovane daleko pozdeji s rychlejsimi IO.
TOS S28, DIY CNC, Holzmann ZS-40HS, Prusa Mk3s+MMU2s, Bambu X1C Combo
Na jedné stránce jsem našel zajímavou tabulku srovnání rychlosti
Když jsem kdysi dělal pokusy s optickou závorou a rotační clonou tak mě překvapilo že náběžná a úběžná strana napětí není relativně kolmá (tak jak třeba u signálu TTL) ale byly to spíše strmé rampy, napadá mě jestli při vysokém rozlišení a vysokých otáčkách se tyto rampy nenatáhnou tak moc že napětí splyne v nějakou střední konstantní hodnotu
Někde v článku o optických kabelech jsem se dočetl že není problém rychlý signál diodou vyslat, po optice přenést ale limit je vždy na technologii přijímače. Ale toť jen moje laická úvaha.
Nad tou vůlí v ložiskách jsem taky přemýšlel. Ne teda z hlediska rychlosti ale přesnosti. Zhruba od 12bit a výše to začíná být zajímavé. Např. rysky optické clony od sebe můžou být už cca jen 0,02mm, to už klasické radiální ložiska nemůžou zmáknout.
Nejdříve jsem si říkal, bude to vše pod plechovým deklem a ven už leze signál diferenciálně ale pak mi došlo že hned vedle je vinutí motoru které je navíc živené frekvenčním měničem, takže asi ideální kurvítko
V schématu k tomu diferenciálnímu švábu iC-HD7 doporučují 1nF kond vůči zemi na každou větev výstupu, tím bych začal. Měl by jsi ještě nějaké doporučení?
Nad tou vůlí v ložiskách jsem taky přemýšlel. Ne teda z hlediska rychlosti ale přesnosti. Zhruba od 12bit a výše to začíná být zajímavé. Např. rysky optické clony od sebe můžou být už cca jen 0,02mm, to už klasické radiální ložiska nemůžou zmáknout.
Nad tím jsem přemýšlel ale bohužel to není úplně můj obor. Já to většinou řeším tak že cvakám na dráty ferity a pájím keramické kondenzátory kde to jde, zde to ale asi bude chtít sofistikovanější řešení.
Nejdříve jsem si říkal, bude to vše pod plechovým deklem a ven už leze signál diferenciálně ale pak mi došlo že hned vedle je vinutí motoru které je navíc živené frekvenčním měničem, takže asi ideální kurvítko
V schématu k tomu diferenciálnímu švábu iC-HD7 doporučují 1nF kond vůči zemi na každou větev výstupu, tím bych začal. Měl by jsi ještě nějaké doporučení?
Bohužel zatím to leží na stole a nemůžu se k tomu dostat. Měl jsem v plánů že dosoustružím zakázku a budu tam ten motor nahazovat a ladit ale jak už to bývá na zakázku navázala další zakázka a další.... Chtěl jsem to stihnout mezi zakázkama ale měl jsem strach že týdenní odstávka by se zkomplikovala, protáhla a dostal bych se do skluzu. Zatím vyčkávám až nebude na ten soustruh taková fronta práce a pustím se do toho.
Teď pendluju mezi mými .projekty a obráběním abych se uživil. V lednu mi odešla zaměstnankyně soustružnice a tak jsem zůstal na vše na dílně sám
. Nahromadilo se mi teď soustružení a taky jsem se soustředil na frézku Hartford VMC850 (chystám panel a plechy pro lak)
Ale objednal jsem ten magnetický SSI 17bit briter enkodér. Sice né pro vřeteno ale pro ATC, ale jsem zvědav jak bude chodit s LinuxCNC
Teď pendluju mezi mými .projekty a obráběním abych se uživil. V lednu mi odešla zaměstnankyně soustružnice a tak jsem zůstal na vše na dílně sám
Ale objednal jsem ten magnetický SSI 17bit briter enkodér. Sice né pro vřeteno ale pro ATC, ale jsem zvědav jak bude chodit s LinuxCNC
Dnes jsem to zapojil a vidím to tak že to skončí v koši
.
Je tam na mě až moc chyb:
.
Hodně se to zlepšilo když jsem dal na výstup mezi A a GND, A- a GND, B a GND, B- a GND 100nF kondenzátor, ale při vyšších rychlostech to logicky zakulacuje pulzy.
Nevím jestli na výstup v motoru dát ještě optrony a nebo zkusit motat ferity
já už jsem na tohle krátký, asi půjdu objednat z matezy řemínek a půjde tam ten zmiňovaný E6B2
Ale znělo to opravdu lákavě a stálo to za pokus, přeci jen z 128zub kolečka se dalo vytěžit až 80192pul/ot (testováno, chodilo to krásně plynule, symetricky, nic nezakmitávalo, bohužel to takto chodilo jen na stole) a to teoreticky i při max. 8000ot/min. Navíc jednoduchá konstrukce bez nutnosti dalšího mechanického zásahu a odolná i nečistotám.
Je tam na mě až moc chyb:
- občasné špičky o trvání cca 130ns
- úsekové zarušení s opakováním 50Hz
- při určitém natočení hřídele lezou z kodéru pulzy i přes to že motor stojí
- a to vše když točím rukou, ani nekomentuju co se děje když spustí měnič

Hodně se to zlepšilo když jsem dal na výstup mezi A a GND, A- a GND, B a GND, B- a GND 100nF kondenzátor, ale při vyšších rychlostech to logicky zakulacuje pulzy.
Nevím jestli na výstup v motoru dát ještě optrony a nebo zkusit motat ferity
Ale znělo to opravdu lákavě a stálo to za pokus, přeci jen z 128zub kolečka se dalo vytěžit až 80192pul/ot (testováno, chodilo to krásně plynule, symetricky, nic nezakmitávalo, bohužel to takto chodilo jen na stole) a to teoreticky i při max. 8000ot/min. Navíc jednoduchá konstrukce bez nutnosti dalšího mechanického zásahu a odolná i nečistotám.
Meki> hmm, skoda no.
To jsou bohuzel presne ty potize ktere jsem mel na mysli:
Zkus nakoupit par E6B2 z Alika a vyzkousej naprimo. Fakt tam neni zasadni duvod proc by nektery z lepsich designu nejel naprimo a usetril by sis prevod.
TOS S28, DIY CNC, Holzmann ZS-40HS, Prusa Mk3s+MMU2s, Bambu X1C Combo