Stránka 3 z 3
Re: hydraulika nebo vzduch??
Napsal: 6. 7. 2012, 10:05
od Kvako1
jasně je vedší ale mě to nevadí vleze se tam. navíc stojí něco kolem 7000 kdežto 3nasobný tandem přez 21 000.
vyřešeno to mám . nemám teď ale na to čas.
Re: hydraulika nebo vzduch??
Napsal: 22. 8. 2012, 8:15
od Kvako1
ahoj.
mam zas pár dotazů,
proč se davají na ty vřetena ty písty s tak velkou silou 12 000 N a víc? diť ty nástroje , třeba iso 40 maji ty drážky z čepem na přenos síly.... nestačil by tam menší přídržný tlak ? ten píst by pak stačil slabší ne ? kůli čemu je tam takova síla?
už se mi to začíná slezat pomalu ty věci a začal bych něco kreslit a konstruovat tak ať nedělam zbytečně nějakou hovadinu.
mam písty 160 a 125 průměr. tak teť nevím ktrej by byl lepší. jde taky o vahu a velikost vysledného vřetene...
Re: hydraulika nebo vzduch??
Napsal: 22. 8. 2012, 9:45
od vruboun
protože když zabereš pořádnej knedlík, tak by ti to ten nástroj i s držákem vyrvalo z vřetene a nastaly by dost ošklivé okolnosti
Re: hydraulika nebo vzduch??
Napsal: 1. 2. 2013, 11:52
od danodpp
ahoj, sorry ze znova ozivujem stare vlakno, ale neda mi
prave citam o rychloupinani, takze je to od vyrobcu SCHAUBLIN
pre konus 11.5/5st. - zdvih upinania 3,5mm, tazna sila 1000N
pre ISO10 - zdvih upinania 4mm, tazna sila 1750N
pre ISO20 - zdvih upinania 4,5mm, tazna sila 3000N
pre ISO25 - zdvih upinania 4,5mm, tazna sila 4000N
pre ISO30 - zdvih upinania 5mm, tazna sila 6000N
pre ISO40 (BT40) - zdvih upinania 5,5mm a tazna sila 6000N
viac tam toho nieje

Re: hydraulika nebo vzduch??
Napsal: 2. 2. 2013, 8:54
od Kvako1
vpohodě, každá informace se hodí.
mam to momentalně trochu u ledu , ale tak nějak postupně se to rýsuje. nijak na to nespěchám protože dávam dohromady teť soustruh a navíc v práci pořád fofry...
nicmeně mam rozpracováné 2 vřetena
jedno styl tornmach - s kleštinou iso 40 bude to brát kulate stopky 25mm. do 8000 otaček. to mam skoro hotové
planuji tam dat píst 16 000N
druhe BT 40 original hřídel i z vtahovaním ofukem a chlazením. do 25 000 otaček. mam ale problém sehnat talířovky ve slušne ceně..
a chybí mi na to ještě asi 5 dílů
tady chci dát píst 9 000 N
takže co jsi poslal tu tabulku , ty písty by měli stačit...

Re: hydraulika nebo vzduch??
Napsal: 2. 2. 2013, 11:12
od RaS
BT40 do 25000otáček? ten kužel je dle technickejch listů do 8 nebo 8500ot.. na takovýhle otáčky to chce zvolit něco jiného..
Re: hydraulika nebo vzduch??
Napsal: 2. 2. 2013, 11:45
od Kvako1
je to original vymontovaný ze stroje. ty otačky tam byly uvedeny. i ložiska jsou tam na to stavěna.. nevidím duvod proč by to nešlo...
možna si ale pletu iso a BT. podle mne je tam ale rozdíl jenom vtěch kamenech.. pasuji tam oboje..
jenom tak jsem zběžně koukl na google a našel jsem BT 40 10k otaček i 12k...
jaký je tedy rozdíl BT40 a Iso 40 ?
Re: hydraulika nebo vzduch??
Napsal: 2. 2. 2013, 1:27
od danodpp
ahoj
rozdiel je v podstate len na vrchu v upinani...kuzel je ten isty , iso40 ma koniec predlzeny valcovy, BT40 ma konus hned ukonceny, a SK40 je myslim napodobny BT40 - na vrchu ma nakrutenu upinaciu "gulicku"
a myslim ze vsetky tieto "40ky" maju hore zavit M16
mam v PC vykresy, ale ako ich sem vlozim?
Re: hydraulika nebo vzduch??
Napsal: 2. 2. 2013, 1:34
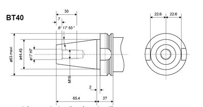
od danodpp

- BT40
Re: hydraulika nebo vzduch??
Napsal: 2. 2. 2013, 1:35
od danodpp

- ISO40
Re: hydraulika nebo vzduch??
Napsal: 2. 2. 2013, 1:37
od danodpp

- Priklad rychloupinania od f.Schaublin
Re: hydraulika nebo vzduch??
Napsal: 2. 2. 2013, 1:44
od danodpp
p.s. nikde neviem najist max.RPM pre jednodlive kuzele

...ale pri ISO40 maju cnc centra bezne 10tisic ot/min
je to vsak obmedzene motorom vretena

Re: hydraulika nebo vzduch??
Napsal: 2. 2. 2013, 3:14
od Kvako1
dikes za obrázky.
tady je třeba vřeteno atc iso 30 do 24k otaček.
http://www.ebmia.pl/elektrowrzeciona-tm ... _1035.html" onclick="window.open(this.href);return false;
nedávno jsem četl i o vřetenu iso 40 -40k otaček ale to už byla obluda motor 30 kW